| 缸径 | 40MM |
|---|---|
| 规格 | MBB32-50 |
| 气缸数 | 10.0 |
| 适用范围 | 0-1.5MPa |
| 种类 | 可调缓冲气缸 |
| 重量 | 0.8KG |
| 最大负荷 | 1.5MPa |
| 品牌 | FITER/菲特 |
| 型号 | MBB32-50 |
| 加工定制 | 是 |
| 理论作用力 | 1.0MPa |
| 最大力距 | 1000 |
| SC40-600,SC40-700,SC40-800,SC40-900,SC40-1000,定做和邮费补贴清联系客服 | ||||
| 工作温度 | 0-60度 | 工作介质 | 空气 |




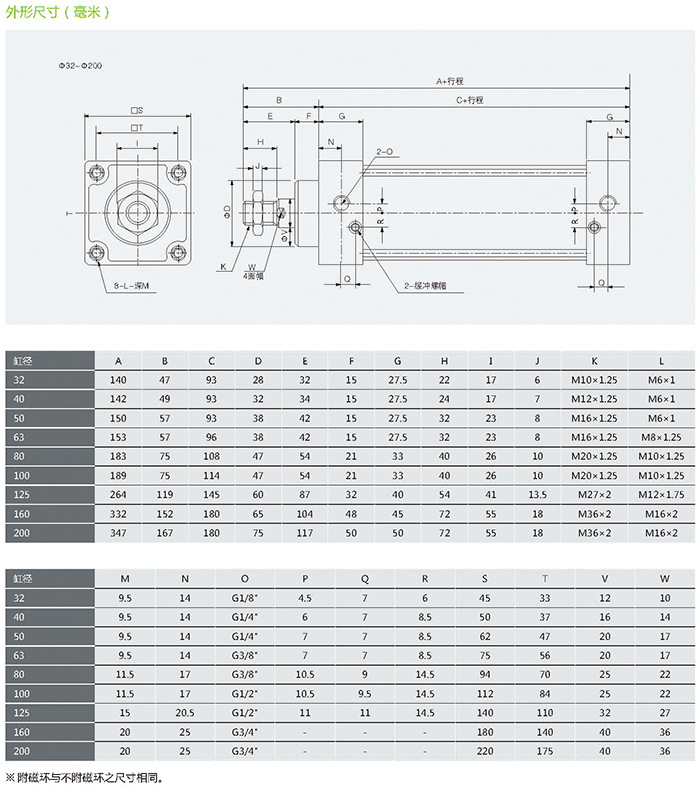
此图片作为订货参考、具体行程规格可联系客服。
由我们公司的执行工程师指导生产:

我们产品的优势-质量
表面:我们公司采用的砂威180号砂。普通的采用砂为120号。
电极氧化:我们公司采用表面电极氧化度数为15-20度。普通电极氧化度数为5-10度。
前盖:我们公司采用进口数控倒塔机加工。普通采用普通数控加工。
密封圈:我们公司采用进口A3材料。普通采用普通橡胶材料。
我们产品真真实实、绝不弄虚做假、
经过****机构认证




1:执行企业标准。
2:缸体与后盖,活塞与活塞缸采用铆合结构,紧蹙可靠。
3:缸体内径滚压处理后再作硬质氧化处理,耐磨、耐久性好。
4:活塞密封采用异型双向密结构尺寸紧蹙,有储油功能。
5:紧蹙型结构、能有效节省安装空间。
6:缸体周边带有磁感应开关槽、安装感应开关方便。
7:多种规格的气缸可供选择




一、气缸的选择
1、类型的选择
根据工作要求和条件,正确选择气缸的类型。要求气缸到达行程终端无冲击现象和撞击噪声应选择缓冲气缸;要求重量轻,应选轻型缸;要求安装空间窄且行程短,可选薄型缸;有横向负载,可选带导杆气缸;要求制动精度高,应选锁紧气缸;不允许活塞杆旋转,可选具有杆不回转功能气缸;高温环境下需选用耐热缸;在有腐蚀环境下,需选用耐腐蚀气缸。在有灰尘等恶劣环境下,需要活塞杆伸出端安装防尘罩。要求无污染时需要选用无给油或无油润滑气缸等。
2、安装形式
根据安装位置、使用目的等因素决定。在一般情况下,采用固定式气缸。在需要随工作机构连续回转时(如车床、磨床等),应选用回转气缸。在要求活塞杆除直线运动外,还需作圆弧摆动时,则选用轴销式气缸。有特殊要求时,应选择相应的特殊气缸。
3、作用力的大小
即缸径的选择。根据负载力的大小来确定气缸输出的推力和拉力。一般均按外载荷理论平衡条件所需气缸作用力,根据不同速度选择不同的负载率,使气缸输出力稍有余量。缸径过小,输出力不够,但缸径过大,使设备笨重,成本提高,又增加耗气量,浪费能源。在夹具设计时,应尽量采用扩力机构,以减小气缸的外形尺寸。
4、活塞行程
与使用的场合和机构的行程有关,但一般不选满行程,防止活塞和缸盖相碰。如用于夹紧机构等,应按计算所需的行程增加10~20㎜的余量。
5、活塞的运动速度
主要取决于气缸输入压缩空气流量、气缸进排气口大小及导管内径的大小。要求高速运动应取大值。气缸运动速度一般为50~800㎜/s。对高速运动气缸,应选择大内径的进气管道;对于负载有变化的情况,为了得到缓慢而平稳的运动速度,可选用带节流装置或气—液阻尼缸,则较易实现速度控制。选用节流阀控制气缸速度需注意:水平安装的气缸推动负载时,推荐用排气节流调速;垂直安装的气缸举升负载时,推荐用进气节流调速;要求行程末端运动平稳避免冲击时,应选用带缓冲装置的气缸。
气缸的选型
程序1:根据操作形式选定气缸类型:
气缸操作方式有双动,单动弹簧压入及单动弹簧压出等三种方式
程序2:选定其它参数:
1、选定气缸缸径大小根据有关负载、使用空气压力及作用方向确定
2、选定气缸行程工件移动距离
3、选定气缸系列
4、选定气缸安装型式不同系列有不同安装方式,主要有基本型、脚座型、法兰型、U型钩、轴耳型
5、选定缓冲器无缓冲、橡胶缓冲、气缓冲、油压吸震器
6、选定磁感开关主要是作位置检测用,要求气缸内置磁环
7、选定气缸配件包括相关接头
气缸的安装:
根据气缸的安装件的安装形式,可分为可拆式和固定式气缸。根据气缸安装形式可分为固定式、摆动式、嵌入式、回转气缸四种。
(1) 气缸安装前,应经空载试运转及在1.5倍**高工作压力下试压,运转正常和无漏气现象后放可使用。
(2) 汽缸接入管道前,必须清楚管道内赃物,防止杂物进入汽缸内。
(3) 在行程中载荷有变化时,应使用输出力充裕的气缸,并附加缓冲装置。
(4) 缓冲气缸在开始运行前,先把缓冲节流阀拧在节流两较小的位置,然后逐渐开大,直到调到没,满意的缓冲效果
(5) 不使用满行程,特别是当活塞杆伸出时,要使用活塞杆与缸盖相碰。否则,容易引起活塞杆和外部连接处的载荷集中。
气缸安装形式应根据安装位置、使用目的等因素决定。在一般情况下,采用固定式气缸。在需要随工作机构连续回转时(如车床、磨床等),应选用回转气缸。有特殊要求时,应选择相应的特种气缸。

发货时间
凡在当天16:30前付完款的,当日发货, 16:30后付款的第二天发货。如遇缺货或物流延迟等特殊情况,我们会电话通知买家。(大型促销活动期间订单除外)。订单确定前请务必核对数量与规格,付款前请核对收货人地址,如地址有误请及时联系我公司客服修改。每天已发完的订单正常情况下会在当晚21:00前上传订单,以便各位亲上网查询与跟踪您的货物。
**问题:我们的**是正规的**,我们集团开10个点的增值税.
运费问题:运费我们公司是采取运费到付政策。要是实在不方便顾客,可电话商量。

质量保证问题:只要持有我们公司正规**、均可享受我们公司的售后服务政策。
三个月包换、六个月包修、一年内非人为质量均可包修。

联系方式:QQ:3160835077.
电话联系:18608454301.
公司地址:浙江省乐清经济开发区纬18路319号。
公司支持:所有的非标准产品、电话联系均可支持定做




