| 最大载荷 | 256 |
|---|---|
| 适用机床 | 皆可 |
| 是否库存 | 是 |
| 是否批发 | 是 |
| 丝杆外径 | 50 |
| 品牌 | REXROTH/力士乐 |
| 型号 | R1512 |
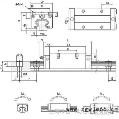
力士乐滚珠丝杆(实际也称之为STAR滚珠丝杆,约5年前补博世集团全资收购)主要是以内循环设计为主,目的是使滚珠功能作用均匀;滚道承接滚珠 的优化设计使运行特别顺畅;可调预紧单螺母;滚珠数量多而拥有很高的额定载荷;短的螺母结果;螺母无突出零件,便于安装;光滑的外表面 ;高校的防尘密封;很多系列都有备现货.
力士乐丝杠相较于其它品牌丝杠的特质:
1. 力士乐全部丝杠均采用内循环原理,结构紧凑简单,功能作用均匀.
2. 全部螺母只采用两个回珠器,滚道承接滚珠的优化设计,使得运行特别平稳顺畅.
3. 特别的高度防尘无缝隙唇型密封设计,使得力士乐丝杠螺母有极好的防尘密封性能.
4. 全部丝杠螺母的特性值D.n150000,使得丝杠特别适应高速度.
5. 所有不带预紧的同规格型号丝杠螺母均有互换性.
6. 极高的轴向承载能力和高刚性,极强的动态载荷和静态载荷能力.
7. 可调式单螺母也是力士乐公司独有.
上海准密专业供应rexroth力士乐-star带转向盖的法兰式单螺母 FBZ-E-S滚珠螺杆 螺母
部件号 规格
R2542-100-02 20*5R*3-4 REXROTH/STAR螺母
R2542-200-02 25*5R*3-4 REXROTH/STAR螺母
R2542-200-12 25*10R*3-4 REXROTH/STAR螺母
R2542-300-02 32*5R*3.5-4 REXROTH/STAR螺母
R2542-300-12 32*10R*3.969-5 REXROTH/STAR螺母
上海准密专业供应rexroth力士乐-star带转向盖的法兰式单螺母 FSZ-E-S
部件号 规格
R1502-1-1041 20 x 5R x 3 - 4 REXROTH/STAR螺母
R1502-2-1041 25 x 5R x 3 - 4 REXROTH/STAR螺母
R1502-2-4041 25 x 10R x 3 - 4 REXROTH/STAR螺母
R1502-3-1041 32 x 5R x 3,5 - 4 REXROTH/STAR螺母
R1502-3-4041 32 x 10R x 3,969 - 5 REXROTH/STAR螺母
R1502-3-7041 32 x 20R x 3,969 - 2 REXROTH/STAR螺母
R1502-4-1041 40 x 5R x 3,5 - 5 REXROTH/STAR螺母
R1502-4-4041 40 x 10R x 6 - 4 REXROTH/STAR螺母
R1502-4-7041 40 x 20R x 6 - 3 REXROTH/STAR螺母
上海准密专业供应rexroth力士乐-star带转向盖的法兰式单螺母 FEP-E-S
部件号 规格
R2522-100-11 20 x 40R x 3,5 - 1 x 4 REXROTH/STAR螺母
R2522-200-01 25 x 25R x 3,5 - 1,2 x 4 REXROTH/STAR螺母
R2522-300-01 32 x 32R x 3,969 - 1,2 x 4 REXROTH/STAR螺母
上海准密专业供应rexroth力士乐-star法兰式单螺母 FEM-E-C
规格 部件号
16 x 5 R x 3-4 R150201065 REXROTH/STAR螺母
16 x 10 R x 3-3 R150204085 REXROTH/STAR乐螺母
16 x 16 R x 3-3 R150206065 REXROTH/STAR螺母
20 x 5 R x 3-4 R150211085 REXROTH/STAR螺母
20 x 20 R x 3.5 -3 R150217065 REXROTH/STAR螺母
25 x 5 R x 3-4 R150221085,REXROTH/STAR螺母
25 x 10 R x 3-4 R150224085,REXROTH/STAR螺母
25 x 25 R x 3.5-3 R150228065,REXROTH/STAR螺母
32 x 5 R x 3.5-4 R150231085,REXROTH/STAR螺母
32 x 10 R x 3.969 -5 R150234086,REXROTH/STAR螺母
32 x 20 R x 3.969 -3 R150237065 ,REXROTH/STAR螺母
32 x 32 R x 3.969 -3 R150239065,REXROTH/STAR螺母
40 x 5 R x 3.5 -5 R150241086,REXROTH/STAR螺母
40 x 10 R x 6 -4 R150244085,REXROTH/STAR螺母
40 x 12 R x 6 -4 R150245065,REXROTH/STAR螺母
40 x 16 R x 6 -4 R150246065,REXROTH/STAR螺母
40 x 20 R x 6-3 R150247085,REXROTH/STAR螺母
40 x 40 R x 6-3 R150249065,REXROTH/STAR螺母
50 x 5 R x 3.5-5 R150251086,REXROTH/STAR螺母
50 x 10 R x 6-6 R150254086, REXROTH/STAR螺母
50 x 12 R x 6-6 R150255066,REXROTH/STAR螺母
50 x16 R x6-6 R150256066,REXROTH/STAR螺母
50 x 20 R x 6.5-5 R150257086,REXROTH/STAR螺母
50 x 40 R x 6.5-3 R150259065,REXROTH/STAR螺母
63 x 10 R x 6-6 R150264086,REXROTH/STAR螺母
63 x 20 R x 6.5-5 R150267086,REXROTH/STAR螺母
63 x 40 R x 6.5-3 R150269065,REXROTH/STAR螺母
80 x 10 R x 6.5-6 R150274086,REXROTH/STAR螺母
80 x 20 R x 9-6 R150277086,REXROTH/STAR螺母
80 x 20 R x 12.7-6 R150277066,REXROTH/STAR螺母
100 x 10 R x 6.5-6 R150284066,REXROTH/STAR螺母
100 x 20 R x 12.7-6 R150287066,REXROTH/STAR螺母
125 x 10 R x 6.5-6 R150294066,REXROTH/STAR螺母
125 x 20 R x 12.7-6 R150297066,REXROTH/STAR螺母
上海准密专业供应rexroth力士乐-star可调式无间隙单螺母 SEM-E-C
规格 部件号
16 x 5R x 3-4 R151201055,REXROTH/STAR螺母
16 x 10R x 3-3 R151204075,REXROTH/STAR螺母
16 x 16R x 3-3 R151206055,REXROTH/STAR螺母
20 x 5R x 3-4 R151211075,REXROTH/STAR螺母
20 x 20R x 3.5-3 R151217055,REXROTH/STAR螺母
25 x 5R x 3-4 R151221075,REXROTH/STAR螺母
25 x 10R x 3-4 R151224075,REXROTH/STAR螺母
25 x 25R x 3.5-3 R151228055,REXROTH/STAR螺母
32 x 5R x 3.5-4 R151231075,REXROTH/STAR螺母
32 x 10R x 3.969-5 R151234075,REXROTH/STAR螺母
32 x 20R x 3.969-3 R151237055,REXROTH/STAR螺母
32 x 32R x 3.969-3 R151239055,REXROTH/STAR螺母
40 x 5R x 3.5-5 R151241075,REXROTH/STAR螺母
40 x 10R x 6-4 R151244075,REXROTH/STAR螺母
40 x 12R x 6-4 R151245055,REXROTH/STAR螺母
40 x 20R x 6-3 R151247075,REXROTH/STAR螺母
40 x 40R x 6-3 R151249055,REXROTH/STAR螺母
50 x 5R x 3.5-5 R151251075,REXROTH/STAR螺母
50 x 10R x 6-6 R151254075,REXROTH/STAR螺母
50 x 12R x 6-6 R151255055,REXROTH/STAR螺母
50 x 20R x 6.5-5 R151257076,REXROTH/STAR螺母
50 x 40R x 6.5-3 R151259055,REXROTH/STAR螺母
63 x 10R x 6-6 R151264075,REXROTH/STAR螺母
63 x 20R x 6.5-5 R151267076,REXROTH/STAR螺母
63 x 40R x 6.5-3 R151269055,REXROTH/STAR螺母
80 x 10R x 6.5-6 R151274075,REXROTH/STAR螺母
80 x 20R x 9-6 R151277075,REXROTH/STAR螺母
80 x 20R x 12.7-6 R151277055,REXROTH/STAR螺母
上海准密专业供应rexroth力士乐-star法兰式单螺母 FEM-E-S
规格 部件号
8 x 2.5 R x 1.588-3 R153223003,REXROTH/STAR螺母
12 x 5 R x 2.5-3 R153246023,REXROTH/STAR螺母
12 x 10 R x 2-2 R153249013,REXROTH/STAR螺母
16 x 5 R x 3-4 R151201013,REXROTH/STAR螺母
16 x 10 R x 3-3 R151204013,REXROTH/STAR螺母
16 x 16 R x 3-2 R151206013,REXROTH/STAR螺母
20 x 5 R x 3-4 R151211013,REXROTH/STAR螺母
20 x 20 R x 3.5-2 R151217013,REXROTH/STAR螺母
25 x 5 R x 3-4 R151221013,REXROTH/STAR螺母
25 x 10 R x 3-4 R151224013,REXROTH/STAR螺母
25 x 25 R x 3.5-2 R151224013,REXROTH/STAR螺母
32 x 5 R x 3.5-4 R151231013,REXROTH/STAR螺母
32 x 10 R x 3.969-5 R151234013,REXROTH/STAR螺母
32 x 20 R x 3.969-2 R151237013,REXROTH/STAR螺母
32 x 32 R x 3.969-2 R151239013,REXROTH/STAR螺母
40 x 5 R x 3.5-5 R151241013,REXROTH/STAR螺母
40 x 10 R x 6-4 R151244013,REXROTH/STAR螺母
40 x 20 R x 6-3 R151247013,REXROTH/STAR螺母
40 x 40 R x 6-2 R151249013,REXROTH/STAR螺母
50 x 5 R x 3.5-5 R151251013,REXROTH/STAR螺母
50 x 10 R x 6-6 R151254013,REXROTH/STAR螺母
50 x16 R x6-6 R151256013,REXROTH/STAR螺母
50 x 20 R x 6.5-3 R151257013,REXROTH/STAR螺母
50 x 40 R x 6.5-2 R151259013,REXROTH/STAR螺母
63 x 10 R x 6-6 R151264013,REXROTH/STAR螺母
63 x 20 R x 6.5-3 R151267013,REXROTH/STAR螺母
63 x 40 R x 6.5-2 R151269013,REXROTH/STAR螺母
80 x 10 R x 6.5-6 R151274013,REXROTH/STAR螺母
80 x 20 R x 9-6 R151277013,REXROTH/STAR螺母
80 x 20 R x 12.7-6 R151277003,REXROTH/STAR螺母
100 x 10 R x 6.5-6 R150284002,REXROTH/STAR螺母
100 x 20 R x 12.7-6 R150287002,REXROTH/STAR螺母
120 x 10 R x 6.5-6 R150294002,REXROTH/STAR螺母
120 x 20 R x 12.7-6 R150297002,REXROTH/STAR螺母
上海准密专业供应rexroth力士乐-star可调式无间隙单螺母 SEM-E-S
8 x 2.5 R x 1.588-3 R153223004,REXROTH/STAR螺母
12 x 5 R x 2-3 R153246024,REXROTH/STAR螺母
12 x 10 R x 2-2 R153249014,REXROTH/STAR螺母
16 x 5 R x 3-4 R151201024,REXROTH/STAR螺母
16 x 10 R x 3-3 R151204014,REXROTH/STAR螺母
16 x 16 R x 3-2 R151206014,REXROTH/STAR螺母
20 x 5 R x 3-4 R151211014,REXROTH/STAR螺母
20 x 20 R x 3.5-2 R151217014,REXROTH/STAR螺母
25 x 5 R x 3-4 R151221014,REXROTH/STAR螺母
25 x 10 R x 3-4 R151224014,REXROTH/STAR螺母
25 x 25 R x 3.5-2 R151228014,REXROTH/STAR螺母
32 x 5 R x 3.5-4 R151231014,REXROTH/STAR螺母
32 x 5 L x 3.5-4 R155231004,REXROTH/STAR螺母
32 x 10 R x 3.969-5 R151234014,REXROTH/STAR螺母
32 x 20 R x 3.969-2 R151237014,REXROTH/STAR螺母
32 x 32 R x 3.969-2 R151239014,REXROTH/STAR螺母
40 x 5 R x 3.5-5 R151241014,REXROTH/STAR螺母
40 x 5 L x 3.5-5 R155241004,REXROTH/STAR螺母
40 x 10 R x 6-4 R151244014,REXROTH/STAR螺母
40 x 10 L x 6-4 R155244004,REXROTH/STAR螺母
40 x 20 R x 6-3 R151247014,REXROTH/STAR螺母
40 x 40 R x 6-2 R151249014,REXROTH/STAR螺母
50 x 5 R x 3.5-5 R151251014,REXROTH/STAR螺母
50 x 10 R x 6-6 R151254014,REXROTH/STAR螺母
50 x 20 R x 6.5-3 R151257014,REXROTH/STAR螺母
50 x 40 R x 6.5-2 R151259014,REXROTH/STAR螺母
63 x 10 R x 6-6 R151264014,REXROTH/STAR螺母
63 x 20 R x 6.5-3 R151267014,REXROTH/STAR螺母
63 x 40 R x 6.5-2 R151269014,REXROTH/STAR螺母
80 x 10 R x 6.5-6 R151274014,REXROTH/STAR螺母
80 x 20 R x 9-6 R151277014,REXROTH/STAR螺母
80 x 20 R x 12.7-6 R151277004,REXROTH/STAR螺母
上海准密专业供应rexroth力士乐-star圆柱式单螺母 ZEM-E-S
8 x 2.5 R x 1.588-3 R153223002,REXROTH/STAR螺母
12 x 5 R x 2-3 R153246023,REXROTH/STAR螺母
12 x 10 R x 2-2 R153249022,REXROTH/STAR螺母
16 x 5 R x 3-4 R151201022,REXROTH/STAR螺母
16 x 10 R x 3-3 R151204012,REXROTH/STAR螺母
16 x 16 R x 3-2 R151206012,REXROTH/STAR螺母
20 x 5 R x 3-5 R151211012,REXROTH/STAR螺母
25 x 5 R x 3-4 R151221012,REXROTH/STAR螺母
25 x 10 R x 3-4 R151224012,REXROTH/STAR螺母
25 x 25 R x 3.5-2 R151228012,REXROTH/STAR螺母
25 x 25 R x 3.5-3 R151228052,REXROTH/STAR螺母
32 x 5 R x 3.5-4 R151231012,REXROTH/STAR螺母
32 x 10 R x 3.969-5 R151234012,REXROTH/STAR螺母
32 x 20 R x 3.969-2 R151237012,REXROTH/STAR螺母
32 x 20 R x 3.969-3 R151237052,REXROTH/STAR螺母
32 x 32 R x 3.969-2 R151239012,REXROTH/STAR螺母
32 x 32 R x 3.969-3 R151239052,REXROTH/STAR螺母
40 x 5 R x 3.5-5 R151241012,REXROTH/STAR螺母
40 x 10 R x 6-4 R151244012,REXROTH/STAR螺母
40 x 20 R x 6-3 R151247012,REXROTH/STAR螺母
40 x 40 R x 6-2 R151249012,REXROTH/STAR螺母
40 x 40 R x 6-3 R151249052,REXROTH/STAR螺母
50 x 5 R x 3.5-5 R151251012,REXROTH/STAR螺母
50 x 10 R x 6-6 R151254012,REXROTH/STAR螺母
50 x 20 R x 6.5-3 R151257012,REXROTH/STAR螺母
63 x 10 R x 6-6 R151264012,REXROTH/STAR螺母
上海准密专业供应rexroth力士乐-star法兰式双螺母 FDM-E-C
部件号 规格
R1502-0-1055 16 x 5R x 3 - 4 REXROTH/STAR螺母
R1502-1-1075 20 x 5R x 3 - 4 REXROTH/STAR螺母
R1502-2-1075 25 x 5R x 3 - 4 REXROTH/STAR螺母
R1502-2-4075 25 x 10R x 3 - 4 REXROTH/STAR螺母
R1502-3-1075 32 x 5R x 3.5 - 4 REXROTH/STAR螺母
R1502-3-4076 32 x 10R x 3.969 - 5 REXROTH/STAR螺母
R1502-4-1076 40 x 5R x 3.5 - 5 REXROTH/STAR螺母
R1502-4-4075 40 x 10R x 6 - 4 REXROTH/STAR螺母
R1502-4-4076 40 x 10R x 6 - 6 REXROTH/STAR螺母
R1502-4-7075 40 x 20R x 6 - 3 REXROTH/STAR螺母
R1502-5-1076 50 x 5R x 3.5 - 5 REXROTH/STAR螺母
R1502-5-4075 50 x 10R x 6 - 4 REXROTH/STAR螺母
R1502-5-4076 50 x 10R x 6 - 6 REXROTH/STAR螺母
R1502-5-7076 50 x 20R x 6.5 - 5,REXROTH/STAR螺母
R1502-6-4075 63 x 10R x 6 - 4 REXROTH/STAR螺母
R1502-6-4076 63 x 10R x 6 - 6 REXROTH/STAR螺母
R1502-6-7076 63 x 20R x 6.5 - 5 REXROTH/STAR螺母
R1502-7-4076 80 x 10R x 6.5 - 6 REXROTH/STAR螺母
R1502-7-7046 80 x 20R x 12.7 - 6 REXROTH/STAR螺母
R1502-8-4056 100 x 10R x 6.5 - 6 REXROTH/STAR螺母
R1502-8-7056 100 x 20R x 12,7 - 6 REXROTH/STAR螺母
R1502-9-4056 125 x 10R x 6.5 - 6 REXROTH/STAR螺母
R1502-9-7056 125 x 20R x 12.7 - 6 REXROTH/STAR螺母
上海准密专业供应rexroth力士乐-star法兰式双螺母 FDM-E-S
部件号 规格
R1502-0-1023 16 x 5R x 3 - 4 REXROTH/STAR螺母
R1502-1-1033 20 x 5R x 3 - 4 REXROTH/STAR螺母
R1502-2-1033 25 x 5R x 3 - 4 REXROTH/STAR螺母
R1502-2-4033 25 x 10R x 3 - 4 REXROTH/STAR螺母
R1502-3-1033 32 x 5R x 3.5 - 4 REXROTH/STAR螺母
R1502-3-4033 32 x 10R x 3.969 - 5 REXROTH/STAR螺母
R1502-4-1033 40 x 5R x 3.5 - 5 REXROTH/STAR螺母
R1502-4-4033 40 x 10R x 6 - 4 REXROTH/STAR螺母
R1502-4-4034 40 x 10R x 6 - 6 REXROTH/STAR螺母
R1502-4-7033 40 x 20R x 6 - 3 REXROTH/STAR螺母
R1502-5-1033 50 x 5R x 3.5 - 5 REXROTH/STAR螺母
R1502-5-4033 50 x 10R x 6 - 4 REXROTH/STAR螺母
R1502-5-4034 50 x 10R x 6 - 6 REXROTH/STAR螺母
R1502-5-7034 50 x 20R x 6.5 - 5 REXROTH/STAR螺母
R1502-6-4033 63 x 10R x 6 - 4 REXROTH/STAR螺母
R1502-6-4034 63 x 10R x 6 - 6 REXROTH/STAR螺母
R1502-6-7034 63 x 20R x 6.5 - 5 REXROTH/STAR螺母
R1502-7-4034 80 x 10R x 6.5 - 6 REXROTH/STAR螺母
R1502-7-7004 80 x 20R x 12.7 - 6 REXROTH/STAR螺母
R1502-8-4024 100 x 10R x 6.5 - 6 REXROTH/STAR螺母
R1502-8-7024 100 x 20R x 12.7 - 6 REXROTH/STAR螺母
R1502-9-4024 125 x 10R x 6.5 - 6 REXROTH/STAR螺母
R1502-9-7024 125 x 20R x 12.7 - 6 REXROTH/STAR螺母




