| 精度等级 | P2,P4,P4A(UP),P5 |
|---|---|
| 内径 | 15 |
| 外径 | 60 |
| 用途 | 机床丝杠 |
| 重量 | 450 |
| 滚动体类型 | 圆柱滚子 |
| 样品或现货 | 样品 |
| 滚动体列数 | 单列 |
| 滚道类型 | 圆柱滚道 |
| 使用特性 | 高精度,高刚性,高承载 |
| 品牌 | 鸿元轴承 |
| 型号 | 滚珠丝杠轴承 |
| 保持架及其材料 | 尼龙 |
| 轴承材质 | 轴承钢 |
| 组配方式 | PBC,PBT,PFC,QBT,QFT,TFT,TT,df,dt,qbc,qt |
| 密封盖 | 无密封 |
| 滚动体 | 滚子 |
随着机床装备技术的发展,高精度、高效率成为当前机械行业的重要技术特点,机床滚珠丝杠支承轴承逐渐放弃传统的配对角接触球的结构模式,转而采用滚针/推力圆柱滚子轴承的结构形式。
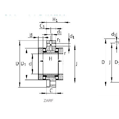
滚针/推力圆柱滚子轴承采用外圈加厚的滚针轴承和两列推力圆柱滚子轴承的组合结构,可以承受更大的径向/轴向载荷,具备更高的径向/轴向刚性,同时该系列轴承轴向跳动精度可达1μm,特别符合当前机械加工行业所要求的高精度,高承载,高效率的特点。
产品特性
滚针/推力圆柱滚子轴承包括一个加厚的外圈、滚针保持器组件、滚针内圈、两个推力圆柱滚子保持器组件和两个推理轴圈,相当于一套滚针轴承和两套推力圆柱滚子轴承的组合轴承,两个推力圆柱滚子轴承中心和滚针轴承中心重合。
滚针/推力圆柱滚子轴承可以承受两个方向的轴向力、径向力和倾覆力矩。
滚针/推力圆柱滚子轴承按照外圈安装方式的差异可以分为螺栓安装和非螺栓安装两个类型系列
产品参数:


产品示意图:


产品图:






