| 品牌 | 常州精控电机 |
|---|---|
| 型号 | JK42HS40-0406 |
本公司供应两相混合式步进电机,品牌常州精控电机,型号JK42HS40-0406。质量保证,欢迎咨询洽谈。
常州精控电机电器有限公司专业从事步进电机、直流无刷电机、直流有刷电机以及驱动器的设计,生产制造的高科技企业.
精控电机坚持以人为本,秉承**,质量至上”的经营理念,采用**的原材料和精良的工艺制造,实行严格的质量管理。产品性能在国内处于**水平.
我们生产的步进电机品种齐全,有较高的技术研发能力和充足的材料供应。我们步进电机的产品系列有20mm,28mm,35mm,39mm,42mm,57mm,60mm,86mm,110mm,130mm.两相,三相以及四相混合式步进电机, 以及配套的驱动器 JK0220,JK1545,JK2060AC等系列。直流无刷电机的产品系列有42BLS,57BL(S),86BLS,以及配套的直流无刷驱动器。
所以产品均取得欧盟CE认证以及符合ROHS要求。应用领域涉及机器人,工业电子自动化设备,医疗器械,广告器材,印刷设备,纺织机械等。已大量出口到美国、德国、意大利、西班牙、英国、墨西哥、巴西等二十多个**。
我们可以根据客户要求,提供专业的OEM 服务。定制生产高品质的产品。热忱欢迎国内外客户前来洽谈合作!
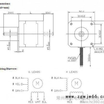
1.8度 两相混合式步进电机 42mm(NEMA17) 42HS40-1684
| 原产地: | 中国江苏常州 |
| 商标名称: | JK |
| 型号: | JK42HS40-1684 |
| 认证: | CE,ROHS ,ISO9001 |
产品商务条款:
| **小订量: | 1台~5台 |
| 价格: | 4-8美元 |
| 包装细节: | 出口纸箱 |
| 交货时间: | 单个, 7-10 天 一批, 15-25天. |
| 付款方式: | 电汇、信用证、贝宝、西部联盟 |
| 供货能力: | 200000台/月 |
电机规格:
| 型号 | 步距角 | 长度 | 电流 | 电阻 | 电感 | 静转矩 | 引线数 | 定位转矩 | 转子惯量 | 重量 |
| Mm/step | (L)mm | A | Ω | mH | N.m | No. | g.cm | Kg.cm2 | Kg | |
| JK42HS40-1684 | 1.8 | 40 | 1.68 | 1.65 | 3.2 | 3.6 | 4 | 150 | 54 | 0.28 |
匹配的步进电机驱动程序:JK0220 , JK0230
关于我们的公司和我们的产品:


为什么你选择我们公司:
我们是一个专业生产步进电机、步进驱动,无刷直流电机和直流电机。我们可以提供OEM服务。
我们的产品都与CE和ROHS。
欢迎你来我们公司参观常州J精控电机电器有限公司,有限公司
//www.jkongmotor.cn/about.html
依靠先进的技术和**服务,我们建立一个良好的和勤奋的团队,保持好与大量有价值的客户业务关系在全球市场。我们准备在有竞争力的价格提供**好的产品给客户。
高质量的。
有竞争力的价格,
包装好,
快速交付。
**服务
先进的技术
相信我们会做到**好!




