额定功率:36
工作压力:2-8
起订:1副
供应:1000000副
发货:3天内
| 额定功率 | 36 |
|---|---|
| 工作压力 | 2-8 |
| 技术 | 选择性非催化还原技术(SNCR) |
| 林格曼黑度 | 5级 |
| 外形尺寸 | 900 |
| 噪声 | 0-20dB |
| 分类 | 燃烧后脱硝 |
| 品牌 | 绿球 |
| 型号 | LQ-CFB |
| 加工定制 | 是 |
| 使用温度范围 | 1360 |
| 脱硝率 | 75 |
河北绿球环保科技有限公司注册资金2200万,是国内环保产业的领军企业,为中国目前**大的大气环保装备研发制造商,专业致力于大气污染控制、污水处理和土壤修复的环保产品的研发、设计、制造、安装、调试、运营。公司先后引进美国、德国、日本等****先进的环保技术,开发生产脱硫脱硝核心设备、电控设备等系列产品。掌握多项如何保障烟气脱硫脱硝高效、稳定、安全和经济运行技术**。多年来为众多企业解决了技术难题。公司产品在电力、化工、建材等行业得到广泛应用,产品遍销全国34个省、市、自治区,并出口欧洲、亚洲、南美洲等三十多个**和地区,为节能减排和保护环境做出了突出的贡献。
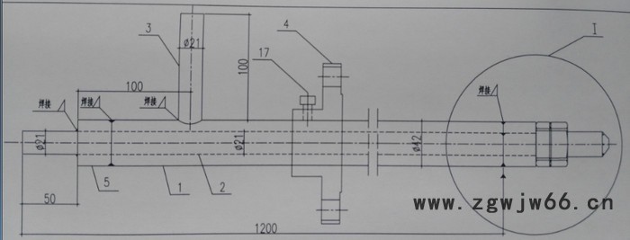
河北绿球环保科技有限公司循环流化床锅炉专用喷枪特点(同比以上喷枪) | |
绿球 | 尾部和喷头两次雾化,提高脱硝效率,降低还原剂量耗,减少氨逃逸,不会对浇注料冲刷。 |
| 喷头采用特种耐磨合金保护枪头,使用寿命增加2倍以上,避免频繁更换喷枪给企业节省运行成本 |
| 不需要冷却风进行冷却降温,不需要冷却风、不使用时不需要拔出、也不会烧坏,减少压缩机耗能节省成本 |
| 耐高温1260℃以上,连接快接、容易检修、保养、维护
|
| 采用枪尾部雾化、即便喷嘴损坏,喷枪仍能保持良好雾化效果,克服了现阶段脱硝喷枪的种种问题。保障了脱硝的安全高效、稳定及经济运行。给企业大大节省了成本。
|
| 喷嘴与枪体采用螺纹连接,喷嘴需要更换时,不需要连同枪体一起更换,为企业降低成本
|
| 相对而言雾化雾滴直径为50~70微米,还原剂与烟气中的氮氧化物接触更加均匀,反应更加充分,脱硝效率更高,运行费用更低。
|
| 调节范围更大,便于控制 |






