品牌:精钢
材质:ABS
类型:工控壳体
起订:1个
| 材质 | ABS |
|---|---|
| 类型 | 工控壳体 |
| 适用范围 | 通信 |
| 外形尺寸 | 250*110*60 |
| 颜色 | 黑色 |
| 品牌 | 精钢 |
| 型号 | 3-15 |
| 加工定制 | 否 |
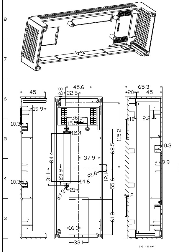
PLC工控壳 仪表壳体 控制器外壳
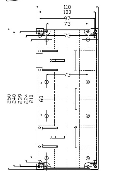
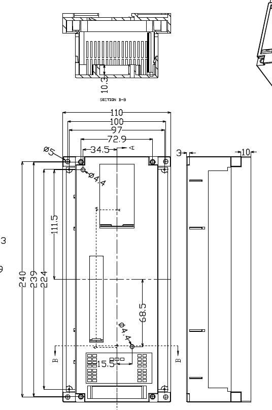
3-15:250X110X60黑色8个柱子
产品编号:3-15
尺寸:250X110X60MM
材料及配件:上下壳均为ABS新料 卡扣POM 配送4颗安装螺钉
颜色:黑色
批量订购颜色和材质可定制
面盖可按要求加工,量大单价有优惠
壳体双边可装端子,配24P端子排,
以下图纸仅供参考,具体请以实物为准






