材质:铜合金
连接形式:快装
起订:1
供应:100
| 材质 | 铜合金 |
|---|---|
| 连接形式 | 快装 |
| 品牌 | 其他 |
| 型号 | xs |
| 加工定制 | 是 |
采用多个喷嘴测量流量时,可按下图制做流量测量装置,将喷嘴安装在隔板上,隔板前后有静压测孔,并连成静压环,喷嘴前后加装整流孔板

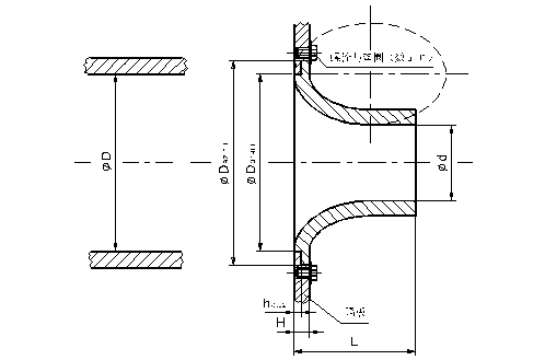
本公司生产的喷嘴采用**标准GB/T 2624—93《流量测量节流装置 用孔板、喷嘴和文丘里管测量充满圆管的流体流量》制造,等效采用国际标准ISO 5167—(1991)《用压差装置测量流量 **部分:安装在充满流体的圆形截面管道中的孔板、喷嘴和文丘里管》,本标准也符合美国供热空调制冷工程师协会和美国空气流动和调节协会标准。喷嘴的结构型式为上述标准中规定的长径低比值喷嘴(0.20≤d/D≤0.50,d—喷嘴喉部直径;D—上游管道内径。)
| ◆采用**标准GB/T 2624 ◆等效采用国际标准ISO 5167 ◆符合美国供热制冷和空调工程师协会标准ASHRAE 51 ◆符合美国空气流动和调节协会标准ANCA 210 |
充满管道的流体流经管道内的节流装置,流束将在节流件处形成局部收缩,从而使流速增加,静压力降低,于是在节流件前后产生了静压力差(或称压差)。流体的流速越大,在节流件前后产生的压差也越大,所以可通过测量压差来衡量流体流过节流装置时的流量大小,这种测量方法是以能量守恒定律和流动连续性方程为基础的。 |


