品牌:精久/KINGSCALE
分辨率:**大检定分度数 n =2000
材料:铝合金
起订:1只
供应:5000只
| 分辨率 | 最大检定分度数 n =2000 |
|---|---|
| 材料 | 铝合金 |
| 防护等级 | lp65 |
| 灵敏度 | 输出灵敏度:mV/V 1.5±0.1 |
| 漂移 | 温度零点漂移:0.003 |
| 输出信号 | 模拟型 |
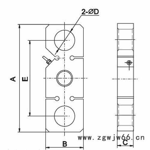
| 外形尺寸 | 272x90 |
| 线性度 | 精度等级C3 |
| 制作工艺 | 传感器工艺 |
| 种类 | 称重传感器 |
| 重复性 | 综合误差RO% ≤ ±0.030 |
| 材料物理性质 | 稳定 |
| 材料晶体结构 | 铝合金金属结构 |
| 品牌 | KINGSCALE |
| 型号 | YZC-531 |
| 加工定制 | 否 |
称重传感器 YZC-531
用途:料斗秤,配料系统等设备使用
量程:81012t,另有 35、15--30、100t可选

南京精久电子衡器有限公司,是专业从事电子衡器研制开发设计制造和销售的企业。
产品有:一。电子汽车衡类(地中衡、地上衡、防爆汽车衡、数字汽车衡、汽车地磅、地磅、地秤等);二。电子吊秤类(普通直示吊秤、无线数传吊秤、耐高温吊秤、吊钩秤、吊磅、吸盘秤等);三。电子台秤类(电子秤、平台秤、移动台秤、移动磅等);四。称重传感器类(汽车衡传感器、地磅传感器、台秤传感器、吊秤传感器、反应釜称重传感器、计价秤计数秤传感器、配料秤传感器、料斗秤传感器、机电改造传感器、测力传感器、荷重元、S型传感器、拉压式传感器、悬臂梁传感器、平行梁传感器、箱式传感器、轮辐式传感器、钢球式传感器、柱式传感器、波纹管传感器、板环式传感器、鱼背式传感器、数字式传感器、防爆传感器、);五。称重控制显示器类(称重显示仪表、定值称重控制器、反应釜称重系统、专用配料控制系统、汽车衡仪表、地磅仪表、台秤仪表等);六。电子衡器配套件(电子校准砝码、高精度砝码、不锈钢砝码、地磅校准砝码、检定砝码、铸铁砝码、锁型砝码、柱式砝码、传感器接线盒、传感器信号调整器等)。





