加工定制:是
公称通径:32(mm)
起订:1个
供应:1000个
| 加工定制 | 是 |
|---|---|
| 公称通径 | 32(mm) |
| 连接形式 | 螺纹 |
| 用途 | 止回 |
| 驱动方式 | 脉冲 |
| 零部件及配件 | 阀体 |
| 标准 | 国标 |
| 外形 | 中型 |
| 压力环境 | 常压 |
| 类型(通道位置) | 直通式 |
| 适用介质 | 油品 |
| 形态 | 柱塞式 |
| 材质 | 铸钢 |
| 工作温度 | 常温 |
| 规格 | DIF-L32H1 |
| 品牌 | 君宝液压 |
| 型号 | DIF-L32H1 |
| 加工定制:是 | 公称通径:32(mm) |
| 材质:铸钢 | 连接形式:螺纹 |
| 用途:止回 | 驱动方式:脉冲 |
| 零部件及配件:阀体 | 标准:国标 |
| 外形:中型 | 压力环境:常压 |
| 工作温度:常温 | 类型(通道位置):直通式 |
| 适用介质:油品 | 形态:柱塞式 |
| 规格:DIF-L32H1 |
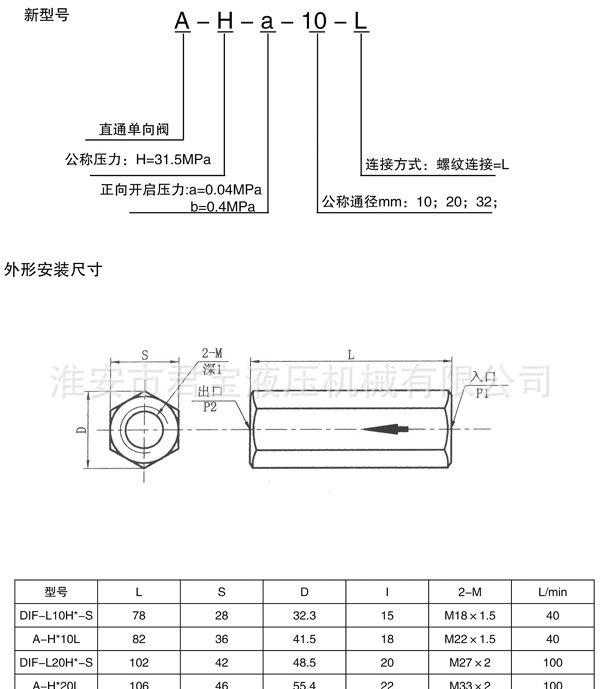
DIF系列直通单向阀又称止回阀或逆止阀。用于液压系统中,以控制油液的沟通和切断。本公司生产的单向阀有直通式单向阀、直角式单向阀、可控单向阀、液控单向阀等多个品种,并可与溢流阀,减压阀,顺序阀,节流阀等并联组成单向溢流阀,单向顺序阀等。如需详细资料请联系本公司15051382880






