表面处理:电镀
材质:合金
起订:1000个
供应:1000000个
发货:10天内
| 表面处理 | 电镀 |
|---|---|
| 材质 | 合金 |
| 适用机型 | 特殊 |
| 应用范围 | 机械工业 |
| 质量 | 三方 |
| 是否可定制 | 是 |
| 头型 | 圆柱头 |
| 标准类型 | 国标 |
| 品牌 | Cummins/康明斯 |
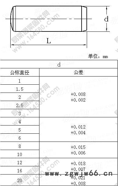
| 型号 | 销轴引用标准 GB/T90.1 紧固件 验收检查(GB/T90.1-2002,IDC IS |
| 材料等级 | 铝及铝合金 |
| 规格(长*宽*高) | 2-200mm |
| 所在地区 | 江苏 |
| 是否原厂 | 是 |
本公司供应匠信匠信,质量保证,欢迎咨询洽谈苏州匠信电子科技有限公司是一家专业生产精密车削件和精密紧固件产品为主,产品有铜、铁、铝、不锈钢等多种材质的压铆件、铆钉、嵌件、螺母、面板紧固件、接合器紧固件、微型紧固件、定位销、碰焊钉、pem压铆螺母、焊接螺丝螺母、镀锡螺母,镀锡螺丝,热熔螺母、转轴、铜镶件、手拧螺丝、组合螺钉、机牙螺钉、自攻、木牙螺钉、异型螺丝等各种标准件、非标件,产品广泛运用于电子、机械、钣金、能源、汽车、通讯……等领域,压铆螺母柱又称压铆螺柱或螺母柱,是应用于钣金、薄板、机箱、机柜的一种紧固件,压铆螺母柱其外形一端呈六角形,另一端为圆柱状,六角边与圆柱状中间有一道退刀槽,其内形为内螺纹,通过压力机将六角头压入薄板的预置孔内(预置孔的孔径一般略大于压铆螺柱的圆柱外径)使孔的周边产生塑性变形,变形部分被挤入压铆螺母柱的退刀槽内,使压铆螺母柱铆紧于薄板上,从而在薄板上形成一下有效固定的内螺纹。压铆螺母柱的简介编辑
压铆螺柱从使用要求上的不同可分为通孔型压铆螺柱和盲孔压铆螺柱两种,值得注意的是,通孔压铆螺柱到一定长度后均为通孔半牙的标准。 压铆螺母柱从材质和内螺纹的形式上分为快削钢通孔压铆螺母柱SO型、不锈钢通孔压铆螺母柱SOS型、快削钢盲孔压铆螺母柱BSO型和不锈钢盲孔压铆螺母柱BSOS型四种,分别应用于不同的使用环境。 ?压铆螺母柱没有特定的**标准,早期的生产商来自于美国,被引入国内后逐步形成了**的行业标准。国内的生产商大多来自于江苏的苏州和广东的深圳等地区。
压铆螺母柱优点SO(SOS)自铆式通孔螺母柱,广泛应用于金属板材、控制箱及电源柜等产品壁板的镶嵌工艺。其结构的特殊性,装配时,只需将螺母柱放入金属板的孔中,以“压铆”作业实现,具有以下的优点 :
1、实现了距离范围的长度保证,大大简化了装配过程,并加快装配式间距面板和配件的生产进度;;
2、板材背面保持完全嵌平,同时保证了螺母柱头部与板材平面光滑;
3、原材料采用易切削铁或易切削不锈钢;
螺母柱应用技术指南
1、选用螺母柱时,必须根据所用板材的厚度,确实尺寸范围,低碳钢板材硬度必须小于70RB,不锈钢板材硬度必须小于80RB。
2、易切削铁表面进行处理,不锈钢保持原色,用户可根据需要按表中型号规格定货, 也可根据需要特别订制。
3、板材孔尺寸必须照0-+0.075mm的公差尺寸进行加工,建议冲孔。
4、安装必须通过“压铆”作业实现,切不能冲击敲入。
5、材料选用不锈钢时,尾部号用“S”注明。
6、螺母柱端面为直纹齿的用“C”表示。
7、通孔螺母柱长度10mm以下皆为满丝,在10mm以上可六角端面方(Ⅰ型)或圆端面方面扩孔(Ⅱ型)
压铆螺柱的材料
用于生产压铆螺柱的材料有碳钢、中碳钢、不锈钢。使用碳钢或中碳钢生产的压铆螺母柱要热处理和表面镀锌或镀镍。
压铆螺母柱的生产
生产压铆螺母柱设备为台湾精密自动车床,主轴配有五组刀具,装有微调螺丝,打孔、攻牙、铣边、倒角同时一次加工完成,同心度准确无误,表面光洁没有车刀痕迹。
压铆螺母柱的使用
压铆螺母柱可在0.5mm厚的薄板上进行铆压安装,铆压后可在上面形成一个牢固的内螺纹。采用铆压设备平行的在头部向下压入,利用压铆螺柱的六角边和钣金咬合,防止滑动和脱落。
型号
1、.压铆螺柱 类型:B , BS
2、压铆螺母柱 类型:SO , SOA , SOS , BSO , BSOA , BSOS , SO4 , BSO4 , TSO , TSOS, TSOA
3、埋头压铆螺钉 类型:CHA , CHC , CFHA , CFHC
.4、埋头压铆镙柱 类型:CSS , CSOS
.5、压铆螺母柱 类型:DSO , DSOS
我们以卓越的品质,良好的信誉,与您携手并进,共创双赢!









