品牌:GW SMC LEESON MARATHON LINCOLN
产品类型:三相异步电动机
产品认证:CCC
起订:10000台
供应:10000台
| 产品类型 | 三相异步电动机 |
|---|---|
| 产品认证 | CCC |
| 额定电压 | 220/380(V) |
| 额定功率 | 370W |
| 额定转速 | 1400(rpm) |
| 极数 | 4极 |
| 频率 | 50HZ |
| 适用范围 | 传动设备 |
| 效率 | 69.5 |
| 品牌 | SMC |
| 型号 | YSJ7124 |
| 加工定制 | 是 |
【购买须知】
1.买家在购买前请确认好产品的规格型号、相关参数要求,以利卖家准确报价。
2.由于电机的型号繁多,不能一一列举;特殊要求者,可个性化定制,请电联。详情以来电咨询为准,真诚期待与您的合作,也希望能把我们**好的服务**质的产品传递给您!
咨询热线:17321012408(赵先生)
YSJ7124 370W 220/380V 1400RPM 50HZ IP55
YS(X)J系列压铸铝机壳三相异步电动机包括:63,71,80,90四个机座;电动机符合IEC标准,效率符合**能效标准。该系列电机根据NEMA标准派生出适合美国及北美地区使用,符合美国**能源机构核准的超高效(YXJ)电动机。


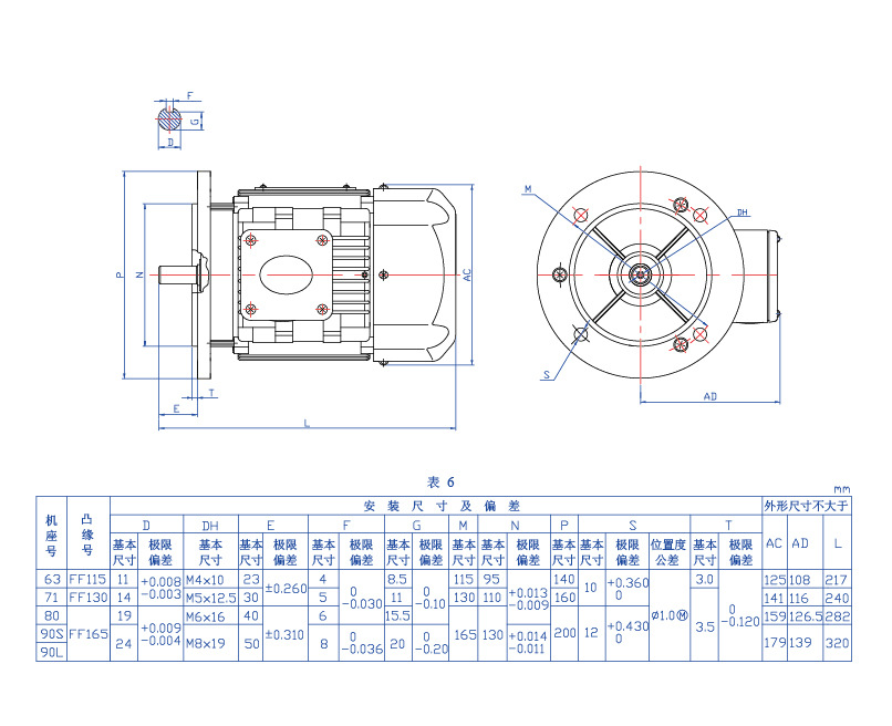
B5结构:

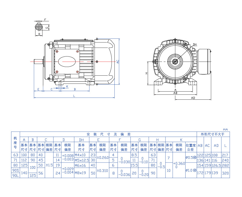
B3结构

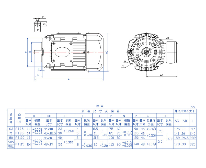
B14结构:

上海金陵电机股份有限公司是一家专业的电机制造商和销售商。前身为上海微型电机厂,创建于1952年,公司专注于智能高效与超高效电机的研发、制造、销售和服务。2002~2014年,曾经是美国雷戈电气集团在中国的合资企业之一。主要生产销售符合NEMA标准和IEC标准的单、三相交流异步电动机、有刷 / 无刷直流电动机,控制电机及其他专用电动机。使用“GW” 、“AG-I”和“SMC”品牌。目前,70%以上的产品销往美国、加拿大、南美、欧洲、日本等**和地区。公司产品主要应用在风机-通风设备、农用机械、清洗装备、泵类、液压装置和传动设备等工业领域。
为了满足客户的需求,公司的产品分别通过UL、CSA、CE和CCC的认证,产品所用的材料符合RoHS规定。
公司实验室从2007年起**分别获得UL和CSA的认可,可在公司内部对需要的产品进行UL和CSA的认证试验。
地址:上海市奉贤区林海公路6838号
邮箱:cindy.zhang@gwindustry.com
传真:021-58427041
网址://www.gwindustry.com
联系人:17321012408(赵先生)





