分享好友 火爆供应首页 频道列表
1/5
供应荣世电器28BYGH混合式步进电机电机图1供应荣世电器28BYGH混合式步进电机电机图2供应荣世电器28BYGH混合式步进电机电机图3

供应荣世电器28BYGH混合式步进电机电机

2021-12-17 00:156670询价
价格:电议
品牌:荣世电器
型号:28BYGH
起订:1
发货:10天内
品牌 荣世电器
型号 28BYGH

 

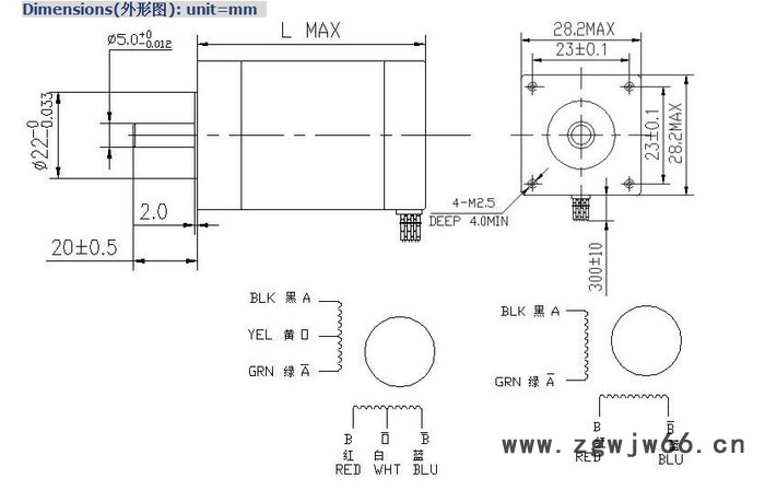
Electrical Specifications(技术数据):  
型号SeriesModel 步距角StepAngle(°)机身长MotorLength(mm)电流RatedCurrent(A)电阻PhaseResistance(Ω)电感PhaseInductance(mH)静力矩HoldingTorque(N.cm Min)定位力矩DetentTorque(N.cm Max)转动惯量RotorInertia(g.cm2)引线数LeadWire(No.)重量MotorWeight(g)
11HY24061.8280.64.22.24.50.364105
11HY240351.8280.35125.84.50.364105
11HY34061.8330.65.53.26.00.484110
11HY340351.8330.35159.26.00.484110
11HY44061.8410.67.06.06.00.5114140
11HY440351.8410.3520156.00.5114140
11HY54061.8500.69.07.2100.8134180
11HY540351.8500.352418.5100.8134180
*We can manufacture prodicts according to customer's requirement.以上仅为代表性产品,派生产品可根据客户要求制作!

反对 0
举报 0
收藏 0
评论 0
联系方式
其他
商铺 客服
收藏
 
已经到底线啦