标称容量:C
产品等级:优级品
起订:10串
供应:9999串
发货:10天内
| 标称容量 | C |
|---|---|
| 产品等级 | 优级品 |
| 应用范围 | 高压 |
| 介质材料 | 陶瓷 |
| 品牌 | AnXon |
| 型号 | CT8SA |
技术参数
? 多达16个阶段的多种设计
? 额定电压范围 (V): 8KVdc-30KVdc
? 容量范围: 100pF - 2400pF
? 带有二极管的组件,根据要求提供其他版本
? 工作频率范围: 50HZ-100KHZ
? 尺寸小,可根据要求提供要求提供无铅版本
? 主要陶瓷介质: SL, N4700, Y5T
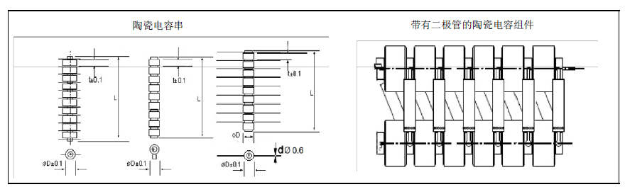
尺寸图
所有的电容,电压,片数,二极管均可按照您的要求定制。
产品应用
安讯高压陶瓷电容串已经广泛应用于静电喷涂倍压模块电路和典型手持式高压静电喷枪内置高压模块,高压直流发电机,医学诊断,牙科X射线,工业X射线,低频直流高压电源,材料控制的工业X射线,机场保安的X射线扫描仪,低功耗电压倍增器,等民用领域。
质量控制
安讯电子生产交付的每一颗高压电容产品都经过严谨的设计标准,精密的生产设备,先进的生产工艺,严格的测试流程是安讯超高压陶瓷电容的质量保证,也是我们不断发展壮大的核心。
企业优势
慈溪安讯电子有限公司自成立以来,一直致力于向客户提供成熟,可靠以及定制化的电子元器件,经过十几年的发展,目前陶瓷电容产品已成功替代进口国际品牌AVX, TDK, Murata, Vishay并大量出口北美,南美,欧洲,中东及东南亚市场。特别是高压螺母陶瓷电容器,高压引线型圆片式陶瓷电容器,高压陶瓷电容器组件,高频高功率陶瓷电容器,高压贴片陶瓷电容器,高温陶瓷电容器深受广大国内外客户的信赖。 安讯电子欢迎八方来客的加盟,坚守诚信立本的原则,竭诚为您服务.


由于商品型号繁多,部分产品价格因具体参数不同而异,无法标出准确价格,因此网上价格仅为参考价格,
准确价格请咨询。









