分享好友 火爆供应首页 频道列表
1/5
苏州市电动机保护器厂家安科瑞ARD2F-100/M+90L电动机保护器模拟量输入图1

苏州市电动机保护器厂家安科瑞ARD2F-100/M+90L电动机保护器模拟量输入

2022-03-22 18:136490询价
价格:966.00/台
品牌:安科瑞
产地:江阴
起订:1台

安科瑞 包梦娇

一、概述 ARD2F 系列智能电动机保护器(以下简称保护器)能对电动机运行过程中出现的多种故障情况进行保护,并设有 SOE 故障事件记录功能,方便现场维护人员查找故障原因。本保护器具有 RS485 远程通讯接口, DC4~20mA 模拟量输出,方便与 PLC、PC 等控制机组成网络系统。实现电动机运行的远程监控。


二、通用技术指标

三、外形尺寸及安装

3.1外形及安装开孔尺寸

3.2保护器显示单元安装尺寸

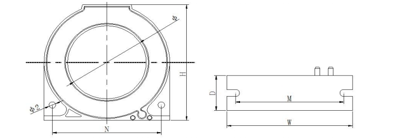
3.3互感器安装尺寸

注:引出线黄、蓝、红、黑对应A、B、C、公共端。

互感器部分(保护器电流规格为1、5、1.6、6.3、25、100时所配电流互感器)

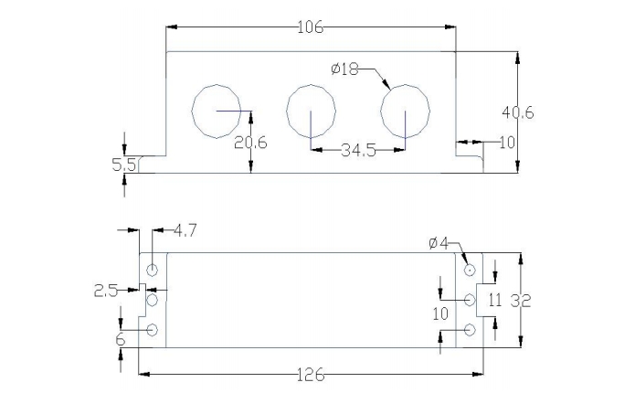
互感器部分(保护器电流规格为250A时所配电流互感器) 互感器部分(保护器电流规格为800A时所配电流互感器) 漏电互感器 3.4 抗晃电模块

3.5 AC380电源模块

四、数码管显示说明


反对 0
举报 0
收藏 0
评论 0
联系方式
其他
商铺 客服
收藏
 
已经到底线啦