品牌:华洋精工 (HYJG)
产地:瓦房店
精度等级:P4
起订:2套
供应:5套
发货:10天内
| 产地 | 瓦房店 |
|---|---|
| 精度等级 | P4 |
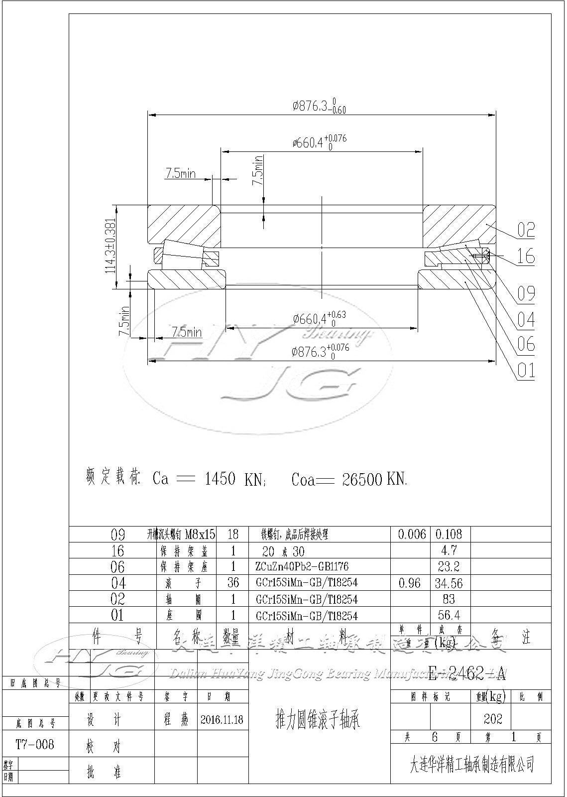
| 内径 | 660.4(mm) |
| 外径 | 876.3(mm) |
| 用途 | 通用 |
| 执行质量标准 | 英标 |
| 滚动体类型 | 圆锥滚子 |
| 样品或现货 | 现货 |
| 滚动体列数 | 单列 |
| 使用特性 | 长寿命 |
| 品牌 | 华洋精工HYJG |
| 型号 | E-2462-A |
| 保持架及其材料 | N黄铜实体 |
| 轴承材质 | 高温轴承钢 |
万分表测量壁厚差显示 精度已达P4级
产品照片生产线实拍,不能尽现**品质,请谅解!本公司产品随行**市,库存及价格波动较大,请电话联系后购买,谢谢!
型号: E-2462-A
| | d 660.4mm D 876.3mm B 114.3mm c 1450kN dynamic Basic load ratings Co 26500kN static static|Basic load ratings Bearing E-2462-A Designations Mass 202KG Type: Single row thrust tapered roller bearings |
大连华洋精工轴承制造有限公司地处中国轴承之都瓦房店市,一直以进口轴承的国产化替代为目标,目前能替代进口的产品有:自润滑关节轴承、长寿命圆柱滚子轴承、长寿命圆锥滚子轴承、高速深沟球轴承、精密特殊应用类轴承和SL满滚子轴承。
除了上述产品,我们还能为客户进行各类进口轴承修复!
通过外购和自制,目前拥有13台数控车床,19台数控磨床,7台数控滚道超精机床,加工范围从内径150mm,到外径1500mm以下。2台德国进口的轮廓和粗糙度检测仪器,2台法国进口的长度检测仪器,一台磁粉探伤机,一台超声波探伤机,1台贝氏体热处理生产线,另外还有29台普通磨床和120台各种检测设备。产品精度可以达到P4级。
我公司生产的自润滑关节轴承,使用了世界上**先进的自润滑材料,具备耐油和耐水的特点,只需正常使用和保养,使用寿命便可以达到10年以上!
考虑到金属的塑性变形,根据不同的载荷和现场使用环境,我们釆用个性化的生产工艺,制造的SL满滚子轴承、圆锥滚子轴承和圆柱滚子轴承,使用寿命可以与进口轴承相**!
为了减小磨擦力,通过滚道超精,改进引导方式,我们生产的高速深沟球轴承,为客户解决了进口轴承价格高和交货期长的问题!
我们一直以节能环保、降低客户的釆购成本为己任,持续改进和完善自己,服务只有开始,没有结束!真诚欢迎囯内外客户来参观指导!
圆锥滚子轴承
大连华洋精工轴承制造有限公司生产的圆锥滚子轴承:
1、档边的独特设计及**的加工确保了滚动体端面与挡边之间油楔的形成,油楔的存在保证了滚动体在非承载区处于纯滚动状态,避免了因滑动摩檫造成的温度上升。
2、滚动体和滚道采用对数曲线加工,使滚动体与滚道之间应力分布更加均匀,使轴承疲劳寿命更长。
3、独有的压力油膜技术使滚动体在旋转时在滚道与滚子之间形成压力油膜,压力油膜的存在避免了滚动体与滚道之间的刚性摩擦,噪音更低,摩擦力更小,温度更低,精度可靠性和寿命可靠性更高。
4、独特的保持架设计,滚动体引导结构,使滚动体只能在一个方向运动,比原始设计有更大的承载力。
5、通过滚道超精,消除了滚道的变质层,使滚道的拉应力变成压应力。
优点:.
更低的运转声音。
产生更少的热量。
更高的基本额定载荷。
更高的极限转速。
寿命是原始设计的8-10倍。
订价仅为SKF的50%。
















