品牌:矿源
配件适用对象:起重机
功率:1.5KW
起订:1件
供应:100件
| 配件适用对象 | 起重机 |
|---|---|
| 功率 | 1.5KW |
| 轴伸 | 单轴 |
| 防护等级 | BT4 |
| 品牌 | 矿源 |
| 型号 | YBZ |
| 配件适用对象:起重机 | 功率:1.5KW |
| 轴伸:单轴 | 防护等级:BT4 |
河南省矿山起重机有限公司,主要从事“矿源”牌电动葫芦、单、双梁起重机、桥、门式等五大系列80个品种起重机的制造、销售。公司占地面积68万平方米,员工2700余人,年销售额23亿元,拥有380余家销售服务机构辐射国内外,拥有中**工程技术人员180余人,同行业综合实力全国排名第三位。
联系电话:0373-5859688 QQ:1050109539


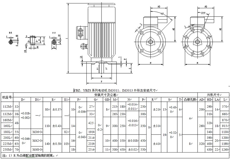
YBZ系列起重用隔爆型三相异步电机。主要用于各种型式的防爆起重机械的电力驱动及制动,具有较大的过载能力和较高的机械强度。因此,它特别适用于那些短时或断续运转、频繁起、制动的设备。电动机的防爆性能符合GB 3836.2-2000**性气体环境用防爆电气设备 第2部分:隔爆型“d”》的规定。隔爆型防爆标志为ExdI、ExdⅡAT4、ExdⅡBT4及ExdⅡCT4。适用于煤矿井下设备及工厂ⅡA、ⅡB、ⅡC级,引燃温度组别为T1-T4组的可燃性气体或蒸气与空气形成的**性混合物的场所。
国产编码器+4000元,国产超速开关+4000元,国产速度继电器+4000元,进口轴承+10%,出口标准+15%,户外型(W)+10%。详情咨询客服或拨打电话400-0667-996



