品牌:襄阳奥东
额定电流:150
额定电压:220V
起订:1台
供应:100台
发货:10天内
| 额定电流 | 150 |
|---|---|
| 额定电压 | 220V |
| 防护等级 | IP40 |
| 规格 | 1000*1500*2300 |
| 类型 | 综合起动器 |
| 适用电机 | 三相电机 |
| 用途 | 减压起动 |
| 操作方式 | 自动 |
| 品牌 | 奥东电气 |
| 型号 | ADGR |
| 加工定制 | 是 |
| 质量认证 | CCC |
| 应用场景 | 电动机控制与保护 |
| 是否可逆 | 是 |
| CCC证书编号 | 2007010301227275 |
湖北随州市 高压软起动柜 10KV高压电机软启动柜 专注行业10年,用于降低电机起动电流的高压固态软启动柜,采用高质量串并联用晶闸管,无级控制输出电压,使电动机平稳地起动和停止,该装置串接在三相交流电源与三相交流异步(同步)电动机输入端之间,接通电源后,通过主控单元控制驱动电路调节三相独立的反并联可控硅SCR阀组的相角来改变三相电动机的交流输入电压和电流,从而慢慢地增加电机转矩达到恒流起动或按一定斜率曲线变化起动和停车的目的,当起动完成后,旁路接触器自动吸合,电动机投入电网运行,ADGR高压固态软起动柜本身具有过载,缺相,运行过流等故障保护功能,能有效地避免因电动机起动电流过大给电网带来的有害冲击,在有限的电网容量下正常使用大功率电机并延长其使用寿命。
一、工作原理:
ADGR系列高压固态软起动柜是用来起动3000V,6000V,10000V中高压交流异步或同步电机的软起动设备,它是在高压电机定子绕组与电源之间接入三相反并联晶闸管组件及电子控制设备,当电机起动时,按一定的规律(如恒流或电压斜坡)控制晶闸管的导通角,并连续改变电机定子绕组的输入电压直至全压,起动完毕后,旁路接触器吸合。

二、适用范围:
软起动装置适用于额定电压3-15KV的大中型交流鼠笼式异步、同步电动机的软起动和停止的控制与保护。ADGR高压固态软起动柜广泛应用于大型钢铁、石油、化工、铝业、消防、矿山、污水处理、水利、电力、环保等多个工业领域,能很好地与电动机拖动设备(如:压缩机、水泵、风机、皮带机、粉碎机、搅拌机等设备配套使用。
二、结构:高压固态软起动柜采用模块化设计,这样对检修和维护都很方便,软起装置与配有真空断路器的高压进线柜配套使用,结构采用**冷轧钢板覆铝锌板,采用金属防电磁干扰屏蔽设计,减少外部环境对装置内部的污染和干扰,高、低压独立绝缘布局合理确保安全,该装置主要由可控硅组件单元、控制和保护单元、人机显示单元组成:
1、可控硅组件单元:
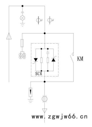
主功率单元主要由高压真空接触器和SCR可控硅阀组构成,其中高压真空接触器分进线接触器和旁路接触器,接触器的电压和大小根据电机电流和电压合理选用;进线柜接触器提供高压电源进线,可在有故障时迅速断开电源保护电机,旁路接触器用作起动完毕后其闭合完成起动,SCR可控硅阀组由可控硅串并联和RC吸收网络组成功;为了达到所有使用电网的峰值电压要求,可控硅组中每相是用多个SCR(具体数量根据用户不同电压等级来决定)串并联安装成一组,三组构成本相,允许各相模块可以便捷地单独进行维修和更换,RC吸收网络负责提供瞬间电压保护电器,以减少dv/dt冲击电压,防止SCR模块损坏。
2、控制和保护单元:
控制和保护单元采用先进的数字触发系统将低压控制通过光纤连接到高压、高、低压光电绝缘隔离保证安全,通过控制可控硅的导通和关闭以实现对交流三相电源进行斩波,改变输出电压幅值,从而完成对电机的起动和停车的理想化控制,该单元分为三个部份,包括主要由微处理器组成的主控模块,由光纤接口,触发等回路组成的触发模块,由电流检测和电压主检测电路,温度检测电路等组成采样模块。
主控模块:由微处理器核心部件组成,采集电压,电流等信号,根据设定程序和检测反馈信号完成控制和保护,显示功能。
触发模块:此模块安装于可控硅SCR阀组上端,包括光纤隔离接口,触发电源板、触发驱动板组成,接收主控模块的控制命令,信号通过光纤传输脉冲信号合理地触发每组可控硅,保证电压改变平稳。
采样模块:由电流检测和电压检测电路,温度检测电路等组成,通过高压电流互感器,电压采样板等检测各路信号反馈给主控模块进行分析。
3、人机显示单元:供应广东各种高压软启动器柜,专业生产软起动器软启动柜厂家
主要由触摸液晶显示屏组成。可以方便地接收主控模块信号,实现用户的参数设置,选择起动方式,显示设备的运行状态,实时起动曲线等,使人机交互更具人性化。
三、型号说明:(技术价格咨询热线:134-7639-1968 0710-32-31-378 乔经理)
四、参考价格:高压固态软启动柜75000一台,此报价为小规格常规配置价格,具体价格以实际功率,元器件选型等报价。
五、产品一次图:
七、案列分析现场片展示
八、主要性能特点:(技术价格咨询热线:134-7639-1968 0710-32-31-378 乔经理)
:硬件系统采用美国IT公司的32位高速DSP数字芯片集成控制,软件系统采用自主独有的控制,对电机起动过程实现闭环自动跟踪控制,时刻保障设备起动和运行状态稳定;
快速:DSP控制系统运行速率在150MHZ/S以上,电流调节响应时间20MS;
安全:低电压的控制系统与高电压的触发系统之间的检测和通信,全部通过光纤链路完成。使用光纤来传输信号,彻底的解决了信号传送通道的绝缘问题;
稳定:具有软起动和软停车功能,全面保证系统的安全起停,降低起动电流效果好,使电动机平滑平稳的起动;
智能:独有的人机触摸式界面交互功能,通过界面轻松设置起动及保护参数,状态信息动画设置,操作人员可快速了解电机运行状态和设备故障信息,电动机起动完成后,对电动机的运行实时有效监控,支持PROFIBUS或MODBUS协议通过接口RS485实现;
环境:根据要求可定制适应高海拔、潮湿、严寒等严酷环境,可频繁起动,一种规格的固态软起动装置可适用相同电压等级额定电流以下的不同电机,方便实现一拖多台电机的现场工况,ADGR固态软起动柜采用低功耗控制技术**大每小时可起动5次以上,满足不同工况对频繁起动的要求;
节能:高压固态软起动核心器件高压可控硅斩波调压损耗小,软起动在起动过程电能损耗在设备额定功率1%以内,运行过程基本无损耗;

起动和停车方式:软起动装置有多种起动方式:限流起动、电压斜坡起动、突跳转矩软起动等,多种停车方式:自由停车,软停车,用户可根据负载不同及具体使用条件合理选择不同的起动方式和停车方式:
软起动方式:
1、限流软起动:使用限流软起动模式时,起动时间设置为零,软起动装置得到起动指令后,其输出电压迅速增加,直至输出电流达到设定电流限幅值,输出电流不再增大,电动机运转加速持续一段电流开始下降,输出电压迅速增加,直至全压输出,起动过程完成。
2、斜坡电压软起动:输出电压以设定的起动时间按照指数特性上升,同时输出电流以一定速率增加,当起动电流增至限幅值时,电流保持恒定,直至起动完成;
3、突跳转矩软起动:突跳转矩软起动模式主要应用在静态阻力比较大的负载电动机上,通过施加一个瞬时较大的起动力矩以克服大的静摩擦力矩,该模式下输出电压迅速达到设定的突跳电压,当达到预先设定的突跳降为起动电压,再根据所设定的起始电压、电流,起动时间平稳起动,直至起动完成。
软停车方式:
1、自由停车:当参数中软停车时间和刹车时间同时设置为零时为自由停车模式,软起动装置接到停机指令后,首先封锁旁路接触器的控制继电器并随即封锁主电路晶闸管的输出,电动机依负载惯性自由停车;
2、软停车:当软停车定不为零时,在全压状态下停车则为软停车,在该方式下停机,当软起动装置设置了软停时间,并且设置了刹车时间,软起动装置首先断开旁路接触器,软起动装置的输出电压在设定的软停车时间内逐渐降至所设定的软停车电压值,软停车过程结束。
九、产品选型表:(技术价格咨询热线:134-7639-1968 0710-32-31-378 乔经理)
十、订货须知:
1、当电机输出功率由于与功率因数等原因有关时,奥东电气会根据您的具体要求特别订制选型,以上型号对应电机功率数据仅供参考,实际以用户电机铭牌的实际参数为准,电机额定电流临界或重负载时,可选高一个规格的选型。
2、电压等级涵盖规格3-15KV,电流等级涵盖65A-1500A(高一个的档次产品货期需根据中控硅供货情况确定)
3、超出以上规格范围请与奥东电气有限公司联系,我公司根据要求另行设计。
十一、售后服务承诺:
1、免费指导安装调试及操作维修培训。
2、咨询和做方案半小时内给予明确答复。
3、现场服务时效:省内24小时,省外48~72小时,节假日不休。
4、服务态度热情周到,调试维护及时完善。










