品牌:河南共威机械设备有限公司
频率:50
产品认证:ISO9001-2000
起订:1台
供应:9999台
发货:2天内
| 频率 | 50 |
|---|---|
| 产品认证 | ISO9001-2000 |
| 堵转转矩 | 80 |
| 额定转速 | 3000 |
| 效率 | 100 |
| 输入变频 | 90 |
| 输出变频 | 80 |
| 适用范围 | 50 |
| 擎动力矩 | 86 |
| 快速制动时间 | 1s |
| 极数 | 2极 |
| 飞轮力矩 | 50 |
| 额定功率 | 0.25 |
| 产品类型 | 三相异步电动机 |
| 额定转矩 | 89 |
YZUL系列振动电机产品概述:
YZUL系列立式振动电机是我公司新型立式振动电机产品,采用先进的单法兰结构,设计精巧,运行安全可靠,单法兰结构使得立式振动电机安装维护方便,同时可大大减轻主机重量,减小主机外形尺寸、简化主机结构、降低主机成本,使得主机对物料的处理量更大。立式振动电机主要应用于旋振筛、旋振清理机、振动破碎机、振动混料机等设备,用来产生圆形或椭圆形复合振动,用以提高筛分效率和筛分精度,有效完成清理零件表面质量,提高破碎或混料效果。
YZUL系列振动电机主要特点:
1.噪音低、能耗低、效率高。
2.体积小、重量轻、启动迅速。
3.安装便捷、维护简单、寿命长。
4.激振力易于无级调整且调节范围广、振动无机械传导。
YZUL型振动电机工作原理:
YZUL型振动电机是动力源与振动源结合为一体的激振源,振动电机是在转子轴两端各安装一组可调偏心块,利用轴及偏心块高速旋转产生的离心力得到激振力。由电机本身运行产生易于调整的水平、垂直、倾斜等方向多元激振力,形成物料的快速平面分散、中心聚集、平面旋转、三维旋转等多种运动方式,用于控制排料速度、处理精度等机械性能指标,以其独特的结构特点适应于不同的机械对振动源的要求。
YZUL系列振动电机技术参数:
型号 | L1 | L2 | B | Φ1 | Φ2 | Φ3 | II | d | L3 | R | 功率(Kw) |
YZUL-1-4 | 231 | 170 | 16 | 190 | 138 | 165 | 4 | 12 | 104 | 70 | 0.12 |
YZUL-3-4 | 209 | 144 | 20 | 230 | 155 | 200 | 4 | 12 | 74 | 90 | 0.18 |
YZUL-5-4 | 326 | 212 | 22 | 245 | 165 | 210 | 6 | 12 | 85 | 135 | 0.25 |
YZUL-8-4 | 340 | 233 | 24 | 270 | 195 | 235 | 6 | 14 | 103 | 140 | 0.55 |
YZUL-10-4 | 436 | 290 | 34 | 310 | 220 | 265 | 8 | 18 | 144 | 185 | 0.75 |
YZUL-15-4 | 452 | 299 | 34 | 310 | 220 | 265 | 8 | 18 | 144 | 185 | 1.1 |
YZUL-30-4 | 488 | 328 | 27 | 370 | 265 | 315 | 8 | 22 | 153 | 200 | 1.5 |
YZUL-50-4 | 552 | 374 | 35 | 450 | 330 | 390 | 8 | 26 | 150 | 230 | 2.2 |
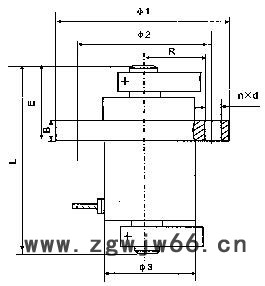
YZUL系列振动电机安装尺寸图表:
YZUL系列立式振动电机技术参数及外形尺寸表 | ||||||||||||
序号 | 型号 | 激振力 (KN) | 功率(KW) | 同步转速(rpm) | 安装尺寸(mm) | 外形尺寸(mm) | ||||||
φ3 | N | φ | φ1 | φ2 | L1 | L2 | L3 | |||||
1 | 1-4 | 1 | 0.12 | 1500 | 165 | 4 | 12 | 190 | 138 | 231 | 170 | 104 |
2 | 3-4 | 3 | 0.18 | 210 | 6 | 13 | 240 | 150 | 270 | 155 | 90 | |
3 | 5-4 | 5 | 0.25 | 230 | 6 | 17 | 260 | 190 | 330 | 185 | 120 | |
4 | 10-4 | 10 | 0.55 | 270 | 6 | 17 | 300 | 200 | 388 | 220 | 140 | |
5 | 20-4 | 20 | 1.1 | 315 | 6 | 22 | 370 | 230 | 490 | 280 | 150 | |
6 | 30-4 | 30 | 1.5 | 315 | 6 | 22 | 370 | 230 | 510 | 300 | 170 | |
7 | 40-4 | 40 | 2.2 | 315 | 6 | 22 | 370 | 270 | 510 | 330 | 150 | |
8 | 50-4 | 50 | 2.5 | 380 | 6 | 30 | 445 | 325 | 610 | 350 | 220 | |
9 | 75-4 | 75 | 3.7 | 380 | 6 | 30 | 450 | 325 | 720 | 420 | 268 | |
YZUL系列立式振动电机技术参数及外形尺寸表 | ||||||||||||
序号 | 型号 | 激振力 (KN) | 功率(KW) | 同步转速(rpm) | 安装尺寸(mm) | 外形尺寸(mm) | ||||||
φ3 | N | φ | φ1 | φ2 | L1 | L2 | L3 | |||||
1 | 3-4 | 3 | 0.18 | 1500 | 200 | 4 | 12 | 230 | 155 | 209 | 144 | 74 |
| 5-4 | 5 | 0.25 |
| 210 | 4 | 12 | 245 | 165 | 326 | 212 | 85 |
3 | 8-4 | 8 | 0.55 |
| 235 | 6 | 14 | 270 | 190 | 340 | 233 | 144 |
4 | 10-4 | 10 | 0.75 |
| 265 | 8 | 18 | 310 | 220 | 436 | 290 | 144 |
5 | 15-4 | 15 | 1.1 |
| 265 | 8 | 18 | 310 | 220 | 452 | 299 | 144 |
6 | 30-4 | 30 | 1.5 |
| 315 | 8 | 22 | 370 | 264 | 488 | 328 | 153 |
7 | 50-4 | 50 | 2.2 |
| 390 | 8 | 26 | 450 | 330 | 550 | 374 | 150 |
公司:河南共威机械设备有限公司 【原新乡威猛冶金设备有限公司】 联系人:张超(销售经理)手机:15090091046邮箱:1262305385@qq.com
地址:河南省新乡县小冀镇振兴路10号
我公司注册资金1050万元,是ISO:9001质量管理体系认证企业,信用等级AAA级。
我公司生产的振动设备20多年,经验丰富,质量保证!所生产产品有振动电机、ZFB仓壁振动器、CZ电磁仓壁振动器,振动给料机,振动筛,直线自振源,激振器,减震弹簧等振动设备,产品齐全,物美价廉。
我公司在振动设备行业领先20年,公司技术实力雄厚,行业内充分发挥龙头作用!名不虚传的行业领导者,是您最终的选择!



