品牌:宏达
服务对象:振动平台
服务范围:振动筛
起订:1台
供应:1500台
发货:10天内
| 服务对象 | 振动平台 |
|---|---|
| 服务范围 | 振动筛 |
| 品牌 | 宏达 |
| 加工定制 | 是 |
| 公司类型 | 有限责任公司 |
YZS系列振动电机整机采用了机壳、机座一体铸造,加强了整机的密封性能,可广泛应用于多粉尘、多颗粒状物料的无防爆要求的工作环境。YZS振动电机特点是, 外形美观, 性价比高等,性能优异。
YZS系列振动电机是各种振动筛分设备的振动源,振动电机是在转子轴两端各安装一组可调偏心块,利用轴及偏心块高速旋转产生的离心力得到激振力。并由不同的安装方式产生不同的物料运动轨迹,以达到不同的筛分目的。
YZS系列振动电机是节能型的振动电机,激振力利用率高,但能耗小、噪音低、寿命长。激振力只要进行简单的操作即可达到无级调节。YZS系列振动电机为通用型振动电机。
YZS振动电机可以广泛的应用在采矿、冶金、水电建设、火力发电、建筑、建材、化工、粮食、轻工等工业部门振动筛分机械,如:振动破碎机、振动筛分机、振动打包机、振动落砂机、振动造型机、振动打桩机、振动提升机、振动充填机、料仓的振动破拱防闭塞装置等等.
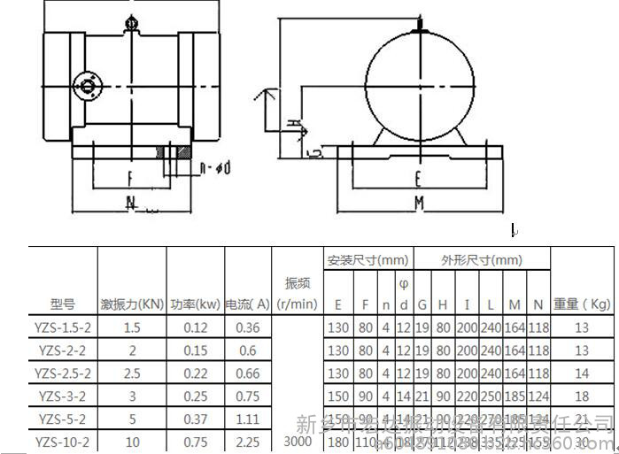
YZS系列振动电机相关技术参数:
1、额 定 电 压:380V
2、额 定 频 率:50HZ
3、防 护 等 级:IP55
4、允许环境温度:-20℃--40℃
5、工 作 制:连续
也可定制特殊参数的振动电机,如特殊电压、特殊安装尺寸等
振动电机订货须知:
(1) 写明所需产品的规格、功率、激振力、极数、数量。
(2) 对面漆有无特殊要求。
(3) 对电机引出线有无物殊要求。
(4)可定制特殊参数的振动电机,如特殊电压、特殊安装尺寸等








