分享好友 立即购买火爆供应首页 频道列表
1/5
YBS/YBSS/YBSD运输机用隔爆型电机输送机防爆电机输送机隔爆电机图1YBS/YBSS/YBSD运输机用隔爆型电机输送机防爆电机输送机隔爆电机图2YBS/YBSS/YBSD运输机用隔爆型电机输送机防爆电机输送机隔爆电机图3

YBS/YBSS/YBSD运输机用隔爆型电机输送机防爆电机输送机隔爆电机

2021-12-17 01:089180已售
价格:2369.00/台
品牌:卧龙、CNE、BROOK、欧力欧龙
产地:中国大陆
是否进口:否
起订:50台
供应:5688台
产地 中国大陆
是否进口
产品类型 三相异步电动机
3C额定电压范围 交流1000V以上
主要下游平台 独立站
主要销售地区 东北亚,欧洲,非洲,东南亚,中东,南美,北美,其他
是否跨境货源
额定电压 380(V)
额定功率 4~1600KW
额定转速 750(rpm)
极数 2极-12极
类型 三相异步电动机
应用范围 为驱动煤矿井下采掘工作面可弯曲刮板输送机、皮带输送机或其它设备配套的专用电动机。
品牌 CNE/南阳防爆
型号 YBS、YBSS、YBSD系列

温馨提示:

图片仅供参考,以收到的实物为准,客户可个性定制; 产品描述及价格仅供参考,以实际洽谈结果为准。

洽谈热线:400-602-5688


【产品概述】

YBS、YBSS、YBSD系列输送机用隔爆型三相异步电动机(以下简称为:电动机),是为驱动煤矿井下采掘工作面可弯曲刮板输送机、皮带输送机或其它设备配套的专用电动机。

【型号说明】

电动机型号代表意义



在电动机外壳的明显处有防爆标志ExdI,其代表意义如下



【工作环境】

1.海拔高度不超过1000m 。

2.环境空气温度随季节而变化,对空气冷却的电动机,环境空气温度为-20~+40℃,对用水冷却的电动机,环境空气温度为0+40℃。

注:如电动机指定在海拔超过1000m 或环境空气温度高于40℃ 或低于-20℃的条件下使用时,应按GB755的规定。

3.环境空气**大相对湿度不超过95% (当温度为25℃ 时)。

【技术参数】

YBS、YBSS系列 F极,dI, IP55, IC411








YBSD系列 H 极,dI, B10,IP55,IC3W7






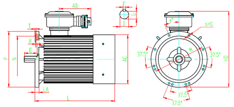
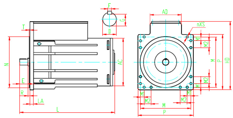
【安装方式及外形尺寸】

安装方式为IMB3、IMB5、IMB35的YBS、YBSS系列电动机安装与外形尺寸







安装方式为IMB10的YBS系列电动机安装与外形尺寸









安装方式为IMB10的YBS-75-4大法兰、内止口电机安装与外形尺寸

安装方式为IMB10的YBS-160-4B方法兰电机安装与外形尺寸



安装方式为IMB10的YBS、YBSS、YBSD系列圆法兰电机安装与外形尺寸







价格说明
一般情况下: 划线价格:划线的价格可能是商品的销售指导价或该商品的曾经展示过的销售价等,并非原价,仅供参考。
未划线价格:未划线的价格是商品在中国站上的销售标价,具体的成交价格根据商品参加活动,或因用户使用优惠券等发生变化**终以订单结算页价格为准。 活动预热状态下: 划线价格:划线的价格是商品在目前活动预热状态下的销售标价,并非原价,具体的成交价可能因用户使用优惠券等发生变化**终以订单结算页价格为准。
未划线价格:未划线的价格可能是商品即将参加活动的活动价,仅供参考,具体活动时的成交价可能因用户使用优惠券等发生变化**终以活动是订单结算页价格为准。 *注:前述说明仅当出现价格比较时有效。若商家单独对划线价格进行说明的,以商家的表述为准。
反对 0
举报 0
收藏 0
评论 0
联系方式
其他
商铺 客服
收藏
 
已经到底线啦