价格:
¥600.00/台
品牌:宏达
型号:YJZ系列
起订:1台
供应:1000台
YJZ系列激振电动机为各类振动机械通用激振源,适用于各类机械,如振动给料机、振动输送机、振动干燥机、振动落砂机、振动筛分机等,广泛用于冶金、矿山、煤炭、化工、轻工、制药、食品、水力、电力、建材、铸造等部门。使用条件 环境温度为-20~+40℃;海拔不超过1000m;电源为3相380V,50H
Z;工作方式为连续工作定额。激振电动机的外客防护等级为IP54,可在任何无特殊要求的粉尘条件下工作。型号含义
二、 结构简介激振三相异步电动机是通过安装在转轴两侧的偏心块,旋转产生离心力。此离心力做为激振力通过电动机底脚传递给振动机械的晃激振源。| | | 型号 | 激振力/KN | 功率/ KW | 同步转速/(r/min) | 定子电流/A | 重量/kg | | YJZ-1-2YJZ-2-2YJZ-3-2YJZ-5-2YJZ-10-2YJZ-20-2YJZ-30-2YJZ-50-2 | 123510203050 | 0.090.180.250.370.751.502.203.70 | 3000 | 0.320.590.771.001.923.605.1010.00 | 10162035458012020 | | YJZ-1-4YJZ-3- 4YJZ-5-4YJZ-10-4YJZ-20-4YJZ-30-4YJZ-50-4YJZ-75-4YJZ-100-4 | 2351020305075100 | 0.120.180.250.551.101.502.203.706.30 | 1500 | 0.460.550.861.872.853.825.558.8614.91 | 20304065110140200280410 | | YJZ-3-6YJZ-5-6YJZ-13-6YJZ-18-6YJZ-25-6 | 35131825 | 0.250.370.751.101.50 | 1000 | 0.801.101.902.503.70 | 35608490170 | | YJZ-36-6YJZ-50-6YJZ-75-6YJZ-100-6YJZ-140-6 | 365075100140 | 2.203.705.507.5010.00 | 1000 | 4.868.7012.317.8023.72 | 230310450600670 | | YJZ-5-8YJZ-10-8YJZ-20-8YJZ-30-8YJZ-50-8YJZ-75-8YJZ-100-8YJZ-140-8 | 51020305075100140 | 0.370.751.502.203.705.507.5010.00 | 750 | 1.732.794.936.729.7714.117.6223.70 | 80135200300450650750850 |
|
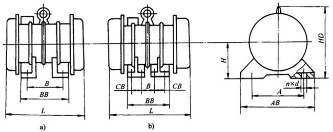
YJZ系列激振异步电动机(2~140KN)外形尺寸
图1 YJZ(2极)电动外形尺寸图(见表2) 表2 (单位:mm)| 型号 | A | B | n×d | d | H | G | AB | BB | HD | L |
| YJZ1-2 | 120 | 80 | 4×φ10 | φ1.0 | 65 | 10 | 145 | 70 | 170 | 200 |
| YJZ2-2 | 150 | 80 | 4×φ14 | 90 | 14 | 180 | 130 | 200 | 230 |
| YJZ2-2 | 150 | 80 | 4×φ14 | 90 | 14 | 180 | 130 | 200 | 260 |
| YJZ5-2 | 180 | 110 | 4×φ18 | 100 | 16 | 240 | 170 | 220 | 330 |
| YJZ10-2 | 180 | 110 | 4×φ18 | 100 | 16 | 240 | 170 | 220 | 390 |
| YJZ20-2 | 260 | 150 | 4×φ26 | 145 | 24 | 325 | 214 | 295 | 480 |
| YJZ30-2 | 310 | 170 | 4×φ33 | φ1.5 | 160 | 28 | 380 | 280 | 363 | 520 |
| YJZ50-2 | 350 | 220 | 4×φ35 | 190 | 33 | 430 | 350 | 385 | 580 |
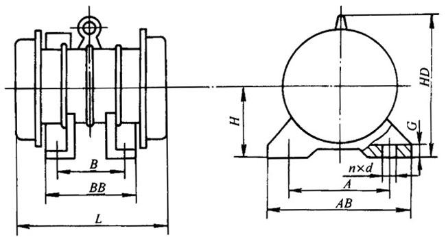
图2 YJZ(4、6、8极)电动机外形尺寸图(见表) 表3 YJZ系列4、6、8极数据表 (单位:mm)| 型号 | A | B | CB | n×d | d | H | G | AB | BB | HD | L | 结构图 |
| YJZ2-4 | 150 | 80 | — | 4×φ14 | φ1.0 | 90 | 14 | 180 | 130 | 200 | 240 | a |
| YJZ3-4 | 150 | 80 | — | 4×φ14 | 90 | 14 | 180 | 130 | 200 | 250 | a |
| YJZ5-4 | 180 | 110 | — | 4×φ18 | 100 | 16 | 240 | 170 | 220 | 330 | a |
| YJZ10-4 | 220 | 140 | — | 4×φ22 | 120 | 18 | 270 | 200 | 250 | 390 | a |
| YJZ20-4 | 260 | 150 | — | 4×φ26 | φ1.5 | 145 | 24 | 325 | 214 | 295 | 480 | a |
| YJZ30-4 | 310 | 170 | — | 4×φ33 | 160 | 28 | 380 | 280 | 363 | 530 | a |
| YJZ75-4 | 350 | 220 | — | 4×φ35 | 190 | 33 | 430 | 350 | 385 | 590 | a |
| YJZ100-4 | 380 | 125 | — | 4×φ35 | 210 | 35 | 480 | 364 | 447 | 650 | b |
| YJZ2-6 | 440 | 140 | — | 4×φ45 | 240 | 35 | 530 | 450 | 520 | 720 | b |
| YJZ2-6 | 180 | 110 | — | 4×φ18 | φ1.0 | 100 | 16 | 240 | 170 | 220 | 375 | a |
| YJZ2-6YJZ | 220 | 140 | — | 4×φ22 | 120 | 18 | 270 | 200 | 250 | 400 | a |
| YJZ2-6 | 260 | 150 | — | 4×φ26 | | 145 | 24 | 325 | 214 | 295 | 497 | a |
| YJZ2-6 | — |
| YJZ2-6 | 310 | 170 | — | 4×φ33 | φ1.5 | 160 | 28 | 380 | 280 | 363 | 600 | a |
| YJZ2-6 | 350 | 220 | — | 4×φ35 | 190 | 33 | 430 | 350 | 385 | 648 | a |
| YJZ2-6 | 380 | 254 | — | 4×φ35 | 210 | 35 | 480 | 364 | 447 | 699 | a |
| YJZ2-6 | 440 | 280 | — | 4×φ45 | 240 | 35 | 545 | 380 | 497 | 730 | a |
| YJZ2-6 | 540 | 340 | 130 | 4×φ39 | 260 | 40 | 640 | 690 | 590 | 890 | a |
| YJZ2-6 | 130 | 4×φ45 | 280 | 960 | a |
| YJZ2-8 | 260 | 150 | | 4×φ26 | φ1.0 | 145 | 24 | 325 | 214 | 295 | 450 | a |
| YJZ2-8 | 310 | 170 | | 4×φ33 | 160 | 28 | 380 | 280 | 363 | 530 | a |
| YJZ2-8 | 350 | 220 | | 4×φ35 | φ1.5 | 190 | 33 | 430 | 350 | 385 | 580 | a |
| YJZ2-8 | 380 | 254 | | 4×φ35 | 210 | 35 | 480 | 364 | 447 | 710 | a |
| YJZ2-8 | 440 | 280 | 130 | 4×φ52 | φ2.0 | 240 | 40 | 550 | 450 | 520 | 780 | b |
| YJZ2-8 | 540 | 340 | 150 | 4×φ39 | φ1.5 | 260 | 40 | 640 | 690 | 590 | 910 | b |
| YJZ2-8 | 600 | 370 | 150 | 4×φ45 | 280 | 40 | 710 | 770 | 640 | 1030 | b |
| YJZ2-8 | 600 | 370 | 150 | 4×φ45 | 280 | 40 | 710 | 770 | 640 | 1100 | b |
振动原理:
| | 1.直线运动(见图3)两台规格相同的激振电动机,固定在同一平面上(见图3),接通电源,使两台电动机的转向相反,就会产生垂直于底面的激振力。2.圆周运动(见表4)电动机固定在负载底盘上,使电动机的重心和负载的重心在垂线上,接通电源,就会产生径向的圆周方向运动。 |