品牌:宏达
产地:河南
电压:380v
起订:300台
供应:300台
| 产地 | 河南 |
|---|---|
| 电压 | 380v |
| 功率 | 1.1kw |
| 品牌 | 宏达 |
| 型号 | ZW-16-6 |
| 品牌 | 宏达 | 产品类型 | 三相异步电动机 |
| 型号 | ZW-16-6 | 极数 | 6极 |
| 额定功率 | 1.1KW | 额定电压 | 380(V) |
| 额定转速 | 980(rpm) | 产品认证 | CCC |
| 应用范围 | 矿山。冶金。化工 |
详细介绍:
ZW振动电机 方要技术参术:.结构简单、维修方便、振动平稳、噪音低。2.激振力可以非常简单的进行无级调节。
3.可以单台或多台组合使用,完成各中作业要求。
4.规格齐全、形式多样,可满足各类振动机械的工作需要。
5.全封闭结构,可在各类粉尘(无防爆要求)、潮湿等恶劣环境下可靠工作。
6.经特殊设计可用于不同的电压、频率、绝缘和防护等级
7.质保期一年。
技术参数:
1、绝缘等级:B/F
2、防护等级IP55
3、电源电压:220/380v/420
4、电源频率:50Hz
5、相级:3相
6、
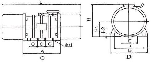
| 号 | 最大 激振力 (KN) | 转速 (Rpm) | 额定 功率 (Kw) | 额定 电流 (A) | 安装尺寸 (mm) | 外形尺寸(mm) | |||||||||
| C | k | φd | L | A | B | E | H | H1 | H2 | 图号 | |||||
| 0.7-2 | 0.7 | 2860 | 0.075 | 0.24 | 100 | 140 | 9 | 282 | 150 | 170 | 60 | 152 | 70 | 20 | AD |
| 1.5-2 | 1.5 | 2860 | 0.15 | 0.4 | 100 | 150 | 13 | 302 | 150 | 180 | 70 | 176 | 85 | 20 | AD |
| 2.5-2 | 2.5 | 2860 | 0.25 | 0.58 | 100 | 150 | 13 | 312 | 150 | 180 | 70 | 176 | 85 | 20 | AD |
| 5-2 | 5 | 2860 | 0.40 | 1.02 | 100 | 200 | 16 | 350 | 180 | 250 | 150 | 230 | 120 | 25 | AD |
| 8-2 | 8 | 2860 | 0.75 | 1.76 | 135 | 230 | 18 | 407 | 245 | 280 | 130 | 276 | 140 | 25 | AD |
| 10-2 | 10 | 2860 | 1.1 | 2.56 | 135 | 230 | 18 | 425 | 245 | 280 | 130 | 276 | 140 | 25 | AD |
| 16-2 | 16 | 2860 | 1.5 | 3.7 | 190 | 260 | 22 | 514 | 300 | 310 | 140 | 327 | 170 | 25 | AD |
| 20-2 | 20 | 2860 | 1.8 | 4.26 | 190 | 260 | 22 | 544 | 300 | 310 | 140 | 327 | 170 | 25 | AD |
| 30-2 | 30 | 2860 | 3 | 7.6 | 190 | 260 | 26 | 550 | 300 | 310 | 140 | 327 | 170 | 25 | AD |
| 1.2-4 | 1.2 | 1460 | 0.10 | 0.34 | 100 | 150 | 13 | 302 | 150 | 180 | 70 | 176 | 85 | 20 | AD |
| 2.5-4 | 2.5 | 1460 | 0.10 | 0.34 | 100 | 150 | 13 | 320 | 150 | 180 | 70 | 176 | 85 | 20 | AD |
| 5-4 | 5 | 1460 | 0.25 | 0.65 | 100 | 200 | 16 | 374 | 180 | 250 | 150 | 230 | 120 | 25 | AD |
| 8-4 | 8 | 1460 | 0.40 | 1.16 | 135 | 230 | 18 | 417 | 245 | 280 | 130 | 276 | 140 | 25 | AD |
| 10-4 | 10 | 1460 | 0.55 | 1.59 | 135 | 230 | 18 | 437 | 245 | 280 | 130 | 276 | 140 | 25 | AD |
| 16-4 | 16 | 1460 | 0.75 | 1.91 | 140 | 260 | 22 | 454 | 250 | 310 | 140 | 327 | 170 | 25 | AD |
| 20-4 | 20 | 1460 | 1.1 | 2.81 | 140 | 260 | 22 | 454 | 250 | 310 | 140 | 327 | 170 | 25 | AD |
| 25-4 | 25 | 1460 | 1.5 | 3.84 | 190 | 260 | 26 | 500 | 300 | 310 | 140 | 327 | 170 | 25 | AD |
| 32-4 | 32 | 1460 | 2 | 4.69 | 190 | 260 | 26 | 520 | 300 | 310 | 140 | 327 | 170 | 25 | AD |
| 40-4 | 40 | 1460 | 2.2 | 5.1 | 220 | 320 | 32 | 550 | 340 | 400 | 170 | 420 | 170 | 25 | AD |
| 50-4 | 50 | 1460 | 2.5 | 6.3 | 220 | 320 | 32 | 590 | 340 | 400 | 170 | 420 | 225 | 30 | AD |
| 75-4 | 75 | 1460 | 4 | 10.18 | 135 | 380 | 32 | 806 | 470 | 480 | 270 | 456 | 230 | 35 | BD |
| 100-4 | 100 | 1460 | 6 | 15.8 | 135 | 380 | 32 | 870 | 470 | 480 | 270 | 456 | 230 | 35 | BD |
| 120-4 | 120 | 1460 | 8 | 19.6 | 118 | 460 | 38 | 904 | 520 | 550 | 340 | 508 | 260 | 38 | CD |
| 140-4 | 140 | 1460 | 10 | 24.16 | 118 | 460 | 38 | 980 | 520 | 550 | 340 | 508 | 260 | 38 | CD |
| 160-4 | 160 | 1460 | 12 | 28.5 | 120 | 510 | 45 | 1000 | 520 | 610 | 360 | 533 | 270 | 40 | CD |
| 2.5-6 | 2.5 | 980 | 0.2 | 0.71 | 100 | 200 | 16 | 365 | 180 | 250 | 150 | 230 | 120 | 25 | AD |
| 5-6 | 5 | 980 | 0.4 | 1.23 | 100 | 200 | 16 | 400 | 180 | 250 | 150 | 230 | 120 | 25 | AD |
| 8-6 | 10 | 980 | 0.55 | 1.68 | 135 | 230 | 18 | 457 | 245 | 280 | 130 | 276 | 140 | 25 | AD |
| 10-6 | 10 | 980 | 0.75 | 2.3 | 135 | 230 | 18 | 457 | 245 | 280 | 130 | 276 | 140 | 25 | AD |
| 15-6 | 15 | 980 | 1.1 | 3.35 | 140 | 260 | 22 | 438 | 250 | 310 | 140 | 327 | 170 | 25 | AD |
| 18-6 | 18 | 980 | 1.1 | 3.65 | 140 | 260 | 22 | 430 | 250 | 310 | 140 | 327 | 170 | 25 | AD |
| 20-6 | 20 | 980 | 1.5 | 3.8 | 140 | 260 | 22 | 454 | 250 | 310 | 140 | 327 | 170 | 25 | AD |
| 26-6 | 26 | 980 | 1.9 | 4.8 | 140 | 260 | 22 | 490 | 250 | 310 | 140 | 327 | 170 | 25 | AD |
| 30-6 | 30 | 980 | 2.2 | 5.52 | 160 | 320 | 32 | 502 | 290 | 390 | 190 | 380 | 200 | 28 | AD |
| 40-6 | 40 | 980 | 3 | 7.7 | 160 | 320 | 32 | 536 | 290 | 390 | 190 | 380 | 200 | 28 | AD |
| 50-6 | 50 | 980 | 3.7 | 9.8 | 220 | 320 | 32 | 590 | 340 | 400 | 170 | 420 | 225 | 30 | AD |
| 75-6 | 75 | 980 | 5.5 | 13.3 | 135 | 380 | 32 | 806 | 470 | 480 | 270 | 456 | 230 | 35 | BD |
| 100-6 | 100 | 980 | 7.5 | 18 | 135 | 380 | 32 | 900 | 470 | 480 | 270 | 456 | 230 | 35 | BD |
| 120-6 | 120 | 980 | 9 | 23 | 118 | 460 | 38 | 904 | 520 | 550 | 340 | 508 | 260 | 38 | CD |
| 130-6 | 130 | 980 | 10 | 25 | 118 | 460 | 38 | 950 | 520 | 550 | 340 | 508 | 260 | 38 | CD |
| 140-6 | 140 | 980 | 12 | 28.5 | 118 | 460 | 38 | 980 | 520 | 550 | 340 | 508 | 260 | 38 | CD |
| 150-6 | 150 | 980 | 13 | 31 | 118 | 460 | 38 | 1000 | 520 | 550 | 340 | 508 | 260 | 38 | CD |
| 160-6 | 160 | 980 | 14 | 32 | 120 | 510 | 45 | 1000 | 520 | 610 | 360 | 533 | 270 | 40 | CD |
| 180-6 | 180 | 980 | 16 | 36 | 120 | 510 | 45 | 1300 | 520 | 610 | 360 | 533 | 270 | 40 | CD |




