产品类型:三相异步电动机
极数:4极
起订:10台
供应:1000台
| 产品类型 | 三相异步电动机 |
|---|---|
| 极数 | 4极 |
| 额定功率 | 1.5KW |
| 额定电压 | 380(V) |
| 额定转速 | 1380(rpm) |
| 产品认证 | ISO9001-2000 |
| 应用范围 | 行车小车行走 |
| 产地 | 南京市江宁区 |
| 品牌 | 南起 |
| 型号 | ZDY 122-4 1.5KW |
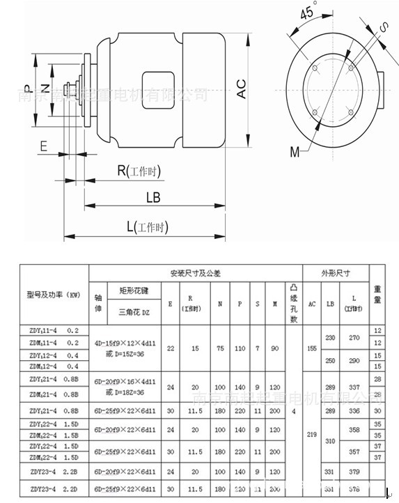
主要性能参数及安装尺寸:
ZDY型锥形转子三相异步电动机是ZD系列派生电机,带有自动刹车装置,适用于电动葫芦的小车运行电机或要求起动转矩较小及制动较平缓的机械装置的驱动。2000年8月通过ISO9001国际质量体系认证。



主要性能参数及安装尺寸:
ZDY型锥形转子三相异步电动机是ZD系列派生电机,带有自动刹车装置,适用于电动葫芦的小车运行电机或要求起动转矩较小及制动较平缓的机械装置的驱动。2000年8月通过ISO9001国际质量体系认证。







