品牌:登龙
产品类型:三相异步电动机
极数:8极
起订:1台
供应:152台
| 产品类型 | 三相异步电动机 |
|---|---|
| 极数 | 8极 |
| 额定功率 | 37 |
| 额定电压 | 380(V) |
| 额定转速 | 710(rpm) |
| 产品认证 | CCC |
| 应用范围 | 机械 冶金 |
| 品牌 | 亿方 |
| 型号 | YZR250M2-8 |
| 品牌: | 上海亿方 | 产品类型: | 三相异步电动机 |
| 型号: | YZR250M2-8 | 极数: | 8极 |
| 额定功率: | 37KW | 额定电压: | 380(V) |
| 额定转速: | 710(rpm) | 产品认证: | ISO9001 |
| 应用范围: | 机械设备 |

1 YZR系列是**设计的电动机,具有过载能力大和机械强度高的特点,特别适用于驱动各种类型的冶金及起重机械或其他类似设备。YZR系列为绕线转子电动机。
2 电动机能在下列环境条件下正常运行:
(1)冷却介质温度不超过60℃(冶金用电动机)或40℃(起重用电动机)
(2)海拔不超过1000米
(3)经常的、显著的机械振动和冲击。
3 电动机在下述负载条件下能正常工作
(1)经常的起动与逆转
(2)经常的电器或机械制动
4 电动机的额定频率为50赫,额定电压为380伏
5 接法:功率为132千瓦和小于132千瓦的定子绕组用Y接法,其余的用△接法。
6 型号说明:
7 输出功率和转速
基准工作制(S340%)时的额定输出功率和同步转速见下表:(笼型电动机制造粗线框内的规格)
额定功率(KW) | **大转矩/额定转矩 |
| ≤5.5 >5.5~11 >11 | 2.3 2.5 2.8 |

8 基准工作制时,YZR系列电动机在额定电压下的**大转矩对额定转矩之比的保证值见下表:
机座 | 同步转速 | ||||
| 1000 | 750 | 600 | |||
| 112M | 1.5 | ||||
| 132 | M1 | 2.2 | |||
| M2 | 3.7 | ||||
| 160 | M1 | 5.5 | |||
| M2 | 7.5 | ||||
| L | 11 | 7.5 | |||
| 180L | 15 | 11 | |||
| 200L | 22 | 15 | |||
| 225M | 30 | 22 | |||
| 250 | M1 | 37 | 30 | ||
| M2 | 45 | 37 | |||
| 280 | S | 55 | 45 | 37 | |
| M | 75 | 55 | 45 | ||
| 315 | S | 75 | 55 | ||
| M | 90 | 75 | |||
| 355 | M1 | 90 | |||
| L1 | 110 | ||||
| L2 | 132 | ||||
| 400 | L1 | 160 | |||
| L2 | 200 | ||||
9 基准工作制时,YZ系列电动机在额定电压下的**大转矩和堵转转矩对额定转矩之比的保证值见下表:
额定功率(KW) | **大转矩/额定转矩 | 堵转转矩/额定转矩 |
| ≤5.5 >5.5~11 >11 | 2.0 2.3 2.5 | 2.0 2.3 2.5 |
工作制及技术数据:
1 电动机的额定电压为380V,额定电流为50Hz。
2 电动机适用于断续周期性负荷,根据负荷的不同性质,电动机的工作制分为:
(1)断续周期性工作制(S3):
是一系列相同的工作周期,每一周期包括一段恒定负载运转的时间和一段停止并断能的时间(见下图),在这种类型中,每一周期的起动电流应对电动机的温升无明显的影响;每10分钟为一工作周期,即每小时起动六次。

N 在额定条件下运行时间
R 停止和断能时间
Qmax 在工作的周期中达到的**高温度
负载持续率
CDF=

(2)带起动的断续周期性工作制(S4):
是一系列相同的工作周期,每一周期包括一段起动时间,一段恒定负载运转的时间和一段停止并断能的时间(见下图);每小时起动次数分为150、300及600次。

D 起动时间
R 停止和断能时间
N 在额定条件下运行时间
R 停止和断能时间
Qmax 在工作的周期中达到的**高温度
负载持续率
CDF=

(3)带电制动的断续周期性工作制(S5):
是一系列相同的工作周期,每一周期包括一段起动时间,一段恒定负载运转时间,一段快速电制动时间和一段停止并断能时间所组成(见下图)。

D 起动时间
N 在额定条件下运行时间
F 电制动时间
R 停止和断能时间
Qmax 在工作的周期中达到的**高温度
负载持续率
CDF=

3 选用电动机时,各种起动及制动状态均需按等效发热折算成每小时等效全起动次数。以该等效全起动次数确定电动机的定额。折算典型例子见下表。
| 工作方式 | 起制动状态 | 热等效起动次数 | |||
| 每小时起动次数 | 每小时点动次数 | 每小时制动次数 | 每小时制动并反转次数 | ||
| S3 | 6 | 0 | 0 | 0 | 6 |
| S3 | 4 | 8 | 0 | 0 | |
| S3 | 2 | 8 | 2 | 0 | |
| S4 | 150 | 0 | 0 | 0 | 150 |
| S4 | 100 | 200 | 0 | 0 | |
| S5 | 80 | 0 | 80 | 0 | |
| S5 | 65 | 130 | 65 | 0 | |
| S5 | 30 | 160 | 30 | 30 | |
| S4 | 300 | 0 | 0 | 0 | 300 |
| S4 | 200 | 400 | 0 | 0 | |
| S5 | 160 | 0 | 150 | 0 | |
| S5 | 130 | 160 | 130 | 0 | |
| S5 | 60 | 320 | 60 | 60 | |
| S4 | 600 | 0 | 0 | 0 | 600 |
| S4 | 400 | 800 | 0 | 0 | |
| S5 | 260 | 0 | 320 | 0 | |
| S5 | 260 | 520 | 260 | 0 | |
| S3 | 120 | 640 | 120 | 120 | |
折算方法: 点动(**终速度不超过额定转速的25%)四次相当于一次全起动;电制动(制动到额定转速的1/3)一次相当于0.8次全起动。
4、电动机的基准工作方式为S3-40%,各工作制下电动机的技术数据见下表。电动机铭牌数据一般按基准工作制供给,如用户有特殊要求则按用户供给数据。当电动机需要按S2~S5工作制之外的方式运行时,需与本公司协商。
YZR系列电动机的工作方式及技术数据:
电动机的结构:绝缘等级:分为F级和H级两种。F级适用于冷却介质温度不超过40℃的一般场所;H级适用于冷却介质温度不超过60℃的冶金场所,两种电动机有相同的电气性能。 防护等级:冶金用为IP54;起重用为IP44。 冷却方法: 112~132为自然冷却(IC0041),160~355为自扇冷却(IC0141),400为具有内循环通风外扇冷却(IC0151)。 安装结构型式:见下表
| 安装及安装形式 | 代号 | 可供的机座 | 轴伸 |
![]() | 1M1001 | 112~160 | 一端圆柱轴伸 |
| 1M1003 | 180~400 | 一端圆锥轴伸 | |
![]() | 1M1002 | 112~160 | 两端圆柱轴伸 |
| 1M1004 | 180~400 | 两端圆锥轴伸 | |
![]() | 1M3001 | 112~160 | 一端圆柱轴伸 |
| 1M3003 | 180~315 | 一端圆锥轴伸 | |
![]() | 1M3011 | 112~160 | 一端圆柱轴伸 |
| 1M3013 | 180~315 | 一端圆锥轴伸 |
电动机的轴伸可以按用户提出的尺寸或要求制造。 传动方式:电动机采用联轴器或正齿轮传动,若采用正齿轮传动时,其齿轮节圆**小直径应不少于轴伸直径的2倍。 电动机定子出线盒位于电动机顶部,可沿电动机两侧方向出线,转子可以从端盖的两侧出线。 电动机零部件名称:如下图 
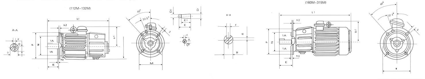
安装及外型尺寸:
1 YZR系列安装及外型尺寸:
(1) YZR系列IM1001、IM1003、IM1002、IM1004卧式安装、机座带底脚、端盖上无凸缘的电动机

(2) YZR系列IM3001、IM3003、IM3011、IM3013立式安装、机座不带底脚、端盖上有凸缘的电动机
2 YZ系列安装及外型尺寸:
(1) YZ系列IM1001、IM1003、IM1002、IM1004卧式安装、机座带底脚、端盖上无凸缘的电动机
上海亿方电机制造有限公司座落于经济发达,风景秀丽,交通便捷的东海之滨—台州市。 公司具有高素质的科研队伍,健全的管理体制,精良的设备及先进的检测设施。公司本着:“质量是企业生存之本”的宗旨。经过公司领导和广大员工的不懈努力,产品全部实行3C标准,逐步向具有外贸经营权的自营出口企业迈进。 公司日生产电动机能力千余台,主要生产NEMA标准电机,Y系列、Y2JM系列电动机;Y2EJ、JLEJ系列电磁制动电动机;JLL,JLC,JLY系列单相铝壳电动机;YCT系列三相电动机;YB防爆型电动机、JL系列三相铝壳电动机;YD,YST变速电动机。YZ,YZR起重及冶金用绕线转子三相异步电动机; 您的认可是公司永远的追求! 公司秉承"顾客至上,锐意进取"的经营理念,坚持"客户**"的原则为广大客户提供**的服务。欢迎惠顾!






