**大负荷:10(KN)
测量范围:0-5Mpa
起订:1台
供应:5台
| 最大负荷 | 10(KN) |
|---|---|
| 测量范围 | 0-5Mpa |
| 测量精度 | 0.01MPa |
| 产地 | 山东 |
| 产品类型 | 全新 |
| 动力类型 | 天然气 |
| 类型 | 全自动压力试验机 |
| 适用范围 | 管件、阀门、容器 |
| 重量 | 200(kg) |
| 操作类型 | 半自动 |
| 品牌 | 思明特(济南) |
| 型号 | SUP_ |
| 加工定制 | 是 |
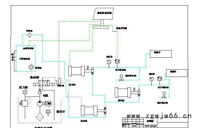
| 一、产品简介 公司规定所有零部件的所有工序都必须检验,每个零件、每个工序的操作者、检验者、检验结果都录入到微机,并向顾客提供试验报告和产品合格证。 二、典型应用 三、系统构成 四、管材脉冲试验装置的特点 五、基本参数 | |
|
1、本件机器已标的是临时价格仅供参考,具体价格根据试验的压力、测试流量及口径尺寸、而定,具体价格您可以咨询我们,以实时报价为准,因此报价只做参考之用;
质保期:设备质保期一年。
济南思明特科技有限公司成立于2008年,是一家专业设计、开发、制造和销售为一体的企业。占地面积3000平米。公司与美国FITOK、美国SSI等国外著m的阀门、传感器公司强强技术合作,引进具有国际水平的设计、开发和企业管理模式,产品具有国际竞争力,其中液体可实现压力450MPa,气体可实现140MPa的超高压力。思明特目前可提供从几KPa到几百兆帕压力的增压及实验系统。从成立以来一直专注于压力增压及检测行业,可提供整套系统解决方案。
联 系 人:陈祥锋 先生 |










