加工定制:是
测试行程:200(cpm)
起订:5台
供应:5台
| 加工定制 | 是 |
|---|---|
| 测试行程 | 200(cpm) |
| 测试速度 | 100(cpm) |
| 类型 | 脉冲压力疲劳测试 |
| 重量 | 200(kg) |
| 适用范围 | 管件接头 |
| 装箱数 | 2 |
| 脉冲频率 | 25-60次/分钟 |
| 品牌 | smt |
| 型号 | SUP_ |
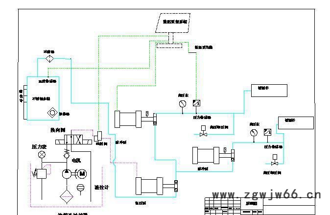
一、产品概述 管件接头疲劳试验机试验压力0-30Mpa,可以调节,主要用于管件接头的脉冲疲劳试验。 箱体是由液压系统和热交换系统,控制仪表等组成的一个有机体。在门都安装闭合检测开关,进行测量检测,以满足试验安全性。控制系统采用工业控制计算机+二次控制仪表系统+传感器开关控制模式,对所有的开关量进行闭合PLC 监控,采用逻辑关系,保证系统的安全和可靠,能够进行故障记录,自动系统锁定逻辑,保证无人值班的试验安全。 二、基本参数 1. 试验介质:液压油 三、结构 疲劳发生装置:疲劳泵、注水泵、调压阀、液压站、比例阀、管路。 四、特点 1.支持断电自动保存数据; 1保修期 |
|
1、本件机器已标的是临时价格仅供参考,具体价格根据试验的压力、测试流量及口径尺寸、而定,具体价格您可以咨询我们,以实时报价为准,因此报价只做参考之用;
质保期:设备质保期一年。
济南思明特科技有限公司成立于2008年,是一家专业设计、开发、制造和销售为一体的企业。占地面积3000平米。公司与美国FITOK、美国SSI等国外**的阀门、传感器公司强强技术合作,引进具有国际水平的设计、开发和企业管理模式,产品具有国际竞争力,其中液体可实现压力450MPa,气体可实现140MPa的超高压力。思明特目前可提供从几KPa到几百兆帕压力的增压及实验系统。从成立以来一直专注于压力增压及检测行业,可提供整套系统解决方案。
联 系 人:陈祥锋 先生 |












