| 加工定制 | 是 |
|---|---|
| 产品用途 | 使用气源控制阀门启闭 |
| 驱动能源 | 气动执行器 |
| 品牌 | ZXDA |
| 型号 | ATD/S75 |
因产品的特殊性,固网络发布的价格为临时性添加,具体产品价格请以实际(旺旺/电话:13989703049/QQ:1181260642)报价为准!

本公司专业从事气动执行装置的研究和开发。有着丰富的生产经验及配套经验,质量稳定可靠,测试手段完善。专产各类型气动执行器,气动球阀,蝶阀,气动调节阀等各种阀门。产品可装配:防爆电磁阀,回讯器,阀门定位器及其它无件。广泛应用于石油化工,金属冶炼,轻工制药,锅炉设备,污水处理,印染机械等。常年为管道远距离单据和集中控制,可通过计算机操作,是实现工业自动化的先驱装置。公司在生产执行机构的同时,还和其他许多**的电磁阀,位置反馈开关,过滤器,定位器生产厂家有着良好的合作关系,可为用户提供多种配套服务。本公司将以“**,诚信”为宗旨,向您提供满意的产品,完善的服务。








ATD/ATS新型齿轮齿条式气动执行器由PHEUCO公司综合了国内外**技术,通过CAD三维模型创新优化设计,外形美观紧凑、现代化的造型;并采用实用新型材料、新工艺,使产品的质量、性能更加可靠;多规格选型更经济实惠;产品全面符合**国际标准技术规范,满足现在和未来的需求。




①齿轮齿条双活塞对称结构设计,动作快速平稳,精度高,输出功率大,通过简单的改变活塞装配位置可得到反方向旋转。
②挤压的**铝合金缸体,经精密加工的内孔和外部表面进行硬质阳极氧化处理(特殊情况下阳极氧化+特氟隆涂层),使用寿命更长,摩擦系数低。
③一体式设计,所有的双作用和单作用执行器型号,都具有相同的缸体和端盖,很方便通过加装弹簧或拆除弹簧来改变作用方式。
④组合式预符荷安全弹簧组,不论在装配过程或使用现场中,都能方便而安全的安装或增减弹簧数量。
⑤外部侧面两个单独调节螺钉对于已安装在阀门上的执行器更是**方便,调节阀开和阀关位置,如需全行程调节时则另外在两个端盖处配置较长调节螺钉。
⑥多功能位置指示器,现场可视化指示,符合VID/VIE3845、NAMUR标准槽,能安装并输出所有附件,如限位开关盒、电气定位器、位置传感器(倍加福、图尔克)。
⑦气源接口符合NRMAR标准,可直接安装NUMAR标准电磁阀。
⑧齿条背面的复合材料轴瓦和活塞导向环以及输出轴的轴承等为防止金属对金属的摩擦,并且增加润滑,使其低摩擦、长寿命。
⑨所有的紧固件均采用不锈钢材料,长期抗腐蚀。
⑩连接部分符合全新国际标准规范ISO5211,DIN3337(F03-F25)使产安装具有互换性、通用性 。
AT 双作用工作原理
当气源压力从气口(2)进入气缸两活塞之间中腔时,使两活塞分离向气缸两端方向移动,两端气腔的空气通过气口(4)排出,同时使两活塞齿条同步带动输出轴(齿轮)逆时针方向旋转。反之气源压力从气口(4)进入气缸两端气腔时,使两活塞向气缸中间方向移动,中间气腔的空气通过气口(2)排出,同时使两活塞齿条同步带动输出轴(齿轮)顺时针方向旋转。(如果把活塞相对反方向安装,输出轴变为反向旋转,即为双作用反转DL型)
空气进入左气孔,带动活塞左右推动. 空气进入右气孔,带动活塞往中间压缩.
AT单作用气动执行器工作原理
当气源压力从气口(2)进入气缸两活塞之间中腔时,使两活塞分离向气缸两端方向移动,迫使两端的弹簧压缩,两端气腔的空气通过气口(4)排出,同时使两活塞齿条同步带动输出轴(齿轮)逆时针方向旋转。在气源压力经过电磁阀换向后,气缸的两活塞在弹簧的弹力下向中间方向移动,中间气腔的空气从气口(2)排出,同时使两活塞齿条同步带动输出轴(齿轮)顺时针方向旋转。(如果把活塞相对反方向安装,弹簧复位时输出轴变为反向旋转,即为单作用反转SO型)
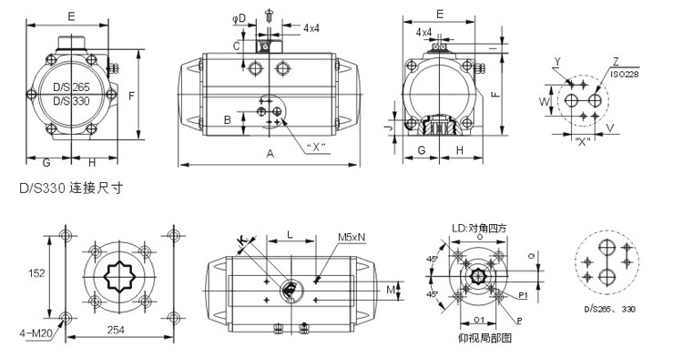
AT气动执行器 尺寸图
AT气动执行器-选用
选用气动执行器时,在已确定阀门的扭矩上再增加安全值,水蒸气或非润滑的液体介质增加25%安全值;非润滑的浆料液体介质增加30%安全值;非润滑的干气介质增加40%安全值;非润滑用气体输送的颗粒粉料介质增加60%安全值;对于清洁、低摩擦的润滑介质增加20%安全值(上述安全值为本公司理论推荐,仅供参考)。
AT型双作用式执行器选用示例
当气动执行器控制一个需要扭矩200Nm的球阀,气源压力只有5bar,介质为非润滑的水蒸气,考虑到安全因素,增加25%安全值等于250Nm,按双作用输出扭矩表查找气源压力5bar,然后沿该列垂直查找等于或相近的扭矩数据,选277Nm,再沿该行向左查找其型号,选择ATD-125型。
AT单作用式执行器选用示例
当气动执行器控制一个需要扭矩100Nm的蝶阀,气源压力为4.5bar,介质为非润滑的干燥气体,考虑到安全因素,增加40%安全值等于140Nm,按单作用输出扭矩表查找弹簧复位终点得到相近扭矩148Nm,然后沿该行向左查找气源压力4.5bar的终点扭矩158Nm,必须考虑气源压力扭矩和弹簧复位扭矩相对力平衡,再沿该行向左查找其型号和弹簧数量,选择ATS-145型、9只弹簧.
气动执行器 有关数据
A)执行器的动作时间是下列条件测试;
(1)常温(2)900行程(3)电磁阀4mm口径,流量为Qn400L/min (4)管子内径8mm(5)中性干净空气(6)气源压力5.5bar(7)执行器空载
注:在现场测试中一个或多个参数不同,动作时间会发生变化。
B)型号ATS重量为10根弹簧计算;需要增加或减少弹簧数量按每根弹簧重量来计算增加或减少每一台重量。



气动执行器的维护与保养
气动执行器的日常雄护工作.气源应保持干燥、清洁.定期对与气动执行器相应应配合使用的空气过滤器进行放水、排污.以免进入电磁阀和执行器,影响正常工作。执行外表清洁.无粉尘沾积;执行器应不受水蒸汽、水、油污的沾染。气动执行器的密封应良好.各密封面、点应完整牢圈.严密无损.气缸进出口气接头不允许有报伤;气缸和管道系统的各部位应进行仔细维检查,保持气源压力正常。管子不允许有凹陷.保持畅通.不得有影晌硬用性能的泄露。不论是电磁阀、气源处理三联件、定位器的的气源管理连接应该完好无损.不得有泄露。电气部份的电源信号或调节电流位号应无缺相、短路、断路故阵,外亮防护接头连接应紧实、严密.防止进水、受潮与灰尘的入侵,保证电磁阀或定位器的正常工作.信号回信器应处于完整状态,以保证阀门开开关位置信号传送正常.手动操作机构应润滑良好,启闭灵活。手动操作机构向平柄处在手动位,时严向执行器通气。
气动执行上的阀门外表表面应应保持油洁.经常去除灰尘、油污以及介质残渣等脏污。对于门门的活动部位必用保持清洁。以免产生磨损和度蚀.在行动中阀门应完好、无泄漏.开启和关闭灵活。各种阀门件应齐全、完好。法兰和支架上的螺栓不
可缺少.螺纹应完好无损.不允许有松动现象.如发现松动应及时拧紧.以免磨损链接造成开启和关闭的位置不正确,产生泄露填料压盖不允许歪斜.避免对阀杆部位摩擦而.咬死.遭成执行不灵活不能正常工作。因此对气动阀门维护与保养十分重要。才能达到整个气动仪表控制系统处于正常工作状态。在正常工作情况下每月检查不少干一次.每年检修一次.

一、购物前:有任何问题,可以随时咨询哦,我们一定会耐心为你解答的。
二、关于产品的价格:部分网上价格仅供参考,具体产品价格请致电咨询卖家。未经咨询恕不发货。
三、关于物流:具体物流方式和费用由买卖双方协商决定。

联系人:罗辉(销售部)
移动电话:13989703049
Q Q:2855538133
传 真:86 0577 85827663
地 址:中国 浙江 温州市龙湾沙城北工业区3135号
邮 编:325025

