小口径不锈钢水表,水表壳体为不锈钢材质,字轮密封在特殊的液体中,计数部分长期保持在灌满水状态,让读数清晰直观。本水表还具有结构先进,计量精度高,性能稳定性好,使用寿命长等特点。
二、技术参数
温度等级:冷水表:T30;热水表:T30/T90
压力等级:MAP10
压力损失等级:Δp63
上游流场敏感度等级:U10
下游流场敏感度等级:D5
三、流量参数
公称口径 | 量程比R | 过载流量Q4 | 常用流量Q3 | 分界流量Q2 | 最小流量Q1 | 最小读数 | 最大读数 |
mm | Q3/Q1 | m3/h | m3 | ||||
15 | 100 | 3.1 | 2.5 | 0.040 | 0.025 | 0.00005 | 99,999 |
20 | 100 | 5 | 4 | 0.064 | 0.040 | 0.00005 | 99,999 |
25 | 100 | 7.9 | 6.3 | 0.101 | 0.063 | 0.00005 | 99,999 |
32 | 100 | 12.5 | 10 | 0.160 | 0.100 | 0.00005 | 99,999 |
40 | 100 | 20 | 16 | 0.256 | 0.160 | 0.00005 | 99,999 |
50 | 100 | 31 | 25 | 0.400 | 0.250 | 0.00005 | 99,999 |
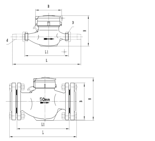
四、外形尺寸
公称口径 | 长L1 | 长L | 宽B | 高H | 连接螺纹 | |
mm | D | d | ||||
15 | 165 | 259 | 89 | 102 | G3/4B | R1/2 |
20 | 190 | 294 | 89 | 102 | G1B | R3/4 |
25 | 225 | 345 | 98 | 124 | G11/4B | R1 |
32 | 230 | 354 | 104 | 124 | G11/2B | R11/4 |
40 | 200 | 328 | 112 | 130 | G2B | R11/2 |
50 | 245 | 389 | 124 | 152 | G21/2B | R2 |

