NB-IOT物联网水表是基于新一代蜂窝移动窄带物联网技术的远传水表。水表内嵌NB-IOT通信模块和SIM卡,水表通过专属网络与云平台进行通信,实现水表数据的数据管理、计量存储功能、水表数据自动上报、刷卡触发数据上报,低电压保护功能、表异常提示功能、数据上报周期可设置,用户可通过电脑和手机等客户终端访问云平台进行相关操作和数据管理。水表模块及电子部分做了特殊的防水工艺处理,防水等级>IP68,确保水表能在无防水条件恶劣环境中使用。
二、特点
1、施工方便:无需布线,直接安在管道上
2、支持运营商:移动、电信、联通
3、阶梯计费,用的越多,水费越贵。
4、传输技术:NB-IOT技术
5、低功耗,长寿命。
6、防水等级:GB-IP68
7、手机缴费,预充值功能,先交费后用水。
二、技术参数
温度等级:冷水表:T30;热水表:T30/T90
压力等级:MAP10
压力损失等级:Δp63
上游流场敏感度等级:U10
下游流场敏感度等级:D5
三、流量参数
公称口径 | 量程比R | 过载流量Q4 | 常用流量Q3 | 分界流量Q2 | 最小流量Q1 | 最小读数 | 最大读数 |
mm | Q3/Q1 | m3/h | m3 | ||||
15 | 100 | 3.1 | 2.5 | 0.040 | 0.025 | 0.00005 | 99,999 |
20 | 100 | 5 | 4 | 0.064 | 0.040 | 0.00005 | 99,999 |
25 | 100 | 7.9 | 6.3 | 0.101 | 0.063 | 0.00005 | 99,999 |
32 | 80 | 12.5 | 10 | 0.200 | 0.125 | 0.00005 | 99,999 |
100 | 0.160 | 0.100 | |||||
40 | 80 | 20 | 16 | 0.320 | 0.200 | 0.00005 | 99,999 |
100 | 0.256 | 0.160 | |||||
50 | 80 | 31 | 25 | 0.500 | 0.313 | 0.00005 | 99,999 |
100 | 0.400 | 0.250 | |||||
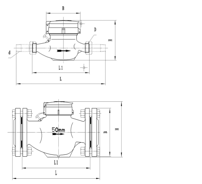
四、外形尺寸
公称口径 | 长L1 | 长L | 宽B | 高H | 连接螺纹 | |
mm | D | d | ||||
15 | 165 | 259 | 89 | 102 | G3/4B | R1/2 |
20 | 190 | 294 | 89 | 102 | G1B | R3/4 |
25 | 225 | 345 | 98 | 124 | G11/4B | R1 |
32 | 230 | 354 | 104 | 124 | G11/2B | R11/4 |
40 | 200 | 328 | 112 | 130 | G2B | R11/2 |
50 | 245 | 389 | 124 | 152 | G21/2B | R2 |

