该水表是在机械水表基础上增加电子模块等部件,实现了先付费,后用水的预收费模式,极大的方便了供水管理部门及用户的使用,水表模块及电子部分都做了特殊的防水处理,防水等级>IP68.该水表专门为地下井、室外地表井没有防水条件的恶劣环境设计。
二、技术参数
温度等级:冷水表:T30;热水表:T30/T90
压力等级:MAP10
压力损失等级:Δp63
上游流场敏感度等级:U10
下游流场敏感度等级:D5
三、流量参数
公称口径 | 量程比R | 过载流量Q4 | 常用流量Q3 | 分界流量Q2 | 最小流量Q1 | 最小读数 | 最大读数 |
mm | Q3/Q1 | m3/h | m3 | ||||
15 | 100 | 3.1 | 2.5 | 0.040 | 0.025 | 0.00005 | 99,999 |
20 | 100 | 5 | 4 | 0.064 | 0.040 | 0.00005 | 99,999 |
25 | 100 | 7.9 | 6.3 | 0.101 | 0.063 | 0.00005 | 99,999 |
32 | 80 | 12.5 | 10 | 0.200 | 0.125 | 0.00005 | 99,999或 999,999 |
100 | 0.160 | 0.100 | |||||
40 | 80 | 20 | 16 | 0.320 | 0.200 | 0.00005 | 999,999 |
100 | 0.256 | 0.160 | |||||
50 | 80 | 31 | 25 | 0.500 | 0.313 | 0.00005 | 999,999 |
100 | 0.400 | 0.250 | |||||
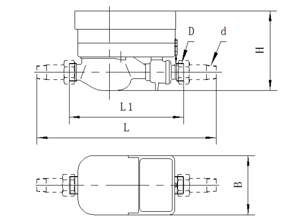
四、外形尺寸
公称口径 | 长L1 | 长L | 宽B | 高H | 连接螺纹 | |
mm | D | d | ||||
15 | 165 | 259 | 99 | 109 | G3/4B | R1/2 |
20 | 190 | 294 | 99 | 109 | G1B | R3/4 |
25 | 260 | 380 | 104 | 119 | G11/4B | R1 |
32 | 260 | 384 | 104 | 119 | G11/2B | R11/4 |
40 | 300 | 428 | 125 | 156 | G2B | R11/2 |
50 | 300 | 446 | 125 | 156 | G21/2B | R2 |
50(铁壳) | 280 | 360 | 165 (法兰外径) | 181 | 法兰连接8-M16 | |

