| 额定电压 | 380V/415/440/460(V) |
|---|---|
| 应用范围 | 水泵、风机 |
| 产品类型 | 三相异步电动机 |
| 产品认证 | CCC |
| 额定功率 | 1.5 |
| 额定转速 | 2950(rpm) |
| 极数 | 2极 |
| 品牌 | 亚琦 |
| 型号 | Y2-90S-2-1.5KW |
产品名称: Y2系列三相异步电动机
简介 销售热线:021-61550266 /61550267 QQ:395794117手机:13918660275
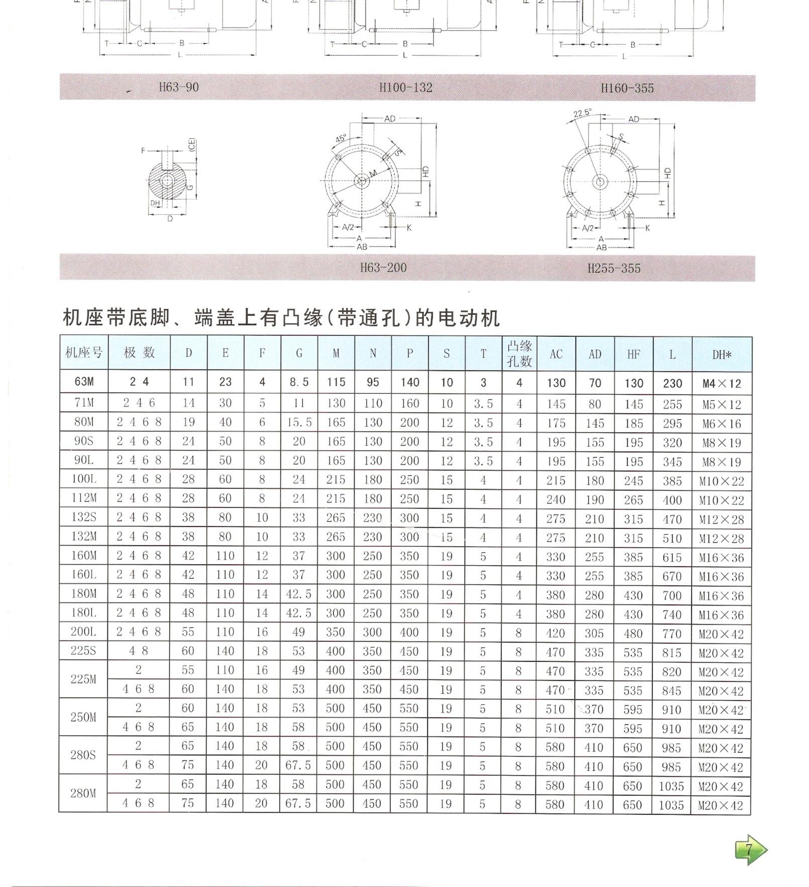
1、Y2系列(IP54)三机异步电动机是我国集开发设计的新一代电机产品,各项性能指标达到国际先进水平。 2、Y2基本系列三相电动机机座从H63~H355.电机的转速有有2950r/min、1450r/min、980r/min、785r/min、功率0.55KW~315KW。同时Y2系列三相异步电动机还可以设计成其它派生系列和专用系列及异电压、异频率的三相异步电动机。用户可以根据自己不同的要求自行选用。
该系列三相异步电动机特点: A、标准化、通用程度高。 1)国内配套电动机与出口配套电动机基本一致; 2)在安装尺寸方面与Y系列电动机基本上相同 ,可以配套电机具有一定的继承性; 3)本系列所用的材料、标准件、坚固件均按国内有关标准选用。 B、Y2系列电动机具有独特的外形结构平行垂直散热片,这样既增加了散热面积,改观了传统电动机外观美感。 C、采用了降低噪声,振动措施后,电动机的噪声,振动均比较低,分别比Y系列低5.55dB(A)和0.5~0.9mm/S左右。 D、具有较高的堵转转矩、最大转矩、最小转矩与额定转矩之比较Y系列同等功率电动机高出0.11~0.22倍左右。 E、具有较低的堵转电流与额定电流之比倍数较Y系列同等规格电动机低0.2~0.4倍左右。 F、Y2系列电动机负载率在75%左右时具有最佳效率特点。 G、Y2系列电动机绝缘等级为F级,最高工作温度为155℃,温升允许110K,但电动机温升仍按B级绝缘,最高工作温度130℃,温升为80K考核。同时实测温升均在50K~70K左右,故本系列电动机温升裕度大,使用安全可靠。 4、Y2基本系列三相异步电动机的使用条件: 1)环境温度随季节而变化,但不超过40℃,最低为-15℃; 2)环境空气月平均最高相当湿度为90%; 3)海拔高度:不超过1000M; 4)额定频率:50HZ; 5)额定电压;380V;绝缘等级F级; 6)工作制;S1(连续额定工作方式); 7)冷却方式;ICO141(风扇自扇冷却); 8)接法;功率在3KW(4hp)及以下者为Y接;功率在4KW(5.5hp)及以上为△接。 例; Y2 132 S2-2 Y2表示异步电动机 2表示极数 132表示机座中心高(毫米) S2机座长度及铁芯长度代号 二、安装结构形式 (1)B3:机座带底脚,端盖无凸缘。 (2)B5:机座不带底脚,端盖有凸缘。 (3)B35:机座带底脚,端盖有凸缘。
基本参数:(Y2系列)
额定电压:380V ;
额定频率:50Hz;
机座号:
功率范围: kW ;
极数:
转速: r/min
Y2系列电机参数:
极数:2,4,6,8,10、12、14、16;
防护等级:IP54;
绝缘等级:F(温升按B级考核);
冷却方法:IC411、IC410;
额定功率:0.12-315KW
额定电压:380V
额定频率:50Hz
机座号:63-355
安装方式:B3 B5 B35 B14
我公司可以按用户要求设计、制造各种电压、各种频率、各种防护等级、各种安装方式的电动机产品.
基本参数:(Y系列)
额定电压:380V ;
额定频率:50Hz;
机座号:
功率范围: kW ;
极数:
转速: r/min
防护等级:IP44
Y系列电机型号参数:
极数:2,4,6,8,10、12、14、16;
防护等级:IP54;
绝缘等级:F(温升按B级考核);
冷却方法:IC411、IC410;
额定功率:0.12-315KW
额定电压:380V
额定频率:50Hz
机座号:63-355
安装方式:B3 B5 B35 B14
我公司可以按用户要求设计、制造各种电压、各种频率、各种防护等级、各种安装方式的电动机产品.
主营:Y系列电动机,Y2系列电动机,Y3系列电动机,YX3系列电动机(二级能效),YEJ刹车电动机,YVP/VF系列变频电动机,MS系列铝壳电动机,YS系列微型电动机,YL系列单相异步电机,YVPEJ变频制动电动机,YCT系列电磁调速电动机,YQ系列电机智能保护器,YQ系列电机节电器(节电10%-50%),QMA系列电机专用变频器等电机相关配套产品的的制造与销售。
基本参数:(Y系列)
额定电压:380V ;
额定频率:50Hz;
机座号:
功率范围: kW ;
极数:
转速: r/min
防护等级:IP44
Y系列电机型号参数:
极数:2,4,6,8,10、12、14、16;
防护等级:IP54;
绝缘等级:F(温升按B级考核);
冷却方法:IC411、IC410;
额定功率:0.12-315KW
额定电压:380V
额定频率:50Hz
机座号:63-355
安装方式:B3 B5 B35 B14
我公司可以按用户要求设计、制造各种电压、各种频率、各种防护等级、各种安装方式的电动机产品.
| Y2-801-2 | 0.75 | Y2-802-4 | 0.75 |
| Y2-802-2 | 1.1 | Y2-90S-4 | 1.1 |
| Y2-90S-2 | 1.5 | Y2-90L-4 | 1.5 |
| Y2-90L-2 | 2.2 | Y2-100L1-4 | 2.2 |
| Y2-100L-2 | 3 | Y2-100L2-4 | 3 |
| Y2-112M-2 | 4 | Y2-112M-4 | 4 |
| Y2-132S1-2 | 5.5 | Y2-132S-4 | 5.5 |
| Y2-132S2-2 | 7.5 | Y2-132M-4 | 7.5 |
| Y2-160M1-2 | 11 | Y2-160M-4 | 11 |
| Y2-160M2-2 | 15 | Y2-160L-4 | 15 |
| Y2-160L-2 | 18.5 | Y2-180M-4 | 18.5 |
| Y2-180M-2 | 22 | Y2-180L-4 | 22 |
| Y2-200L1-2 | 30 | Y2-200L-4 | 30 |
| Y2-200L2-2 | 37 | Y2-225S-4 | 37 |
| Y2-225M-2 | 45 | Y2-225M-4 | 45 |
| Y2-250M-2 | 55 | Y2-250M-4 | 55 |
| Y2-280S-2 | 75 | Y2-280S-4 | 75 |
| Y2-280M-2 | 90 | Y2-280M-4 | 90 |
| Y2-315S-2 | 110 | Y2-315S-4 | 110 |
| Y2-315M-2 | 132 | Y2-315M-4 | 132 |
| Y2-315L1-2 | 160 | Y2-315L1-4 | 160 |
| Y2-315L2-2 | 200 | Y2-315L2-4 | 200 |
| Y2-355M-2 | 250 | Y2-355M-4 | 250 |
| Y2-355L-2 | 315 | Y2-355L-4 | 315 |




