品牌:徐州艾迪
材质:碳钢
产地:江苏徐州
起订:1个
供应:10000个
发货:4天内
立即购买
| 材质 | 碳钢 |
|---|---|
| 产地 | 江苏徐州 |
| 产品种类 | 其他 |
| 规格 | DN20-DN300 |
| 适用范围 | 化工 |
| 形状 | 其他 |
| 品牌 | 徐州艾迪 |
| 型号 | SG-ZT型 |
| 质量认证 | CCC |
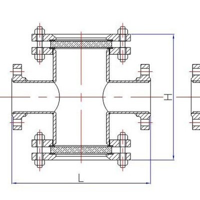
供应江苏常州碳钢SG-ZT型管道直通视镜结构图实拍图片
管道直通视镜(SG-ZT型)
直通视镜广泛应用于管道、设备装置中重要附件。可用于温度高,腐蚀性强、易中毒、危险性较大,易结晶的化工塔器中,以保证其安全生产。直通视镜安装尺寸小,驱动力矩小,操作简单方便,视镜在大中口径、中低压力的使用领域,它是普遍常用的视镜形式。
订货参数及范围: 型号规格:SG-ZT DN20-DN300(3/4”~12”) 材质要求:壳体和视窗材质可参照管道视镜系列详细参数 工作压力:0.6Mpa~2.5Mpa,高压需客户指定。 工作温度:参考视镜系列详细参数,特殊情况需指明 连接方式:法兰连接和螺纹连接
法兰标准及压力等级:HG,GB为常用标准。
| DN | 20 | 25 | 40 | 50 | 65 | 80 | 100 | 125 |
| H | 145 | 189 | 234 | 278 | 278 | 308 | 308 | 364 |
| L | 200 | 260 | 260 | 320 | 320 | 360 | 360 | 440 |
【安全与维护】 1、 视镜适用于观察液体、气体、蒸汽等介质的流动反应设备,其视窗玻璃应保持干净无灰尘。 2、 视窗玻璃属于易损件,安装视镜时应小心轻放 3、 玻璃耐温耐压有一定的局限,请严格执行说明书上的规定。 4、 允许急变温度小于60度,玻璃因温差过大会破裂 提示:根据介质的性质以及管内的压力确定选型。


