| 额定电压 | 380(V) |
|---|---|
| 应用范围 | 特别适用于驱动各种类型的冶金及起重机械或其他类似设备 |
| 产品类型 | 三相异步电动机 |
| 产品认证 | ISO9001 |
| 额定功率 | 11KW |
| 额定转速 | 705(rpm) |
| 极数 | 8极 |
| 品牌 | 长祥 |
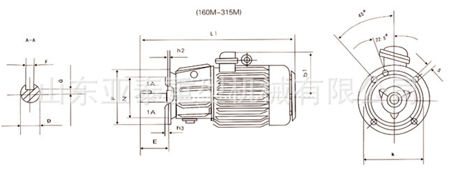
| 型号 | YZR180L |



产品概述:
1.1、YZR、YZ系列是**设计的电动机,具有过载能力大和机械强度高的特点,特别适用于驱动各种类型的冶金及起重机械或其它类似设备。YZR系列为绕线转子电动机、YZ系列为笼型电动机。
1.2、电动机能在下列环境条件下正常运行:
(1)冷却介质温度不超过60℃(冶金用电动机)或40℃(起重用电动机)。
(2)海拔不超过1000米。
(3)经常的、显著的机械振动和冲击。
1.3、电动机在下述负载条件下能正常工作
(1)经常的起动与逆转
(2)经常的电气或机械制动
1.4、电动机的额定频率为50赫,额定电压为380伏
1.5、接法:功率为132千瓦和小于132千瓦的定子绕组用Y接法,其余的用△接法
1.6、型号说明
1.7、输出功率和转速基准工作制(S340%)时的额定输出功率和同步转速见表1(笼型电动机制造粗线框内的规格)
1.8、基准工作制时,YZR系列电动机在额定电压下的**大转矩对额定转矩之比的保证值见表2
1.9、基准工作制时,YZ系列电动机在额定电压下的**大转矩和堵转转矩对额定转矩之比的保证值见表3
电动机的工作方式及技术数据:
2.1电动机的额定电压为380V,额定频率为50HZ。
2.2 电动机适用于断续周期性负荷,根据负荷的不同性质,电动机的工作制分为:
2.2.1 断续周期性工作制(S3):是一系列相同的工作周期,每一周期包括一段恒定负载运转的时间和一段停止并断能的时间
(见图1),在这种类型中,每一周期的起动电流应对电动机的温升无明显的影响;每10分钟为一工作周期,即每小时起动六次。
2.2.2 带起动的断续周期性工作制(S4):是一系列相同的工作周期,每一周期包括一段起动时间,一段恒定负载运转的时间和一
段停止并断能时间(见图2);每小时起动次数分为150、300及600次。
2.2.3 带电制动的断续同期性工作制(S5):是一系列相同的工作周期,每一周期由一段起动时间,一段恒定负载运转时间,一段
快速电制动时间和一段停止并断能时间所组成(见图3)。
2.3 选用电动机时,各种起动及制动状态均需按等效发热折算成每小时等效全起动次数。以该等效全起动次数确定电动机的定额。
折算典型例子见表4。
折算的方法:
点动**终速度不超过额定转速的25%)四次相当于一次全起动:电制动(制动到额定转速的1/3)一次相当于0.8次全起动。
2.4 电动机的基准工作方式为S3-40%,各工作制下电动机的技术数据见表5。电动机**数据一般按基准工作制供给,如用户有
特殊要求则按用户要求供给数据。当电机需要按S2~S5工作制之外的方式运行时,需与制造厂协商。






山东亚泰重型机械有限公司是国内知名的重型机械生产企业,经**质检总局核准,是集专业设计制造吊钩桥式起重机、抓斗桥式起重机、防爆桥式起重机、冶金桥式起重机、双小车桥式起重机、电动葫芦桥式起重机、双小车电动葫芦桥式起重机、冶金电动葫芦桥式起重机、抓斗电动葫芦桥式起重机、防爆电动单梁起重机、防爆电动单梁悬挂起重机、防爆电动葫芦桥式起重机、电动单梁起重机、冶金电动单梁起重机、抓斗电动单梁起重机、电动单梁悬挂起重机、双梁吊钩门式起重机、单主梁吊钩门式起重机、抓斗门式起重机、电动葫芦门式起重机、电动葫芦半门式起重机、单主梁电动葫芦门式起重机、双主梁电动葫芦门式起重机、抓斗电动葫芦门式起重机、旋臂式起重机、钢丝绳电动葫芦、防爆钢丝绳电动葫芦、冶金钢丝绳电动葫芦、及安装、改造、维修为一体的股份制企业,产品广泛应用于各行各业,拥有良好的口碑和一定的市场影响力,在国内重型机械生产领域处于**地位。
品**异有保障
近年来,国内起重机市场日趋激烈,更多的企业将主要精力放在市场营销层面,反而将**重要的产品研发搁置一旁。山东亚泰脚踏实地,发展为拥有49个型号1000多个规格设计制造能力。始终坚持将提供**的产品作为企业经营的首要工作。山东亚泰拥有一支经验丰富、技术实力强大的科研开发队伍,涵盖单双梁桥式、门式、防爆、冶金、电站起重机的设计、制造业务等,并将研发、设计制造、工艺流程、质量检验、售后服务等都有效的置于质量体系的控制之下,制造出**、价廉的系列产品畅销全国各地,均获得了良好的用户口碑。
性价比高受欢迎
起重机是以间歇、重复工作方式通过起重吊钩或其他吊具垂直升降和水平移动重物的起重运输机械设备,它广泛应用于工厂、仓库、货场、商店、机械、化工、电站、冶金、纺织、食品、矿山、港口、铁路、公路、城市建设,以及风电、核电等大型工程项目,是提高劳动效率,改善劳动条件的必备机械。在经济发展中发挥着越来越重要的作用。为了更好地将产品覆盖不同行业及不同区域,山东亚泰以其雄厚的实力,打造了覆盖范围广、业绩显著的销售模式。山东亚泰销售经理许西干表示,山东亚泰在全国各地建有销售、售后服务网络一百多家,能高效、迅捷地为用户提供产品的售前咨询、设计制造、运输安装、维修保养等一条龙服务。同时山东亚泰拒绝暴利,杜绝价格水分,只赚取合理利润,出售的产品在市场上性价比**高,受到了用户的极大欢迎。
因为恪守为用户创造价值的经营理念,山东亚泰近年来获得长足的发展,规模不断壮大,现公司占地面积9.6万平方米,拥有固定资产一亿贰千万元,现有员工1000余人,其中专业技术管理人员150人。凭借科学的管理体系,便利的运输条件**的研发团队、较强的生产能力,先进的检测手段和强大的销售网络,相信山东亚泰在今后将不断做大做强,生产出更多**的产品**中国起重机市场发展前行,为中国经济的发展保驾护航。
服务承诺:
1、本公司所生产的产品保质期为12个月。
2、在保质期内如有质量问题,本公司均按规定实行“三包”服务。
3、在接到用户关于产品质量问题通知后,公司在24小时之内派出有关人员赶到现场处理解决问题。
4、根据用户要求,无偿地为对方培训司机人员,直至能独立工作,无偿地提供技术咨询,指导设备调试和与产品有关的问题。
5、售后服务人员保证做到认真、周到、彻底处理好有关质量问题,使用户购机放心,用机安心。
6、属本公司产品质量问题的产品,一切费用由公司承担,因用户使用不当所造成的产品质量问题,本公司酌情收费,保证用户满意。
【售前服务】
如果您还不是阿里巴巴会员,可以使用阿里巴巴提供的临时对话旺旺,只要您点击我们的旺旺**可以直接在线对话,您也可以直接联系我公司。联系方式如下:
山东亚泰重型机械有限公司
销售及售后服务电话:13455734286
客服QQ:381098225
联系人:许西干

E-mail:yataiqz@163.com
官方网址:www.yataiqz.com
官方商城:www.xuxigan.cn.
地址:山东省新泰市羊流工业园区


