| 品牌 | 中国新越 |
|---|---|
| 型号 | D973H-6C |
| 品牌* | 中国新越 |
| 型号* | D673H-16C |
| 加工定制* | 是 |
| 安装尺寸 | DN40一DN1800 |
| 标准 | 国标、化工部、机械部、美标等 |
| 工作温度 | 常温 |
| 公称通径 | DN40一DN1800 |
| 公称压力 | 0.6Mpa、1.0Mpa、1.6Mpa |
| 规格 | DN40一DN1800 |
| 结构形式 | 三偏心蝶阀 |
| 介质温度范围 | ≦300℃ |
| 口径 | DN40一DN1800 |
| 连接形式 | 法兰、对夹、焊接等 |
| 流动方向 | 单向、双向 |
| 密封形式 | 金属硬密封蝶阀 |
| 驱动方式 | 手动、气动、电动、液动 |
| 适用介质 | 水、蒸汽、油品等 |
| 形态 | 蝶式 |
| 压力环境 | 常压 |
| 通道位置 | 直通式 |










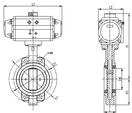
D673H-16C 三偏心金属硬密封气动对夹蝶阀概述:
金属硬密封蝶阀被广泛应用于石油、化工、电力、冶金、食品、医药、轻纺、造纸等行业,可安装在温度≤425℃,介质为煤气、空气、蒸汽、水、海水、油品等工业管网上作调节流量和切断介质用。
驱动形式有手动、蜗轮传动、气动、液动、电动、电液联动等执行机构,可实现远距离控制和自动化操作。金属硬密封蝶阀系列产品,系长寿命、节能型蝶阀。其结构采用三维偏心原理设计,阀座采用硬软密封兼容的多层次金属结构,加工精湛,工艺先进。本产品由阀体、蝶板、多层次金属阀座、阀杆、传动机构等主要部件组成。因此被广泛地应用到冶金、电力、石油、化工、空气、煤气、可燃气体以及给排水等腐蚀性介质的管道上。
由于本产品蝶阀采用的是三维偏心原理设计,使密封面的空间运动轨迹达到理想化,密封面相互之间无磨擦、无干涉、加之密封材料选择得当,从而使蝶阀的密封性、耐腐蚀性、耐高温性和耐磨性等得到了可靠的保证。
D673H-16C 三偏心金属硬密封气动对夹蝶阀其主要特点:
1、结构简单、紧凑、重量轻、易于安装和拆卸、维修方便。
2、三维偏心结构,使蝶板越关越紧,其密封性能可靠,达到零泄漏。
3、阀体密封面采用堆焊D507合金钢,所以耐高压、耐腐蚀、耐磨损、使用寿命长。
D673H-16C 三偏心金属硬密封气动对夹蝶阀采用标准:
1.设计标准:
GB/T12238-1989
JB/T8527-2015
2.连接标准:
GB/T9113.1-2000;GB/T9113.2-2000
GB/T9115.1-2000;GB/T9115.2-2000
3.结构长度标准:
GB/T12221-1989
4.压力试验标准:
GB/T13927-1992
JB/T9092-1999
气动执行机构概述:
采用新型GT系列型气动执行器,有双作用式和单作用式(弹簧复位),齿轮传动,安全可靠;大口径阀门采用AW系列型气动执行器拔叉式传动,结构合理,输出扭矩大,有双作用式和单作用式。
气动执行机构特点:
1、齿轮式双活塞,输出力矩大,体积小。
2、气缸选用铝金材料,重量轻、外形美观。
3、可在顶部、底部安装手动操作机构。
4、齿条式连接可调节开启角度、额定流量。
5、执行器可选带电讯号反馈指示及各类附件以实现自动化操作。
6、IS05211标准连接为产品的安装更换提供了方便。
7、两端调的节螺钉可使标准产品在0°和90°有±4°的可调范围。确保与阀门的同步精度。
气动执行机构根据不同控制和要求可选择下列附件:
切断型附件:单电控电磁阀、双电控电磁阀、限位开关回讯器。
调节型附件:电气定位器、气动定位器、电气转换器。
气源处理附件:空气过滤减压阀、气源处理三联件。
D673H-16C 三偏心金属硬密封气动对夹蝶阀具体尺寸:



