| 用途 | 直接起动 |
|---|---|
| 额定电流 | 11.5 |
| 额定电压 | 203 |
| 适用电机 | 无刷 |
| 产品认证 | CE |
| 品牌 | STONKER |
| 型号 | 123BL(1)B150-30H |
| 品牌:深圳智创STONKER | 产品类型:永磁同步电动机 | 型号:直流型无刷驱动器 BD22004CD-01 |
| 极数:4极 | 额定功率:500W | 额定电压:220(V) |
| 额定转速:1500(rpm) | 产品认证:CE | 应用范围:喷化设备、机械雕刻机 |
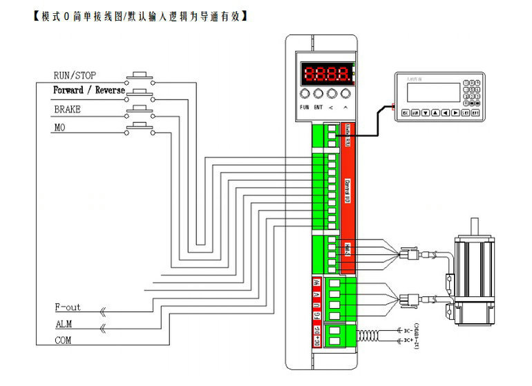
| 控制方式**PID+PWM控制技术 |




温馨提示
产品图片、属性及价格等仅供参考,详情请旺旺或来电咨询!
...........................................................................................................................................















12-48DC 无刷驱动器CE证书


