| 额定功率 | 3000W |
|---|---|
| 额定电压 | 220V |
| 最大压力 | 20 |
| 最大温度 | 80 |
| 性能优势 | 电询 |
| 设备重量 | 1KG |
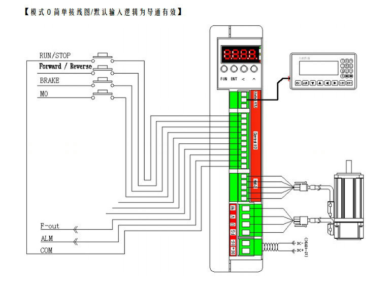
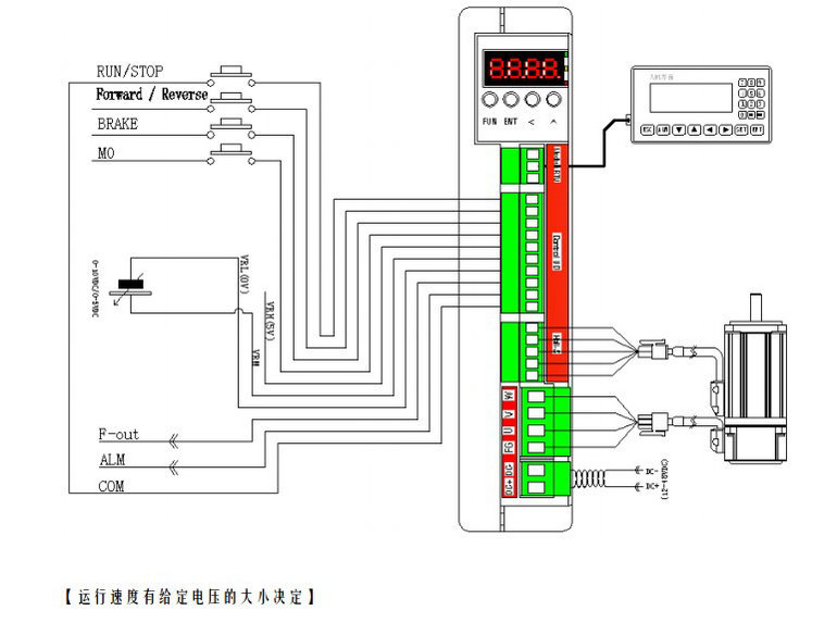
| 驱动方式 | 10V模拟电压、电位器 |
| 流量范围 | 电询 |
| 拉伸强度 | 电询 |
| 精度 | 电询 |
| 管径 | 电询 |
| 品牌 | STONKER |
| 型号 | BD22030CD-01 |
| 品牌:深圳智创STONKER | 产品类型:永磁同步电动机 | 型号:直流型无刷驱动器 BD22004CD-01 |
| 极数:4极 | 额定功率:500W | 额定电压:220(V) |
| 额定转速:1500(rpm) | 产品认证:CE | 应用范围:喷化设备、机械雕刻机 |
| 控制方式**PID+PWM控制技术 |




温馨提示
产品图片、属性及价格等仅供参考,详情请旺旺或来电咨询!
...........................................................................................................................................















12-48DC 无刷驱动器CE证书

