| 标准 | 国标 |
|---|---|
| 材质 | 黄铜 |
| 工作温度 | 高温 |
| 连接形式 | 螺纹 |
| 流动方向 | 单向 |
| 适用介质 | 水 |
| 形态 | 角式 |
| 用途 | 截止 |
| 零部件及配件 | 配件 |
| 压力环境 | 常压 |
| 类型(通道位置) | 二通式 |
| 品牌 | 宝德 |
| 型号 | 2231020 |
| 材质:黄铜 | 类型(通道位置):二通式 |
| 连接形式:螺纹 | 适用介质:水 |
| 流动方向:单向 | 零部件及配件:配件 |
| 用途:截止 | 形态:角式 |
| 压力环境:常压 | 工作温度:高温 |
| 标准:国标 |
| 型号 | 2231008 | 2231010 | 2231015 | 2231020 | 2231025 | 2231032 | 2231040 | 2231050 |
| 介质 | 空气;水;油; | |||||||
| 动作形式 | 直动式(2231008-2231020);先导式(2231025-2231050) | |||||||
| 阀型 | 常闭 | |||||||
| 流量孔径 | dia.8mm | dia.10mm | dia.15mm | dia.20mm | dia.25mm | dia.32mm | dia.40mm | dia.50mm |
| 接口尺寸 | G1/4" | G3/8" | G1/2" | G3/4" | G1" | G1 1/4" | G1 1/2" | G2" |
| 操作流体黏度 | 20 CST 以下 | |||||||
| 工作压力 | 0.1-1.5MPa | |||||||
| 耐压力 | 2.25MPa | |||||||
| 环境温度范围 | -5度 - +80度 | |||||||
| 电压差范围 | +/-10% | |||||||
| 阀体材质 | **黄铜 | |||||||
| 密封件材质 | NBR(标准) 或 VITON(高温) | |||||||
采用聚四氟乙烯硬密封,耐高温、耐腐蚀、性能可靠。流量大,使用压力高
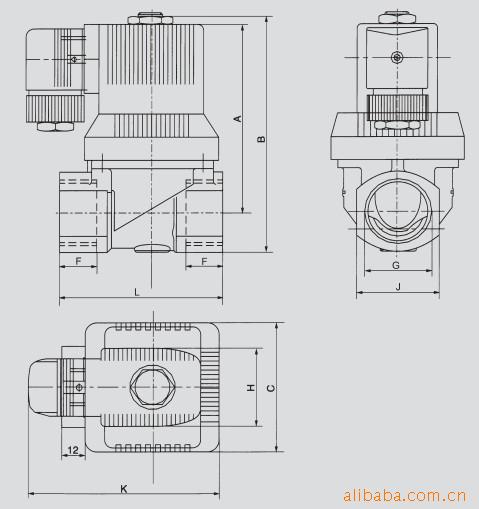
电磁阀外型图

电磁阀尺寸表
型号 | G | C | F | L | J | A | B | H | K |
2231008 | 1/4" | 38 | 14 | 50 | 26 | 71 | 85 | 40 | 71 |
2231010 | 3/8" | ||||||||
2231015 | 1/2" | 45 | 16 | 52 | 27 | 82 | 96 | 80 | |
2231020 | 3/4" | 63 | 31 | ||||||
2231025 | 1" | 65 | 18 | 82 | 41 | 96 | 117 | 90 | |
2231035 | 1-1/4" | 96 | 20 | 125 | 50 | 112 | 145 | 132 | |
2231040 | 1-1/2" | 55 | |||||||
2231050 | 2" | 112 | 22 | 156 | 70 | 125 | 166 | 160 |

