| 产品类型 | 三相异步电动机 |
|---|---|
| 产品认证 | CCC |
| 额定电压 | 220/380(V) |
| 额定功率 | 1.1 |
| 额定转速 | 2885(rpm) |
| 极数 | 2极 |
| 类型 | 三相异步电动机 |
| 品牌 | WOLONG/卧龙 |
| 型号 | YE3-80M2-2 B3 |
温馨提示:
图片仅供参考,以收到的实物为准,客户可个性定制; 产品描述及价格仅供参考,以实际洽谈结果为准。洽谈热线:400-602-5688
| 【产品概述】 |
YE3系列超高效率三相异步电动机是我公司自主开发的能效升级产品,效率符合GB 18613-2012中2级能效标准,并满足IEC60034-30 IE3效率指标。安装尺寸同IE2、Y2系列保持一致,并符合IEC标准,客户可实现快速切换。此系列电机具有低损耗、低振动、安全可靠、维护方便等特点,广泛应用于水泵、风机、机床、减速机、包装机械、矿山机械、建筑机械等各类传动机械行业。
| 【型号说明】 |
电动机的型号表示方法如下:
| 【工作条件】 |
1. 环境空气温度:-15℃~40℃
2. 海拔高度不超过1000M
3. 相对湿度不超过90%
备注:若有对环境温度、海拔、相对湿度等有特殊要求,可根据客户要求定制。
| 【额定与材料】 |
1. 功率范围:0.75~375kW
2. 极数:2、4、6
3. 电压:220/380V 380/660V
4. 频率:50Hz
5. 工作方式:S1
6. 电机外壳:H80~H355铸铁,或H80~H132铝壳
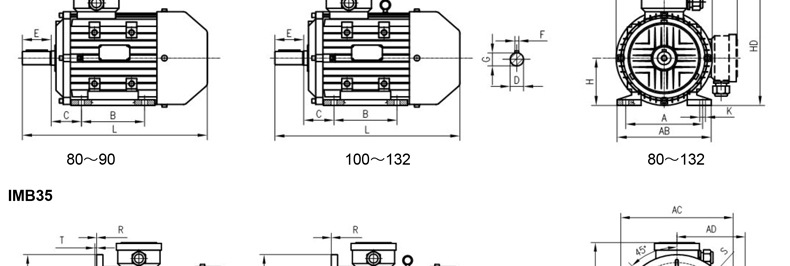
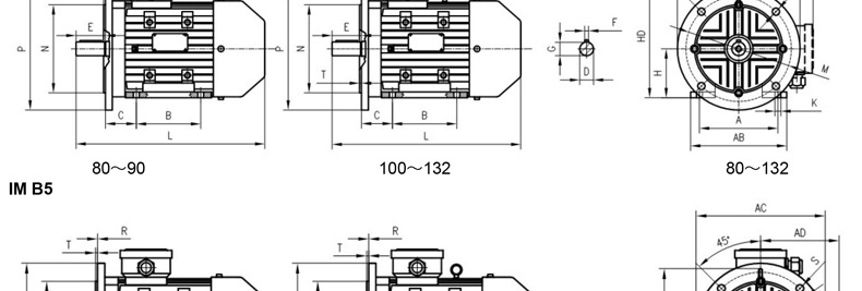
7. 安装方式:B3、B5、B35、V1(铁壳或铝壳),B14、B34(铝壳)
8. 绝缘等级:F级
9. 防护等级:IP55
10. 冷却方式:IC411
11. 接法:380V时3kW及以下规格为“Y”接法,4kW及以上规格为“△”接法
12. 轴承润滑:H180及以下使用免维护轴承,H200及以上使用开启式轴承
备注:
1. 其他电压:230/400V,400/690V,415V, 440V,460V,480V等,可按客户要求定制
2. 其他频率:60Hz或变频,可按客户要求定制
3. 其他工作方式:S2、S3,可按客户要求定制
4. 其他绝缘等级:H级,可按客户要求定制
| 【效率等级】 |





| 【技术参数】 |
380V 50HZ 2极





380V 50HZ 4极




380V 50HZ 6极





| 【安装尺寸】 |
























































| 【关于卧龙】 |


