| 运转速度 | 调速电动机 |
|---|---|
| 用途 | 通用 |
| 电源相数 | 三相电动机 |
| 安装结构型式 | 卧式 |
| 功能类型 | 驱动电动机 |
| 防护型式 | 封闭式 |
| 绝缘等级 | 其他 |
| 电源种类 | 交流电动机 |
| 工作原理 | 同步电动机 |
| 结构与工作原理 | 永磁同步电动机 |
YZS系列振动电机:
YZS系列振动电机作为各类振动机械的激振源,如振动给料机、振动输送机、振动放矿机、振动落砂机、振动筛分机,广泛应用于电力、建材、煤炭、矿山、冶金、化工、轻工等行业。
YZS振动电机应用领域:
YZS系列振动电机是动力源与振动源结合为一体的激振源,振动电机是在转子轴两端各安装一组可调偏心块,利用轴及偏心块高速旋转产生的离心力得到激振力。YZS振动电机的激振力利用率高、能耗小、噪音低、寿命长。振动电机的激振力可以无级调节,使用方便。可以应用于一般振动机械,如:振动破碎机、振动筛分机、振动打包机、振动造型机、振动打桩机、振动提升机、振动充填机、料仓的振动破拱防闭塞装置等等。广泛的应用在水电建设、火力发电、建筑、建材、化工、采矿、煤炭、冶金、轻工等领域。
振动电机除了可以应用与一般振动机械外,还可以组合多种振动形式。如:平旋型,涡旋型,摇动振动型,组合直线型,组合长椭圆型,复合双频型,复合双幅型等。由这些振动形式可以产一些过去所没有的新型振动机械。
YZS系列振动电机主要技术特点:
(1)振动力与出力配合得当,激振力大,机体重量轻,机械噪音低。
(2)采用强阻型振动,具有稳定振幅。
(3)激振力受电源、电压的波动影响较小。
(4)密闭型设计,可在无防爆要求的环境下工作。
(5)可根据振动电机的安装方式改变激振力的方向。
(6)只需调节偏心块的夹角,就可以无极调整激振力和振幅
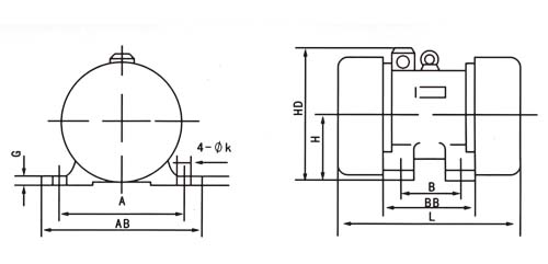
YZS系列振动电机安装图:

YZS系列振动电机技术参数:
型 号 | 激振力(KN) | 功率(kw) | 电流(A) | 振频(r/min) | 安 装 尺 寸 | 重 量 (Kg) | |||||||||
E | F | G | H | I | L | M | N | n | φd | ||||||
YZS-1.5-2 | 1.5 | 0.12 | 0.36 | 3000 | 130 | 80 | 19 | 80 | 200 | 240 | 164 | 118 | 4 | 12 | 13 |
YZS-2.5-2 | 2.5 | 0.22 | 0.66 | 130 | 80 | 19 | 80 | 200 | 240 | 164 | 118 | 4 | 12 | 14 | |
YZS-3-2 | 3 | 0.25 | 0.75 | 150 | 90 | 21 | 90 | 220 | 250 | 185 | 124 | 4 | 14 | 20 | |
YZS-5-2 | 5 | 0.37 | 1.11 | 150 | 90 | 21 | 90 | 220 | 270 | 185 | 124 | 4 | 14 | 21 | |
YZS-10-2 | 10 | 0.75 | 2.25 | 180 | 110 | 27 | 112 | 238 | 335 | 225 | 155 | 4 | 18 | 31 | |
YZS-15-2 | 15 | 1.1 | 3.3 | 220 | 140 | 32 | 125 | 265 | 370 | 272 | 190 | 4 | 22 | 47 | |
YZS-20-2 | 20 | 1.5 | 4.5 | 260 | 150 | 40 | 140 | 320 | 452 | 344 | 234 | 4 | 26 | 68 | |
YZS-30-2 | 30 | 2.2 | 6.6 | 310 | 170 | 57 | 170 | 365 | 505 | 400 | 270 | 4 | 33 | 107 | |
YZS-50-2 | 50 | 3.7 | 11.1 | 350 | 220 | 52 | 200 | 425 | 600 | 450 | 313 | 4 | 39 | 210 | |
YZS-1.0-4 | 1 | 0.09 | 0.27 | 1500 | 130 | 80 | 19 | 80 | 200 | 245 | 164 | 118 | 4 | 12 | 13 |
YZS-1.5-4 | 1.5 | 0.12 | 0.36 | 130 | 80 | 19 | 80 | 200 | 240 | 164 | 118 | 4 | 12 | 16 | |
YZS-3-4 | 3 | 0.18 | 0.54 | 150 | 90 | 21 | 90 | 220 | 260 | 185 | 124 | 4 | 14 | 22 | |
YZS-5-4 | 5 | 0.25 | 0.75 | 180 | 110 | 27 | 112 | 238 | 335 | 225 | 155 | 4 | 18 | 32 | |
YZS-10-4 | 10 | 0.55 | 1.65 | 220 | 140 | 32 | 125 | 265 | 370 | 272 | 190 | 4 | 22 | 49 | |
YZS-15-4 | 15 | 0.75 | 2.25 | 260 | 150 | 42 | 140 | 320 | 452 | 344 | 234 | 4 | 26 | 76 | |
YZS-20-4 | 20 | 1.1 | 3.3 | 260 | 150 | 42 | 140 | 320 | 452 | 344 | 234 | 4 | 26 | 82 | |
YZS-30-4 | 30 | 1.5 | 4.5 | 310 | 170 | 57 | 170 | 365 | 505 | 400 | 270 | 4 | 33 | 117 | |
YZS-50-4 | 50 | 2.2 | 6.6 | 350 | 220 | 33 | 190 | 425 | 600 | 450 | 313 | 4 | 33 | 219 | |
YZS-75-4 | 75 | 3.7 | 11.1 | 380 | 250 | 35 | 220 | 500 | 670 | 480 | 350 | 4 | 39 | 360 | |
YZS-1.5-6 | 1.5 | 0.12 | 0.36 | 1000 | 150 | 90 | 21 | 90 | 220 | 270 | 185 | 124 | 4 | 14 | 22 |
YZS-3-6 | 3 | 0.25 | 0.75 | 180 | 110 | 27 | 112 | 238 | 335 | 225 | 155 | 4 | 18 | 35 | |
YZS-5-6 | 5 | 0.37 | 1.11 | 220 | 140 | 32 | 125 | 265 | 370 | 272 | 190 | 4 | 22 | 50 | |
YZS-10-6 | 10 | 0.75 | 2.25 | 260 | 150 | 42 | 140 | 320 | 452 | 344 | 234 | 4 | 26 | 82 | |
YZS-15-6 | 15 | 1.1 | 3.3 | 310 | 170 | 57 | 170 | 365 | 505 | 400 | 270 | 4 | 33 | 125 | |
YZS-20-6 | 20 | 1.5 | 4.5 | 310 | 170 | 57 | 170 | 365 | 505 | 400 | 270 | 4 | 33 | 130 | |
YZS-30-6 | 30 | 2.2 | 6.6 | 350 | 220 | 33 | 190 | 425 | 600 | 450 | 313 | 4 | 39 | 190 | |
YZS-40-6 | 40 | 3 | 9 | 350 | 220 | 35 | 190 | 425 | 600 | 450 | 313 | 4 | 39 | 190 | |
YZS-50-6 | 50 | 3.7 | 11.1 | 380 | 250 | 35 | 210 | 465 | 670 | 480 | 350 | 4 | 45 | 300 | |
YZS-75-6 | 75 | 5.5 | 16.5 | 440 | 250 | 35 | 220 | 500 | 730 | 480 | 350 | 4 | 45 | 400 | |
YZS-100-6 | 100 | 7.5 | 22.5 | 440 | 280 | 40 | 240 | 550 | 750 | 570 | 450 | 4 | 45 | 420 | |
YZS-125-6 | 125 | 8.5 | 25.5 | 440 | 280 | 40 | 240 | 550 | 750 | 570 | 450 | 4 | 45 | 468 | |
优惠订购方式:13573798481 韩经理
在线QQ:519920551
地址:山东济南明水香港街财富大厦B座
【其他】
我公司专业生产YB2(防爆)、YBPT(防爆变频)、YBD(防爆双速)、Y2(普通)、YVP(普通变频)、YD(普通双速)等系列三相异步电动机,机座号:63-315,极数:2-8极,额定电压:三相110-1140V,额定频率:50-60Hz,可选配多种安装结构型式,并可定制各种特殊规格/尺寸。

