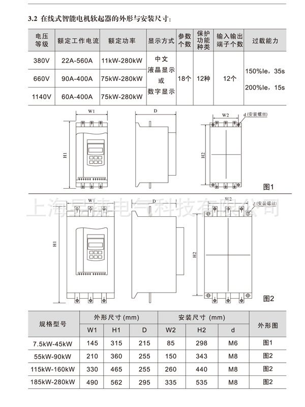
| 产品系列 | SHYRZ在线软启动器 |
|---|---|
| 用途 | 减压起动 |
| 额定电流 | 30(A) |
| 额定电压 | 380(V) |
| 额定绝缘电压 | 800(V) |
| 防护等级 | ip20 |
| 类型 | 软起动器 |
| 应用场景 | 电动机控制与保护 |
| 操作方式 | 自动 |
| 是否可逆 | 是 |
| 额定冲击耐受电压 | 8(KV) |
| 软起基值电压 | 100V |
| 控制电动机功率 | 15KW |
| 斜坡下降时间 | 40(s) |
| 突跳起动时间 | 20(s) |
| 适用电机 | 15kw |
| 产品认证 | CCC |
| 加工定制 | 是 |
| 品牌 | 上海昱捷品牌 |
| 型号 | SHYRZ-15KW |














上海昱捷电气有限公司是一家专业自动化、智能化电气产品制造商;公司主导生产:双电源自动切换开关,中文软启动器,在线式软启动器,软启动柜,在线式软启动柜,变频器控制柜,控制与保护开关,塑壳断路器等产品。
公司凭借先进的技术**的品质、科学的管理、完善的服务,逐步打造成电气自动化节能控制领域的国内知名品牌;我们拥有一支技术实力雄厚的研发队伍,始终贯彻“以质量为宗旨,以技术为灵魂,以客户需求为导向”的价值体系;严格按照**标准,在产品研发、生产、销售及服务等过程中实行了精细化、标准化、及科学化管理。产品先后获得UL、CCC质量安全认证,注册商标 “ 昱捷电气 ”。商标已广为客户熟知,并已成为同行业颇有影响力的知名品牌。
公司通过了ISO9001质量管理体系认证,建立了较为完善的现代化企业管理制度,具有一支较为稳定的训练有素的员工,具有先进的模具加工设备、生产检测设备、配套齐全的电气性能试验室,技术开发力量雄厚,并不断引进国内外先进技术,开发、研制生产各种高科技产品以满足客户的需求,放眼全球,昱捷电气积极参与国际市场竞争,昱捷的目标是:“追求卓越,不断创新”。
公司遵循“以科学管理为核心,以用户需求为中心,以产品质量为重心,以细心服务为诚心” 建设世界**电器的研发、生产基地。

联 系 人: 吴 超 先生
电 话:86 0577 62606098/62606099
移动电话:13968992118
传 真:86 0577 62606097
地 址:中国 浙江 乐清市 柳市镇新光工业区
邮 编:325600
公司主页://www.chyuje.com
https://shop1442335899240.

