| 产地 | 浙江 |
|---|---|
| 类型 | 蝶式 |
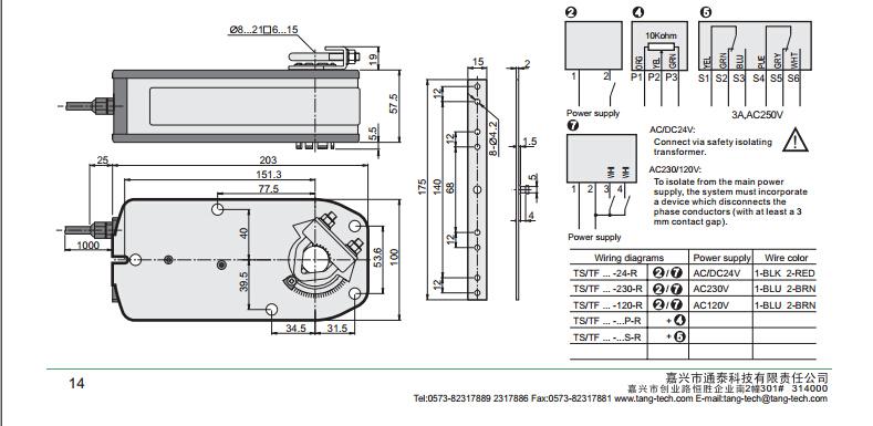
| 输入信号 | 3 point on/off control |
| 用途 | 流量控制 |
| 驱动能源 | 电动执行器 |
| 品牌 | 通泰 |
| 型号 | TS08-24R |
| 加工定制 | 是 |
| 是否提供加工定制 | 是 | 产品用途 | 中央空调/计算机/PLC |
| 驱动能源 | 电动执行器 |
电源 AC/DC24V允差 ±10%输出力矩 8N.m运行时间 70s...150s复位时间 20s...50s运行功耗 6...8AV堵转功耗 3VA输出角度 90°(95°max)控制信号 2point on/off control适用轴径 φ 8...21mm or □ 6...15mm过载保护 Automatic防护等级 IP54使用环境 -10...+55° C 0...90%Rh**大噪音 Motor:50dB(A) Sping:65dB(A)净重 1.8...2.2kg




