| 最大载荷 | 1.8(kN) |
|---|---|
| 丝杆外径 | 10(mm) |
| 丝杆底径 | 8(mm) |
| 丝杆螺距 | 02/04/10(mm) |
| 适用机床 | 皆可 |
| 是否库存 | 是 |
| 是否批发 | 是 |
| 规格 | C10,C7 |
| 精度等级 | C5/C7 |
| 螺帽 | 标准螺帽/紧凑型螺帽 |
| 品牌 | VIRZEN |
| 型号 | BSS/BSSE |
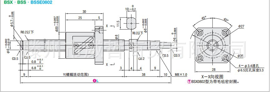
产品详情
● 技术参数| 种类 | 精密 | 螺母种类 | 标准螺母 |
| 法兰形状 | 方形 | 精度等级 | C5 |
| 螺纹轴外径(φ) | 8 | 导线(mm) | 2 |
| 预压 | 无预压 | 使用条件 | 标准 |
| 螺旋方向 | 右 | 轴向间隙 | 0.005以下 |
| 循环数(列×卷) | 1×2.5 | 螺纹轴全长L(mm) | 150 |
| 润滑脂种类 | 标准 | 螺纹轴表面处理 | - |
| 螺母尺寸 | 标准 | 螺母结构 | 单衬型 |
| 循环方式 | 插管式 | 基本额定动载荷(N) | 1950 |
| 基本额定静载荷(N) | 2600 | - | - |
● 产品草图




● 产品图片






