| 是否进口 | 否 |
|---|---|
| 产品类型 | 三相异步电动机 |
| 产品认证 | CCC |
| 产地 | 中国 |
| 额定电压 | 380(V) |
| 额定功率 | 15KW |
| 额定转速 | 2940(rpm) |
| 极数 | 2极 |
| 类型 | 三相异步电动机 |
| 应用范围 | 压缩机、水泵、破碎机、卷扬机、离心机、切削机床、运输机械等 |
| 品牌 | 西玛 |
| 型号 | YBE2-160M2-2 30-60Hz |
| 加工定制 | 是 |
欢迎来电咨询:18191879842 李经理
我公司扩展规格的新版防爆电机生产许可证,已于2015年1月15日正式获得中华人民共和国**质量监督检验检疫总局批复,涉及规格:
高压隔爆型YB2-450、YB2-500 10KV
高压隔爆型YB2-450、YB2-500 6KV
高压高效隔爆型YBX2-450、YBX2-500 10KV
低压隔爆型YBE2-160、YBE2-180 380V/ 660V
低压隔爆型YBE2-132、YBE2-200、 YBE2-225、YBE2-250、YBE2-280 380V/ 660V
以上系列规格的防爆电机产品可以正式订货、生产、销售。
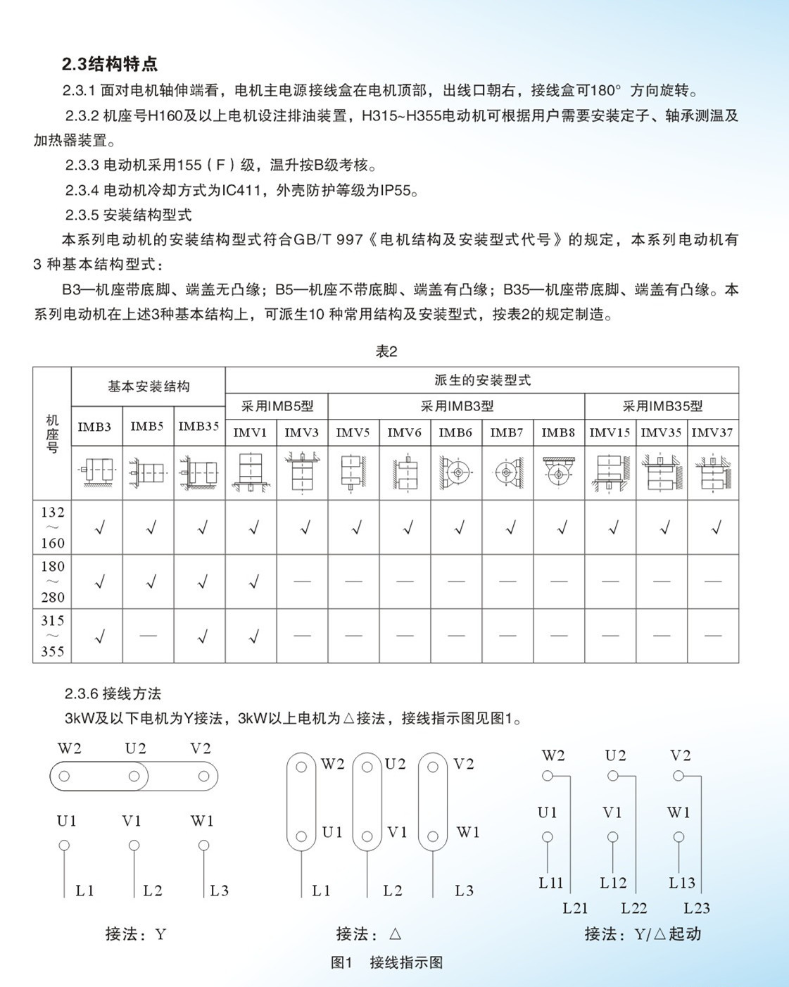
YBE2(IP55)隔爆型三相异步电动机(机座号132~355)是结合国外先进技术和我公司长期以来生产低压电动机的成功技术,采用**设计手段自主研发的全封闭、自扇冷、鼠笼型隔爆型三相异步电动机的基本系列。效率执行GB 18613 2012《中小型三相异步电动机能效限定值及能效等级》中3级能效等级要求,与国际标准IEC 60034-30《单速三相鼠笼型感应电动机效率分级》中IE2保持一致。
本系列电动机符合GB 755-2008《旋转电动机 定额和性能》、GB 3836.1-2010**性环境 第1部分:通用要求》、GB 3836.2-2010 **性气体环境 第2 部分:由隔爆外壳“d”保护的设备 》的规定。防爆标志为ExdIIBT4 Gb适用于工厂用II类B级,温度组别为T4,设备保护级别为Gb级,可替代ExdIIAT4 Gb产品。
本系列电动机具有隔爆性能优良、可靠性高、结构紧凑、高效节能、安全环保、振动小、噪声低、安装维护方便等优点。用于传动各种通用机械:如压缩机、水泵、破碎机、卷扬机、离心机、切削机床、运输机械等的理想传动设备,无论户内、户外,高原性气候或湿热型气候,YBE2系列(IP55)隔爆型三相异步电动机总能提供超越卓群的传动力,得到了用户的信赖和推崇。


价格说明 一般情况下: 划线价格:划线的价格可能是商品的销售指导价或该商品的曾经展示过的销售价等,并非原价,仅供参考。
未划线价格:未划线的价格是商品在中国站上的销售标价,具体的成交价格根据商品参加活动,或因用户使用优惠券等发生变化**终以订单结算页价格为准。 活动预热状态下: 划线价格:划线的价格是商品在目前活动预热状态下的销售标价,并非原价,具体的成交价可能因用户使用优惠券等发生变化**终以订单结算页价格为准。
未划线价格:未划线的价格可能是商品即将参加活动的活动价,仅供参考,具体活动时的成交价可能因用户使用优惠券等发生变化**终以活动是订单结算页价格为准。 *注:前述说明仅当出现价格比较时有效。若商家单独对划线价格进行说明的,以商家的表述为准。

