| 介质温度 | 120(℃) |
|---|---|
| 材质 | 铸铁,铸铝,铸钢 |
| 产品别名 | 管道阀 |
| 适用范围 | 水 |
| 连接形式 | 法兰 |
| 类型(通道位置) | 直通式 |
| 流动方向 | 单向 |
| 驱动方式 | 手动/电动/气动 |
| 用途 | 调节 |
| 适用介质 | 水 |
| 压力环境 | 常压 |
| 品牌 | 尼威/阀门五厂/沪工/沪龙/沪航/良精/良工/标一/双高/九牛/浙江/ |
| 型号 | GJ841X-10 |
一、电动气动管夹阀产品概述:
口径(DN) | DN25~200 | DN250~300 |
工作压力 | ma×4bar | ma×3bar |
控制压力 | ma×6bar | ma×4.5bar |
**大压差 | 2bar | ma×1.5bar |
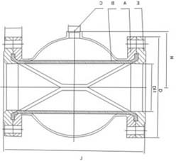
A.阀体
B.橡胶管套
C.控制流体(水或气)入口
E.连接法兰
*手动/自动控制:外加三通手动阀或三通电磁
阀控制压缩空气或压力水进入阀体
二、电动气动管夹阀工作原理:
管夹阀是利用阀体同橡胶管套间的水压或气压使管套变形合拢将流体截断。
特点:
无压力损失、无堵塞、无泄露,防水锤冲击
l特别适用于含颗粒的液——固及气——固二相流l橡胶管套带有纤维增强结构,耐磨、抗疲劳三、电动气动管夹阀技术参数:
l阀体:铸铁DN25~300 铸铝DN25~300 铸钢DN25~300l法兰联接:铸铁DN25~300,316LDN40~200l管套材质及温度范围:天然橡胶-5~80℃ 三元乙丙胶-5~120℃l食品级:食品级天然橡胶管套控制介质:压缩空气或压力水
控制附件:手动-三通手动阀
自动-三通电动阀

四、电动气动管夹阀尺寸及参数:
口径(DN) | 40 | 50 | 65 | 80 | 100 | 125 | 150 | 200 | 250 | 300 | |
外型尺寸 | L | 150 | 180 | 180 | 220 | 276 | 345 | 414 | 550 | 680 | 820 |
H | 40 | 60 | 60 | 75 | 95 | 120 | 145 | 182 | 229 | 278 | |
I | 26 | 27 | 28 | 30 | 36 | 48 | 52 | 65 | 82 | 98 | |
D | 150 | 165 | 200 | 200 | 220 | 250 | 285 | 340 | 405 | 480 | |
法兰 标准 | PN10 DN40 | PN10 DN50 | PN10 DN65 | PN10 DN80 | PN10 DN100 | PN10 DN125 | PN10 DN150 | PN10 DN200 | PN10/20 DN250 | ||

