欢迎来到上海西旻传动科技有限公司!
|
保存桌面
|
手机浏览
|
管理入口
|
返回主站
上海西旻传动科技有限公司
电动缸,行星减速机,KK模组
17317377901
网站首页
公司介绍
供应产品
采购清单
新闻中心
荣誉资质
联系方式
联系方式
在线留言
公司相册
产品分类
暂无分类
站内搜索
供应产品
采购清单
新闻中心
公司相册
友情链接
暂无链接
首页
>
供应产品
>
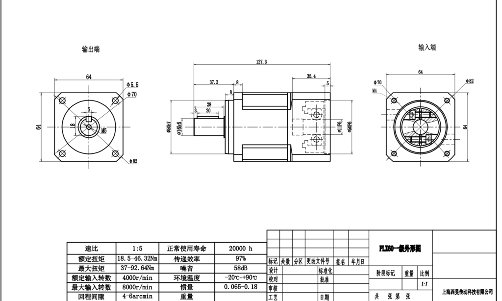
上海西旻PLX60-5-S2-P2 高精密行星减速机代替新宝纽卡特减速机配400W电机750W电机步进电机
上海西旻PLX60-5-S2-P2 高精密行星减速机代替新宝纽卡特减速机配400W电机750W电机步进电机
产品:
浏览次数:921
上海西旻PLX60-5-S2-P2 高精密行星减速机代替新宝纽卡特减速机配400W电机750W电机步进电机
产地:
上海
额定功率:
400W
单价:
面议
最小起订量:
1 台
供货总量:
1000 台
发货期限:
自买家付款之日起
7
天内发货
有效期至:
长期有效
最后更新:
2021-12-17 01:23
详细信息
产地
上海
额定功率
400W
工作温度范围
常温
类型
行星齿轮
噪声
50db
安装形式
立式
布局形式
同进轴式
品牌
上海西旻
型号
PLX60-5-S2-P2
加工定制
是
载荷状态
强冲击载荷
询价单
共
0
条
相关评论