| 原理 | 加压过滤 |
|---|---|
| 用途 | 油除杂质 |
| 样式 | 其他 |
| 性能 | 精密过滤,高效过滤 |
| 适用对象 | 油 |
| 适用对象性质 | 弱腐蚀性,腐蚀性,低温物料,高卫生要求物料 |
| 滤料类型 | 纤维 |
| 过滤器类型 | 管式 |
| 主体材质 | 不锈钢 |
| 适用范围 | 化工,石油,制药,汽车,轻工,食品,选矿,水处理,电镀,冶金,染料,纺织 |
| 设备重量 | 1(Kg) |
| 规格 | SPL,滤油器,量大从优 |
| 品牌 | 其他 |
| 型号 | SP |
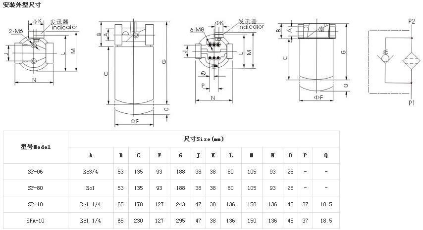
SP系列旋转式管路滤油器用于液压系统回油过滤或低压供油系统过滤,清除油液中由于元件磨损产品生产生的金属颗粒,以及其他杂质等污染物。提高油液清洁度,减少元件磨损和液压故障。 该系列的滤油器是由滤头和滤壳(芯)两个部份组成,滤头采用铝合金制造,滤壳(芯)采用薄板钢板整体成型 新工艺冲刺制后与纸滤芯或化纤滤芯组合成钢壳滤芯,所以本系列滤油器具有外形美观,重量轻,堵塞时只需更换钢壳滤芯等优点。
性能特点:该过滤器滤头为铝合金材质,外形美观、经久耐用。滤芯选用高性能滤材制造,通油阻力小、纳污能力大、过滤效果好。 在滤头内装有旁通阀,当钢壳滤芯堵塞时,油液从旁通阀进入系统仍能工作,在适时停机后须更换钢壳滤芯。滤头上设有有安装污染堵塞发讯器孔,以便检测滤芯使用使用情况。
使用寿命:SP过滤器本身寿命不是固定的,它的使用和滤芯的清洁非常有关,质量也有很大关系,如果使用环境杂质太多,那么过滤器**有更多可能吸入不洁净的气体,那么也**增大了过滤器的工作压力,过多的杂质也会很快堵塞滤芯,但切勿在发现液压油滤芯堵塞和破损的时候坚持使用,细小的颗粒杂质会由此进入系统的润滑油中,加速润滑油的氧化。
我厂滤油器正常使用质保一年、(滤芯质保2000小时)。
订购选型:如有原型号请按型号订购,如无型号可提供滤油器链接尺寸、滤油器滤芯尺寸、目数精度、流量不等。









南宫市兴华过滤器材制造厂建于2010年,位于河北省东南部,地理环境优越,北临308国道,东临京九铁路,南临青银高速公路,西临大广高速公路,交通运输及通讯十分便利,我厂在全国各省份都有固定客户,我厂产品常年出口印度,我们急客户之所需,应客户之所求,我厂引进全套德国先进的生产设备,并且拥有一批技术力量雄厚的设计、制造队伍和高素质的经营管理人才以及完善的检测设备、优良的售后服务,为我们的合作创造了良好的环境,我们为客户提供一手的货源和创新的产品,为各行业的设备提供**可靠的产品,(生产经营产品主要有:精细滤油器车、网片式过滤器、回油过滤器、吸油过滤器、液压空气滤清器、液压滤芯、滤芯国产化,液位温度计、压力表开关、石油过滤设备、??工程机械滤芯、过滤网片、农业机械滤油器,新型产品开发、非标产品定做等??),我们已为国内多个知名企业研发了新型配套产品经过多年的测试和运行客户反映良好,有了你们的信任和支持兴华会一如既往奋力前进,我们注重品牌的价值观,兴华全体员工以振兴名族工业,为华崛起奋斗为目标,奋力打造自己的品牌优势。
我们长期以来从事引进设备用液压附件的国产化的科研工作,不断引进国际上先进的技术和经验,开发的产品主要有各种液压油系列,我厂产品主要用于:石油、化工厂、钢铁厂、印染厂、电厂、煤矿、军工、重工业、船厂、建筑机械配件、数控机械配件、农用机械配件、液压机械配件等工业领域。
南宫市兴华 电话:0319-5398876 传真:0319-5073162 手机(微信同号):15030924111
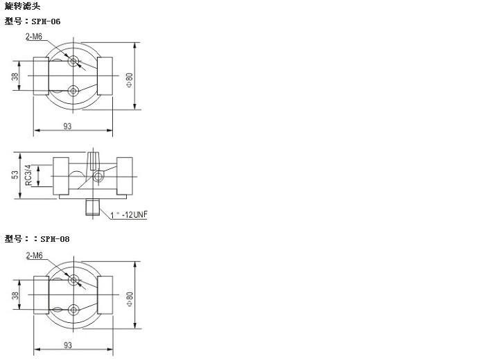
SP系列旋转式管路过滤器,SP系列旋转式管路滤油器,SP过滤器,SPL滤油器,管路吸油过滤器,管路吸油滤油器,SP吸油滤油器,SP吸油过滤器,SPX滤芯,管路过滤器滤芯,旋转式管路过滤器滤芯,旋转式管路滤油器滤芯,链接:J,-J,旋转式管路过滤器,旋转式管路滤油器,SPX吸油滤芯,黎明过滤器,黎明滤油器,SP 06,SP 08,SPL 10,SP06,SP08,SPL10,SP-06,SP-08,SPL-10
管路过滤器 SP-06x10 SP-06x25 SP-08x10 旋转式管路过滤器
管路过滤器 SP-08x25 SP-10x10 SP-10x25 旋转式管路过滤器
管路过滤器 SPA-10x10 SPB-10x10 SP-08x10 旋转式管路过滤器
旋转式管路过滤器滤芯
管路过滤器滤芯 SPX-06x10 SPX-06x25 SPX-08x10 旋转式管路过滤器滤芯
管路过滤器滤芯 SPX-08x25 SPX-10x10 SPX-10x25 旋转式管路过滤器滤芯
管路过滤器滤芯 SPAX-10x10 SPBX-10x10 SPX-08x10 旋转式管路过滤器滤芯
SP-06×10J SP-06×25J SP-08×10J SP-06*10-J SP-06*25-J SP-08*10-J
SP-08×25J SP-10×10J SP-10×25J SP-08*25-J SP-10*10-J SP-10*25-J
SPA-10×10J SPB-10×10J SP-08×10J SPA-10*10-J SPB-10*10-J SP-08*10-J
SP×-06×10J SP×-06×25J SP×-08×10J SP*-06*10-J SP*-06*25-J SP*-08*10-J
SP×-08×25J SP×-10×10J SP×-10×25J SP*-08*25-J SP*-10*10-J SP*-10*25-J
SPA×-10×10J SPB×-10×10J SP×-08×10J SPA*-10*10-J SPB*-10*10-J SP*-08*10-J??

