| 原理 | 吸附法 |
|---|---|
| 用途 | 油除杂质 |
| 样式 | 筒式 |
| 性能 | 高效过滤 |
| 适用对象 | 液压油 |
| 适用对象性质 | 腐蚀性,弱腐蚀性,低温物料 |
| 滤料类型 | 纤维 |
| 过滤器类型 | 管式 |
| 主体材质 | 铝 |
| 适用范围 | 水处理,化工,石油,汽车,轻工,冶金,选矿,食品,电镀 |
| 设备重量 | 20(Kg) |
| 规格 | ISV,液压附件,量大从优 |
| 品牌 | 兴华 |
| 型号 | ISV |
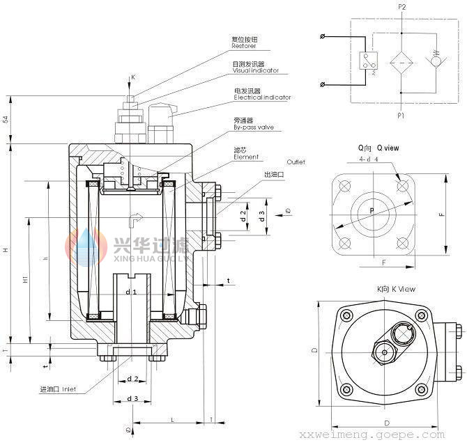
ISV系列管路吸油过滤器由铝合金外壳、滤芯、旁通阀及目测发讯器和电发讯器构成的轻质而坚固的带外壳吸油过滤器,应竖直安装在油箱外的管路上,不影响管路的布置,油箱的尺寸不受过滤器的限制。
该系列过滤器有以下特点:
1、带目测发讯器:当滤芯被污染物逐渐堵塞时,目测发讯器观察窗内的红色信号环慢慢上升,当红色信号环上升到最高位置时(观察窗内完全红色),指示滤芯已被污染物堵塞到需清洗或更换的程度了。清洗或更换滤芯后,按复位按钮,使红色信号环下滑。
2、带电发讯器:当滤芯被污染物堵塞到出油口的真空度为-0.018MPa时,发讯器内的微动开关动作,发出开关信号,指示应清洗或更换滤芯,如此时又不能马上停机或无人来更换滤芯,设在过滤器盖内的旁通阀会自动开启(开启压力为:-0.02MPa)。
3、带旁通阀:当滤芯被污染堵塞到出油口压力(真空度-0.02MPa)时,旁通阀会自动开启,以避免油泵出现吸空等故障。
使用寿命:ISV过滤器本身寿命不是固定的,它的使用和滤芯的清洁非常有关,质量也有很大关系,如果使用环境杂质太多,那么过滤器就有更多可能吸入不洁净的气体,那么也就增大了过滤器的工作压力,过多的杂质也会很快堵塞滤芯,但切勿在发现液压油滤芯堵塞和破损的时候坚持使用,细小的颗粒杂质会由此进入系统的润滑油中,加速润滑油的氧化。
我厂滤油器正常使用质保一年、(滤芯质保2000小时)。
订购选型:如有原型号请按型号订购,如无型号可提供滤油器链接尺寸、滤油器滤芯尺寸、目数精度、流量不等。







南宫市兴华过滤器材制造厂建于2010年,位于河北省东南部,地理环境优越,北临308国道,东临京九铁路,南临青银高速公路,西临大广高速公路,交通运输及通讯十分便利,我厂在全国各省份都有固定客户,我厂产品常年出口印度,我们急客户之所需,应客户之所求,我厂引进全套德国先进的生产设备,并且拥有一批技术力量雄厚的设计、制造队伍和高素质的经营管理人才以及完善的检测设备、优良的售后服务,为我们的合作创造了良好的环境,我们为客户提供一手的货源和创新的产品,为各行业的设备提供优质可靠的产品,(生产经营产品主要有:精细滤油器车、网片式过滤器、回油过滤器、吸油过滤器、液压空气滤清器、液压滤芯、滤芯国产化,液位温度计、压力表开关、石油过滤设备、工程机械滤芯、过滤网片、农业机械滤油器,新型产品开发、非标产品定做等),我们已为国内多个知名企业研发了新型配套产品经过多年的测试和运行客户反映良好,有了你们的信任和支持兴华会一如既往奋力前进,我们注重品牌的价值观,兴华全体员工以振兴名族工业,为华崛起奋斗为目标,奋力打造自己的品牌优势。
我们长期以来从事引进设备用液压附件的国产化的科研工作,不断引进国际上先进的技术和经验,开发的产品主要有各种液压油系列,我厂产品主要用于:石油、化工厂、钢铁厂、印染厂、电厂、煤矿、军工、重工业、船厂、建筑机械配件、数控机械配件、农用机械配件、液压机械配件等工业领域。
南宫市兴华 电话:0319-5398876 传真:0319-5073162 手机(微信同号):15030924111
此信息部分内容和相关图片均是南宫市兴华过滤器材制造厂原创,请体谅作者辛苦,引用或转载请说明出处。
ISV系列管路吸油过滤器,ISV系列管路吸油滤油器,ISV管路吸油过滤器,ISV吸油过滤器,ISV管路过滤器,管路吸油过滤器,管路滤油器,精细吸油过滤器,新型吸油过滤器,液压过滤器,精密过滤器,液压站吸油过滤器,ISV.BH,ISV.BH防腐蚀过滤器,ISV.BH耐腐蚀滤油器,燃油过滤器滤芯,IX滤芯,IX吸油滤芯,链接方式:C,M,MC,CM,船舶电站滤油器,水泥厂滤油器,钻井平台过滤器,矿用过滤器,矿山过滤器,
ISV20-40×80,ISV20-40×100,ISV20-40×180,ISV20 40X80,ISV20 40X100,ISV20-40X180,
ISV25-63×80,ISV25-63×100,ISV25-63×180,ISV25 63X80,ISV25 63X100,ISV25 63X180,
ISV32-100×80,ISV32-100×100,ISV32-100×180,ISV32 100X80,ISV32 100X100,ISV3 100X180,
ISV40-160×80,ISV40-160×100,ISV40-160×180,ISV40 160X80,ISV40 160X100,ISV40 160X180,
ISV50-250×80,ISV50-250×100,ISV50-250×180,ISV50 250X80,ISV50 250X100,ISV50 250X180
ISV65-400×80,ISV65-400×100,ISV65-400×180,ISV65 400X80,ISV65 400X100,ISV65 400X180,
ISV80-630×80,ISV80-630×80,ISV80-630×80,ISV80 630X80,ISV80 630X80,ISV80 630X80,
ISV90-800×80,ISV90-800×100,ISV90-800×180,ISV90 800X80,ISV90 800X100,ISV90 800X180,
ISV100-1000×80,ISV100-1000×100,ISV100-1000×180,ISV100 1000X80,ISV100 1000X100,ISV100 1000X180,
ISV-40×80C,ISV-40×100C,ISV-40×180C,ISV20 40×80M,ISV20 40×100M,ISV20-40×180M,
ISV-63×80C,ISV-63×100C,ISV-63×180C,ISV25 63×80M,ISV25 63×100M,ISV25 63×180M,
ISV-100×80C,ISV-100×100C,ISV-100×180C,ISV32 100×80M,ISV32 100×100M,ISV3 100×180M,
ISV-160×80C,ISV-160×100C,ISV-160×180C,ISV40 160×80M,ISV40 160×100M,ISV40 160×180M,
ISV-250×80C,ISV-250×100C,ISV-250×180C,ISV50 250×80M,ISV50 250×100M,ISV50 250×180M,
ISV-400×80C,ISV-400×100C,ISV-400×180C,ISV65 400×80M,ISV65 400×100M,ISV65 400×180M,
ISV-630×80C,ISV-630×80C,ISV-630×80C,ISV80 630×80M,ISV80 630×80M,ISV80 630×80M,
ISV-800×80C,ISV-800×100C,ISV-800×180C,ISV90 800×80M,ISV90 800×100M,ISV90 800×180M,
ISV-1000×80C,ISV-1000×100C,ISV-1000×180C,ISV100 1000×80M,ISV100 1000×100M,ISV100 M,1000×180M,
ISV20-40 *80 MC,ISV20-40 *100 MC,ISV20-40 *180 MC,ISV25-63 *80 MC,ISV25-63 *100 MC,ISV25-63 *180 MC,
ISV32-100 *80 MC,ISV32-100 *100 MC,ISV32-100 *180 MC,ISV40-160 *80 MC,ISV40-160 *100 MC,ISV40-160 *180 MC,ISV50-250 *80 MC,ISV50-250 *100 MC,ISV50-250 *180 MC, ISV65-400 *80 MC,ISV65-400 *100 MC,ISV65-400 *180 MC,ISV80-630 *80 MC,ISV80-630 *80 MC,ISV80-630 *80 MC,ISV90-800 *80 MC,ISV90-800 *100 MC,ISV90-800 *180 MC,ISV100-1000 *80 MC,ISV100-1000 *100 MC,ISV100-1000 *180 MC,

