| 材料 | 聚合物 |
|---|---|
| 产地 | 上海 |
| 输出信号 | 模拟型 |
| 制作工艺 | 集成 |
| 种类 | 位移 |
| 材料物理性质 | 半导体 |
| 材料晶体结构 | 多晶 |
| 品牌 | OMOO欧牧 |
| 型号 | LPY3-50mm |
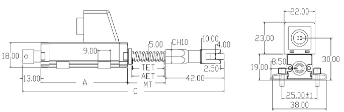
LPY3微型弹簧自复位系列位移传感器
直线位移传感器,带复位弹簧,工作量程可达100mm
高精度,方形18mm×18mm
特点:
传感器带复位弹簧,滚轮触头
.线性优异±0.1%
.分辨率高于0.01mm
.高运行速度10m/s
.EEM33插头和插座(电缆方式可选)
.防护等级IP65
.使用寿命长-运动次数大于100×106 次
.绝对值测量,断电无需断电记忆或回原点
.该系列传感器用于测量和控制系统中,对位移和长度进行直接和绝对测量。传感器的结构设计上考虑方便安装及拆卸。传感器表面经过特殊处理,可在高速低磨损状态下工作,传感器前端前端滚轮触头和带弹簧复位可以满足一些微小无法连接的部位的精密检测与控制,以及滚动物体的测量,保证传感器的正常工作。传感器导电塑料材料固定和结构设计等工艺保证即使在恶劣的条件下传感器也能可靠工作。滑动式卡槽方便安装位置调整。应用:注塑机、液压机、木工机械、煤矿机械、自动化控制等领域。
参数及图纸:
LPY3F
LPY3C


| 电气参数: | |
| 工作量程 (TET) | 10mm~100mnm 注:25mm~100mm(+25mm) |
| 可用电性行程 | TET |
| 独立线性率 | ≤±1%-≤±0.1% ≤±0.05%≥100mm, ≤±0.025%≥200mm |
| 电性总行程(AET) | TET+2mm |
| 电阻公差 ±20% | 1ΚΩ;5ΚΩ |
| 可重复性 | ≤ ±0.01% |
| 滑刷工作电流 | ≤ 1uA |
| 最大工作电压 | 42 V |
| 分辨率 | infinite无限 |
| 工作原理 | Voltage divider分压器 |
| 机械行程(M.T) | TET+5mm |
| 外壳长度(尺寸A) | TET+46mm |
| 总长 (尺寸C) | 10mm/129mm;25mm/159mm;50mm/209mm;75mm/259mm;100mm/309mm |
| 环境参数: | ||
| 温度范围 | -40~+120 | ℃ |
| 抗振动指标 | 5~2000 | Hz |
| Amax=0.75 | mm | |
| amax=20 | g | |
| 抗冲击指标 | 50 | g |
| | 11 | ms |
| 使用寿命 | >100×106 | 次 |
| 工作速度 | 10 | m∕s最大 |
| 运行加速度 | 200(20g) | m∕s2最大 |
| 防护等级 | IP65 | |
发货内容包括 推荐辅件
4个M4×16螺钉 位移传感器控制显示仪
2个固定夹子 信号转换器用于标准信号输出:0-5V/0-10V;
±5V 4-20mA RS232/422/485等。

