欢迎来到山东长鸿工程塑胶有限公司!|保存桌面|手机浏览|管理入口|返回主站

山东长鸿工程塑胶有限公司

CPVC工业管,CPVC民用管,UPVC工业管,CPVC管件,UPVC管件,CPVC阀门,UPVC阀门,CPVC板材...

18660128902
首页 > 供应产品 > 供应长鸿,环琪供应UPVC直通
供应长鸿,环琪供应UPVC直通
产品: 浏览次数:735供应长鸿,环琪供应UPVC直通 
品牌: 长鸿,环琪
材质: PVC
产地: 太仓
单价: 1.00元/
最小起订量: 10
供货总量: 1000
发货期限: 自买家付款之日起 3 天内发货
有效期至: 长期有效
最后更新: 2021-12-18 05:55
 
详细信息
材质 PVC
产地 太仓
品牌 长鸿,环琪

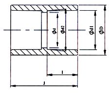
GB PN10/DIN PN16 
                                                                                                                                                                                       

Size

Nom

∮d1

∮d2

∮D

∮d

I

L

1/2″(15mm)

20.3

19.9

26

16

16

35

3/4″(20mm)

25.3

24.9

32

20

19

41

1″(25mm)

32.3

31.9

41

27

22

47

1-1/4″(32mm)

40.3

39.9

50.5

34

26

55

1-1/2″(40mm)

50.3

49.9

63.2

44

31

65

2″(50mm)

63.3

62.9

79.5

57

38

79

2-1/2″(65mm)

75.35

74.9

93

73

44

93

3″(80mm)

90.5

89.9

112

87

51

108

4″(100mm)

110.6

109.9

128.5

105

61

129

5″(125mm)

140.85

140.05

163

136

76

163

6″(150mm)

160.85

160.05

186

154.4

86

184

8″(200mm)

226.25

225.05

261

218

119

248

10″(250mm)

251.45

250.05

290

239

131

277

12″(300mm)

316.85

315.05

364

304

164

348

询价单
0条  相关评论