| 材质 | 金属 |
|---|---|
| 产地 | 泊头市 |
| 品牌 | 日通 |
| 型号 | RT |
| 加工定制 | 咨询客服 |
ASD-A型低频空气弹簧减震器是气压式防震装置,由气室、橡胶弹性隔膜、支撑板三部分组成的弹性元件。空气弹簧减振器是柔性密闭容器中加入空气,利用空气受压缩时的恢复力来提供弹簧力,从而实现隔震和缓冲作用的一种非金属弹簧,具有变刚度特性,容易获得较低的固有频率(2.6-5.3Hz)、较高的阻尼比(0.06-0.08)减震率达到95%以上。适用于对振动敏感的环境,和精密设施的被动隔震。
适用设备:
冲床、往复式空压机、剪板机等设备。
载荷范围:
100-4000Kg
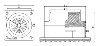
产品结构图:
技术参数(外观尺寸):
| 型号 | 外 形 尺 寸 | 载荷(Kg) | ||||||
| A(mm) | B(mm) | C(M) | H(mm) | ¢d(mm) | ¢D(mm) | BD(M) | ||
| ASD-A-1 | 140 | 105 | 10 | 113 | 55 | 106 | 13 | 100-200 |
| ASD-A-2 | 160 | 125 | 12 | 113 | 80 | 131 | 13 | 200-400 |
| ASD-A-3 | 200 | 160 | 12 | 115 | 105 | 165 | 13 | 400-700 |
| ASD-A-4 | 250 | 200 | 16 | 125 | 140 | 215 | 17 | 1200-2500 |
| ASD-A-5 | 360 | 300 | 16 | 135 | 198 | 323 | 17 | 2500-4000 |

